GM Service Manual Online
For 1990-2009 cars only

Battery Positive Cable Replacement 7.2L (CAT)

Important: When replacing battery cables, use a replacement cable that is the same type, diameter, and length. Additional feed wires may be attached to the positive cables. Additional ground leads may be attached to the negative cables. Always route a replacement battery cable the same as the original cable routing.

Removal Procedure

    Caution: Unless directed otherwise, the ignition and start switch must be in the OFF or LOCK position, and all electrical loads must be OFF before servicing any electrical component. Disconnect the negative battery cable to prevent an electrical spark should a tool or equipment come in contact with an exposed electrical terminal. Failure to follow these precautions may result in personal injury and/or damage to the vehicle or its components.

  1. Disconnect the negative battery cable. Refer to Battery Negative Cable Disconnection and Connection .

  2. Object Number: 215033  Size: SH
  3. Remove the positive cable from the starter solenoid.

  4. Object Number: 826388  Size: SH
  5. Remove the positive cable junction block .
  6. Remove the positive cable clamps and tie downs.
  7. Remove the positive cable.

Installation Procedure

  1. Install the positive cable to the original routing.
  2. Install the positive cable clamps and the tie downs.
  3. Notice: Refer to Fastener Notice in the Preface section.


    Object Number: 826388  Size: SH
  4. Install the positive cable and the nut to the junction block .
  5. Tighten
    Tighten the positive cable to the Maxi-Fuse® block bolt to 11 N·m (97 lb in).


    Object Number: 215033  Size: SH
  6. Install the harness leads and the nuts to the starter solenoid.
  7. Tighten

        • Tighten the positive cable starter nut to 10 N·m (89 lb in).
        • Tighten the positive cable starter nut to 30 N·m (22 lb ft).
  8. Connect the negative battery cable.
  9. Tighten

        • Tighten the side post terminal bolt to 15 N·m (11 lb ft).
        • Tighten the top post terminal nut to 17 N·m (13 lb ft).

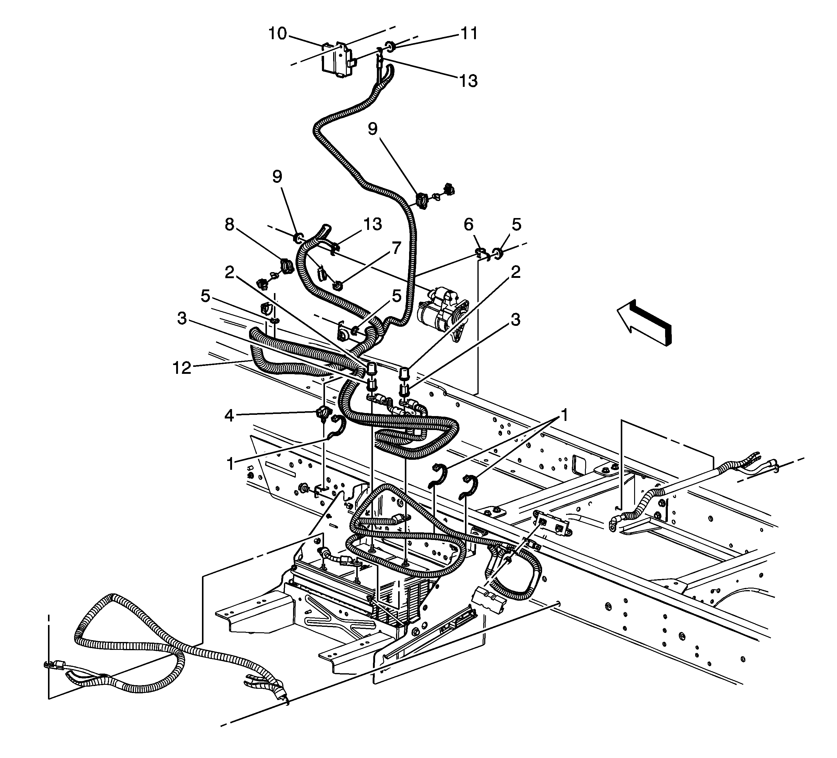
Battery Positive Cable Replacement LLY/LMM w/o ANC/B3D


Object Number: 1869776  Size: MF

Callout

Component Name

Preliminary Procedure

Disconnect the negative battery cable. Refer to Battery Negative Cable Disconnection and Connection .

1

Tie Strap (Qty: 3)

Procedure

Cut the tie straps.

2

Battery Positive and Negative Cable Clip Nut (Qty: 4)

Notice: Refer to Fastener Notice in the Preface section.

Tighten
30 N·m (22 lb ft)

3

Battery Positive and Negative Cable Clip (Qty: 4)

4

Battery Positive Cable Junction Block

Procedure

Open the junction block cover.

5

Battery Positive Cable Extension Cable Junction Block Lead Nut

Tighten
25 N·m (18 lb ft)

6

Battery Positive and Negative Cable Clamp

7

Battery Cable Retainer Bolt

Tighten
25 N·m (18 lb ft)

8

Battery Cable Retainer

9

Battery Positive Cable Nut

Tighten
9 N·m (80 lb in)

10

Battery Negative Cable Ground Bolt

Tighten
50 N·m (37 lb ft)

11

Battery Negative Cable Ground Washer

12

Battery Cable Assembly (dual batteries shown, triple batteries similar)

Procedure

Open the battery cable conduit.

13

Battery Positive Cable (Qty: 2)

Procedure

Replace the appropriate positive cable.

Battery Positive Cable Replacement LLY/LMM w/ANC/B3D


Object Number: 1869843  Size: LF

Callout

Component Name

Preliminary Procedure

Disconnect the negative battery cable. Refer to Battery Negative Cable Disconnection and Connection .

1

Tie Strap (Qty: 3)

Procedure

Cut the tie straps.

2

Battery Positive Cable Clip Bolt Cap (Qty: 2)

3

Battery Cable Terminal Nut (Qty: 2)

Notice: Refer to Fastener Notice in the Preface section.

Tighten
22 N·m (16 lb ft)

4

Battery Positive Cable Clip

5

Battery Positive Cable Clip Nut (Qty: 3)

Tighten
25 N·m (18 lb ft)

6

Battery Positive Cable Clamp

7

Battery Cable Retainer Bolt

Tighten
25 N·m (18 lb ft)

8

Engine Wiring Harness Clamp

9

Battery Positive Cable Nut

Tighten
9 N·m (80 lb in)

10

Battery Positive Cable Junction Block

Procedure

Open the junction block cover.

11

Battery Positive Cable Extension Cable Junction Block Lead Nut

Tighten
25 N·m (18 lb ft)

12

Battery Positive Cable Assembly

Procedure

Open the battery cable conduit.

13

Battery Positive Cable

Procedure

Replace the appropriate positive cable.