GM Service Manual Online
For 1990-2009 cars only
Makes
🢒
Chevrolet
🢒
2008
🢒
Kodiak C-Series (Conventional) C6/C7/C8
🢒
Diagnostic Navigation
🢒
Vehicle Diagnostic Information
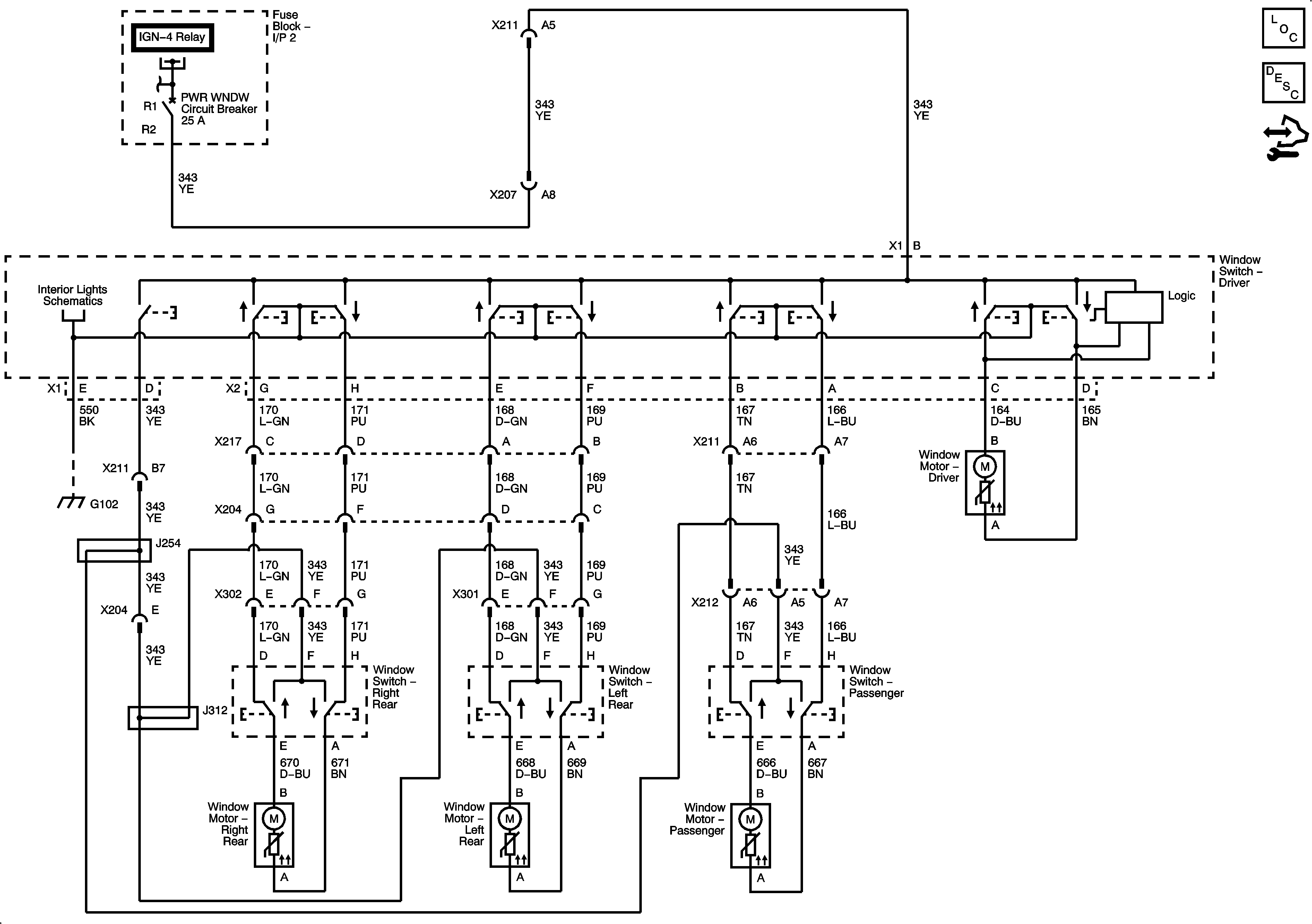
🢒 Moveable Window Schematics
Moveable Window Schematics w/Crew Cab
Master Electrical Component List
Power Windows Description and Operation
Control Module References
IGN-4, ELEC BRK/BRKLP, HDLP, MKR LTS, PWR WNDW, DRL, and RADIO Fuses/Circuit Breakers
LT PARK Fuse/Circuit Breaker - 2 of 2
G102 - 1 of 2
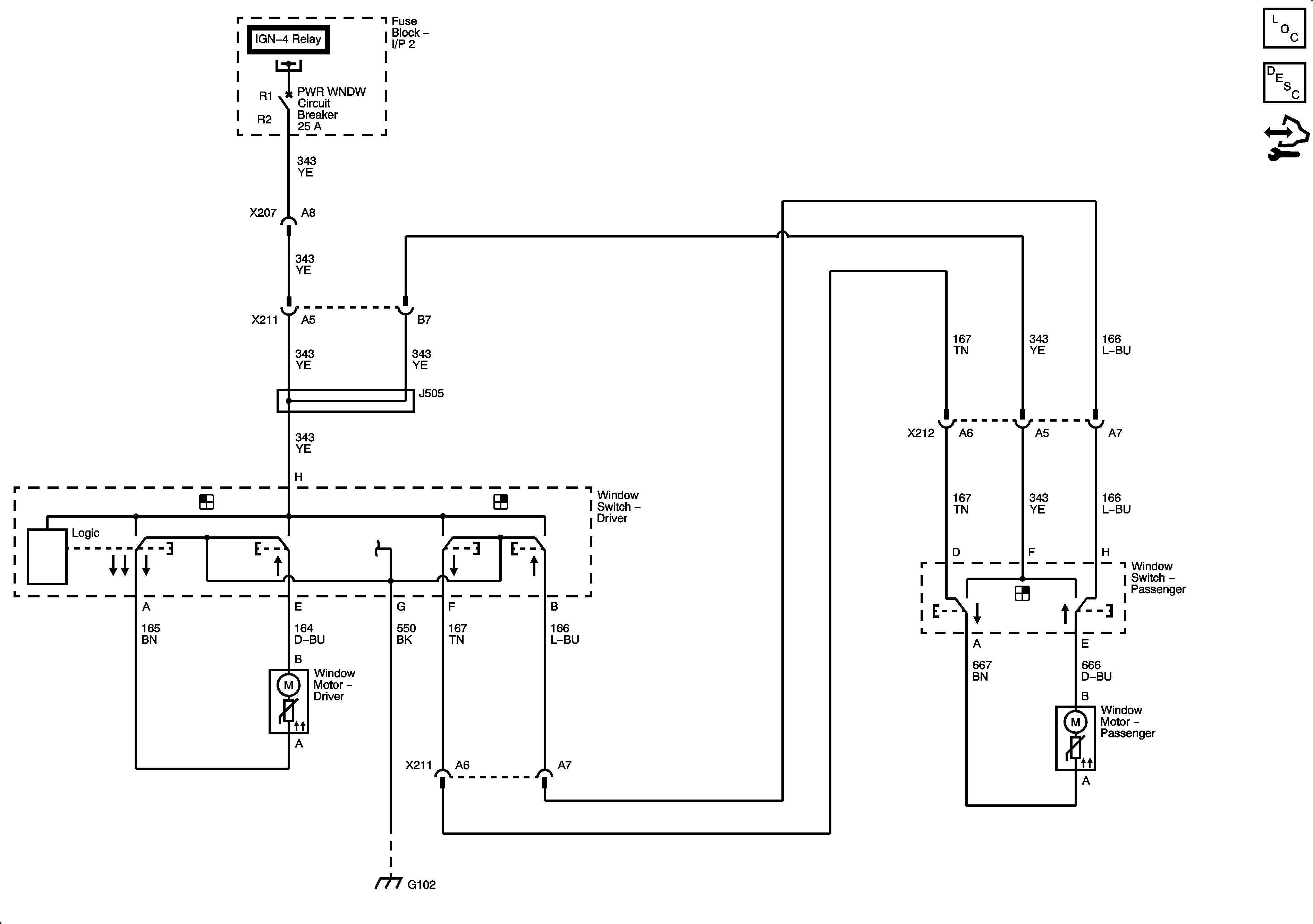
Moveable Window Schematics w/o Crew Cab
Master Electrical Component List
Power Windows Description and Operation
Control Module References
IGN-4, ELEC BRK/BRKLP, HDLP, MKR LTS, PWR WNDW, DRL, and RADIO Fuses/Circuit Breakers
G102 - 1 of 2