GM Service Manual Online
For 1990-2009 cars only
Makes
🢒
Chevrolet
🢒
2008
🢒
Kodiak C-Series (Conventional) C6/C7/C8
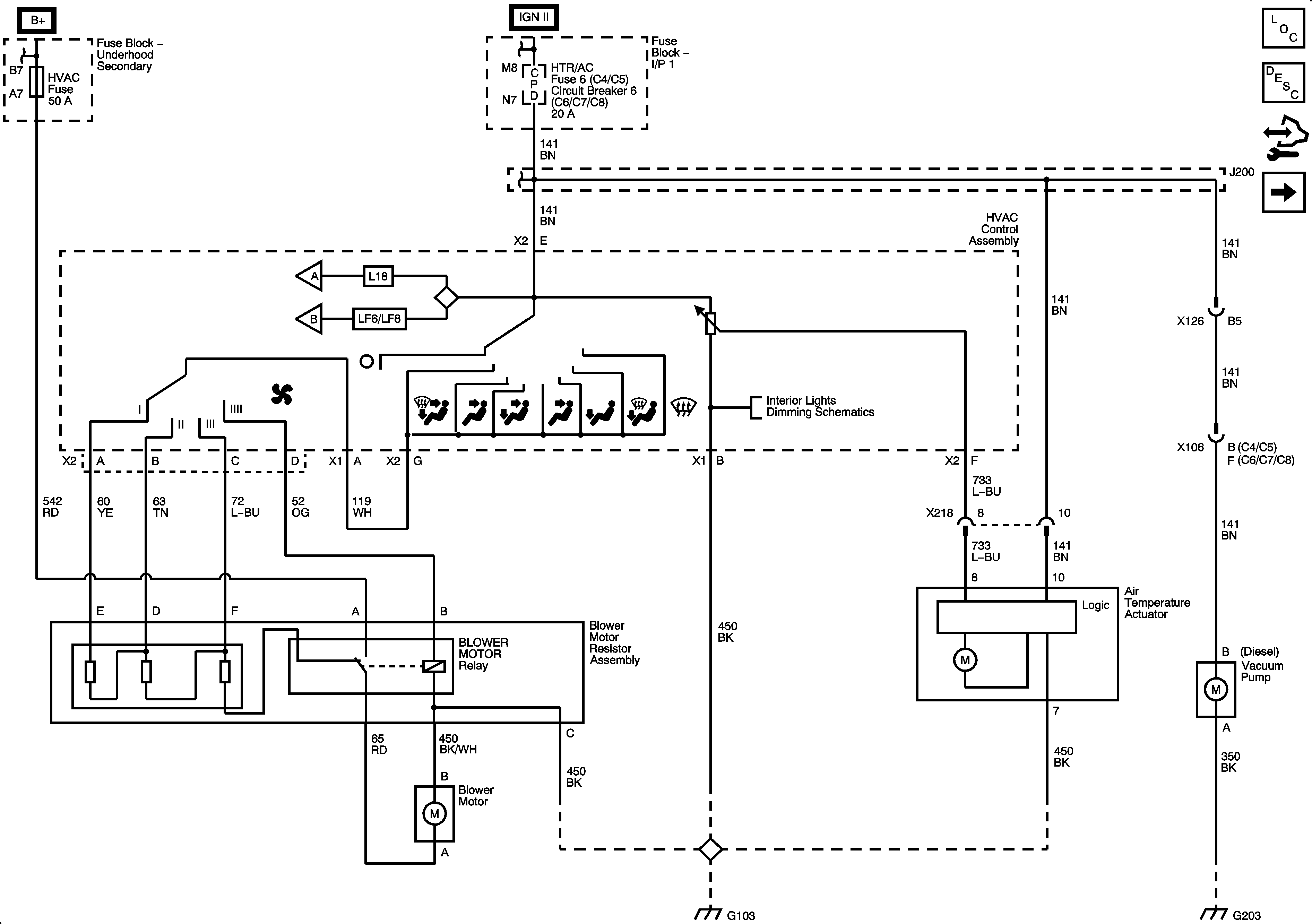
🢒 Blower Controls
Blower Controls
Blower Controls
Master Electrical Component List
Air Delivery Description and Operation
Control Module References
A/C Compressor Controls - L18/LMM
IGN-4, ELEC BRK/BRKLP, HDLP, MKR LTS, PWR WNDW, DRL, and RADIO Fuses/Circuit Breakers
A/C Compressor Controls - L18/LMM
08 MD-560C HVAC Schematics (C60) - A/C Compressor Controls - LF6/LF8
AXL/4WD, BRK, HYD/AIR BRK, and HTR/AC Fuses/Circuit Breakers
AXL/4WD, BRK, HYD/AIR BRK, and HTR/AC Fuses/Circuit Breakers
G103 - 1 of 2, G105, and G106
G112, G113, G203 - 4 of 4, G204, G205, and G400