GM Service Manual Online
For 1990-2009 cars only
Makes
🢒
Chevrolet
🢒
2008
🢒
Kodiak C-Series (Conventional) C6/C7/C8
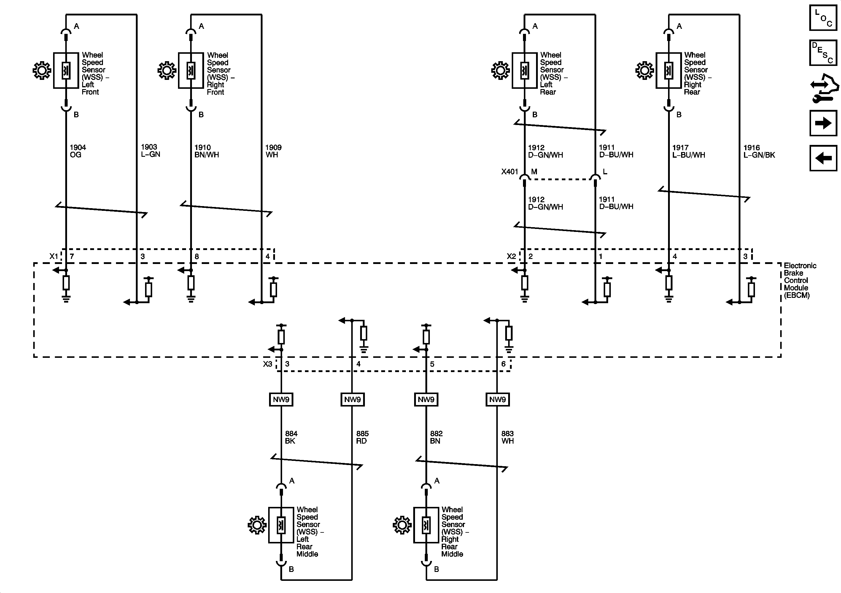
🢒 BPMV and WSS
BPMV and WSS
BPMV and WSS
Master Electrical Component List
Air ABS Description and Operation
Control Module References
BPMV
Stop Lamp Switch