GM Service Manual Online
For 1990-2009 cars only
Makes
🢒
Chevrolet
🢒
2008
🢒
Kodiak C-Series (Conventional) C6/C7/C8
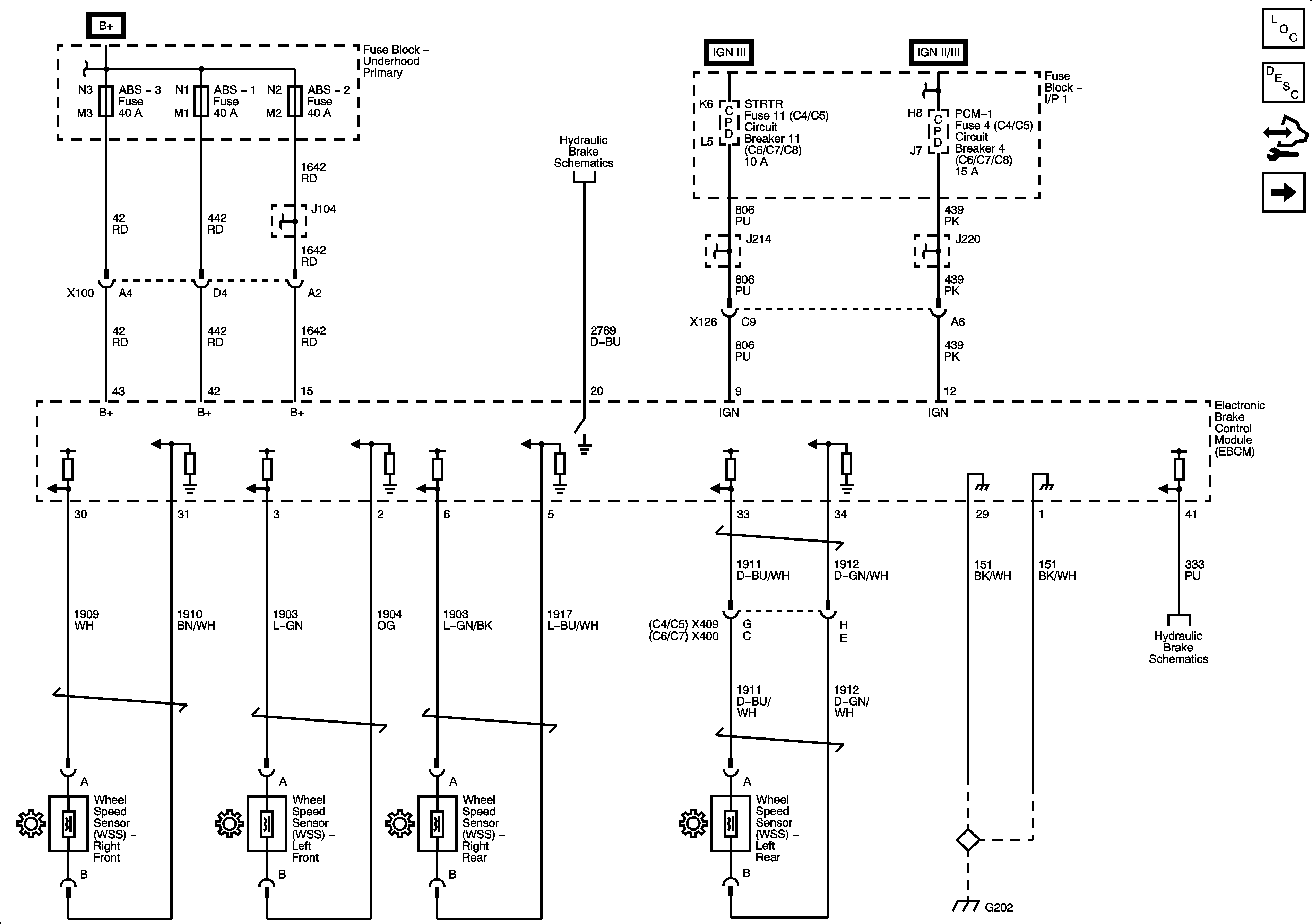
🢒 Module Power, Ground, and Wheel Speed Sensors
Module Power, Ground, and Wheel Speed Sensors
Module Power, Ground, and Wheel Speed Sensors
Master Electrical Component List
ABS Description and Operation
Control Module References
Serial Data, Traction Control and Stop Lamp Switches
ABS-1, ABS-2, ABS-3, E/A PUMP and HORN Fuses/Circuit Breakers
Hydraulic Brakes
STRTR Fuse/Circuit Breaker
STRTR Fuse/Circuit Breaker
ENGINE and PCM-1 Fuses/Circuit Breakers
ENGINE and PCM-1 Fuses/Circuit Breakers
G103 - 2 of 2
Hydraulic Brakes