GM Service Manual Online
For 1990-2009 cars only
Makes
🢒
Chevrolet
🢒
2008
🢒
Kodiak C-Series (Conventional) C6/C7/C8
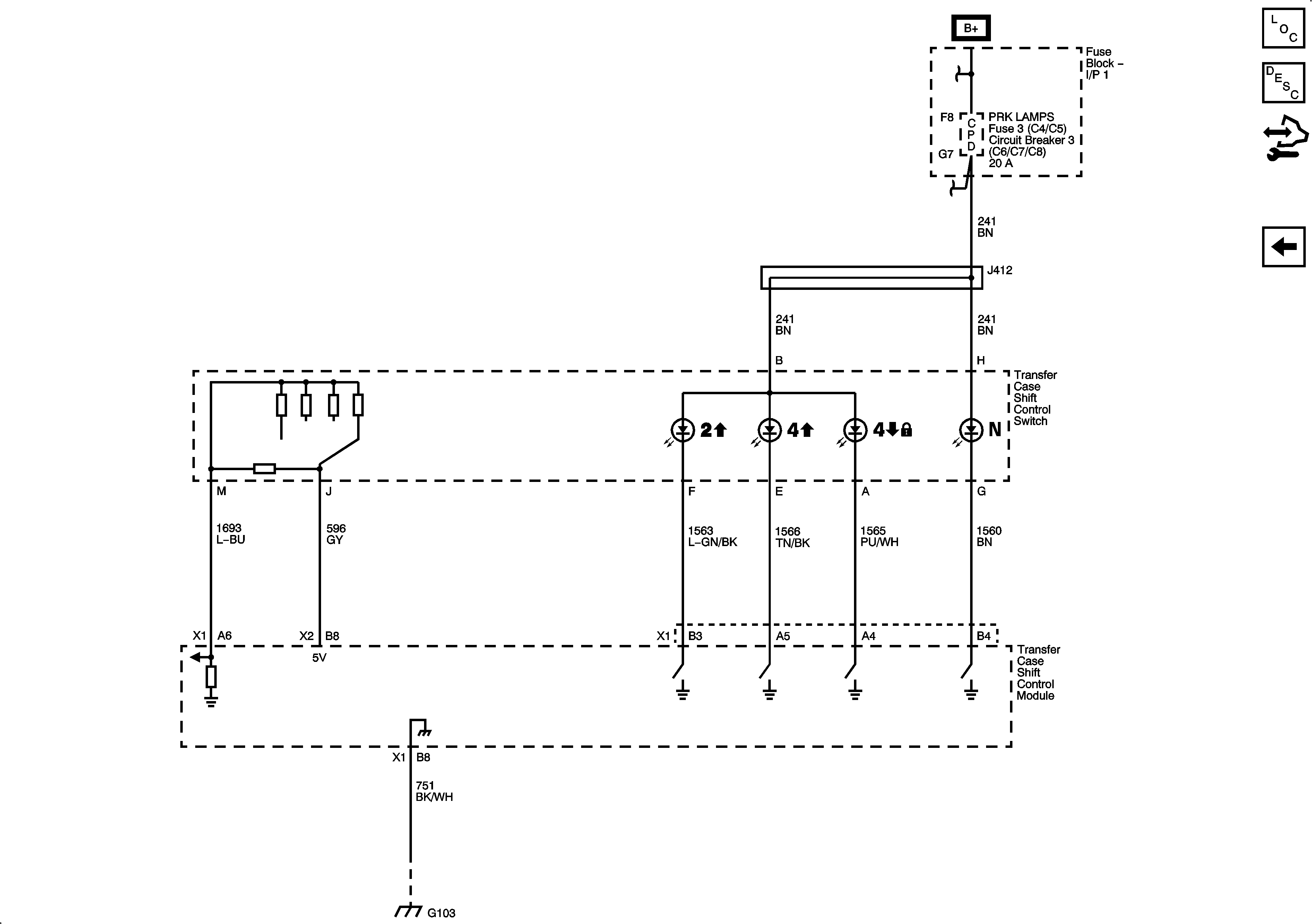
🢒 Transfer Case Shift Control Switch Inputs
Transfer Case Shift Control Switch Inputs
Transfer Case Shift Control Switch Inputs
Master Electrical Component List
Transfer Case Description and Operation
Control Module References
Power, Ground, Class 2 Serial Data, Transfer Case Shift Control Module and Transfer Case Encoder Motor
G103 - 1 of 2, G105, and G106
IGN-4, ELEC BRK/BRKLP, HDLP, MKR LTS, PWR WNDW, DRL, and RADIO Fuses/Circuit Breakers