GM Service Manual Online
For 1990-2009 cars only
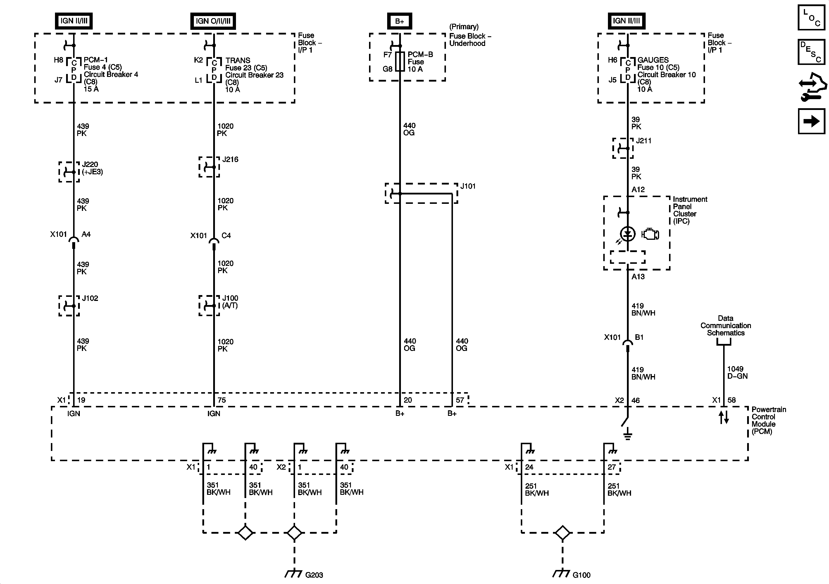
Figure 1:

Module Power, Ground, Serial Data, and MIL


Object Number: 2076264  Size: FS
Figure 2:

Engine Data Sensors - 5-Volt and Low Reference


Object Number: 2076266  Size: FS
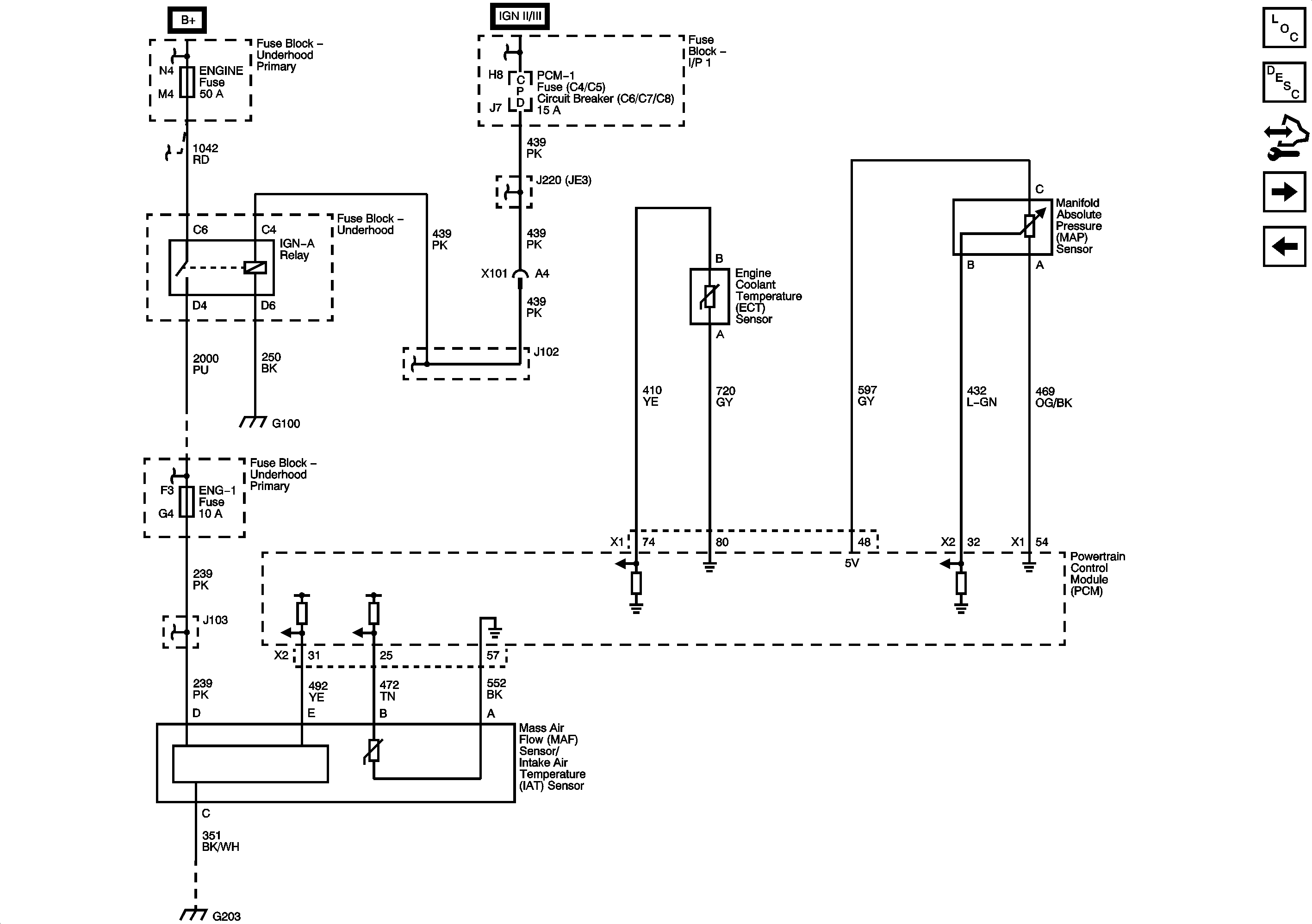
Figure 3:

Fuse Block - Underhood and IGN-A Relay


Object Number: 2076267  Size: FS
Figure 4:

Engine Data Sensors - VSS


Object Number: 2076269  Size: FS
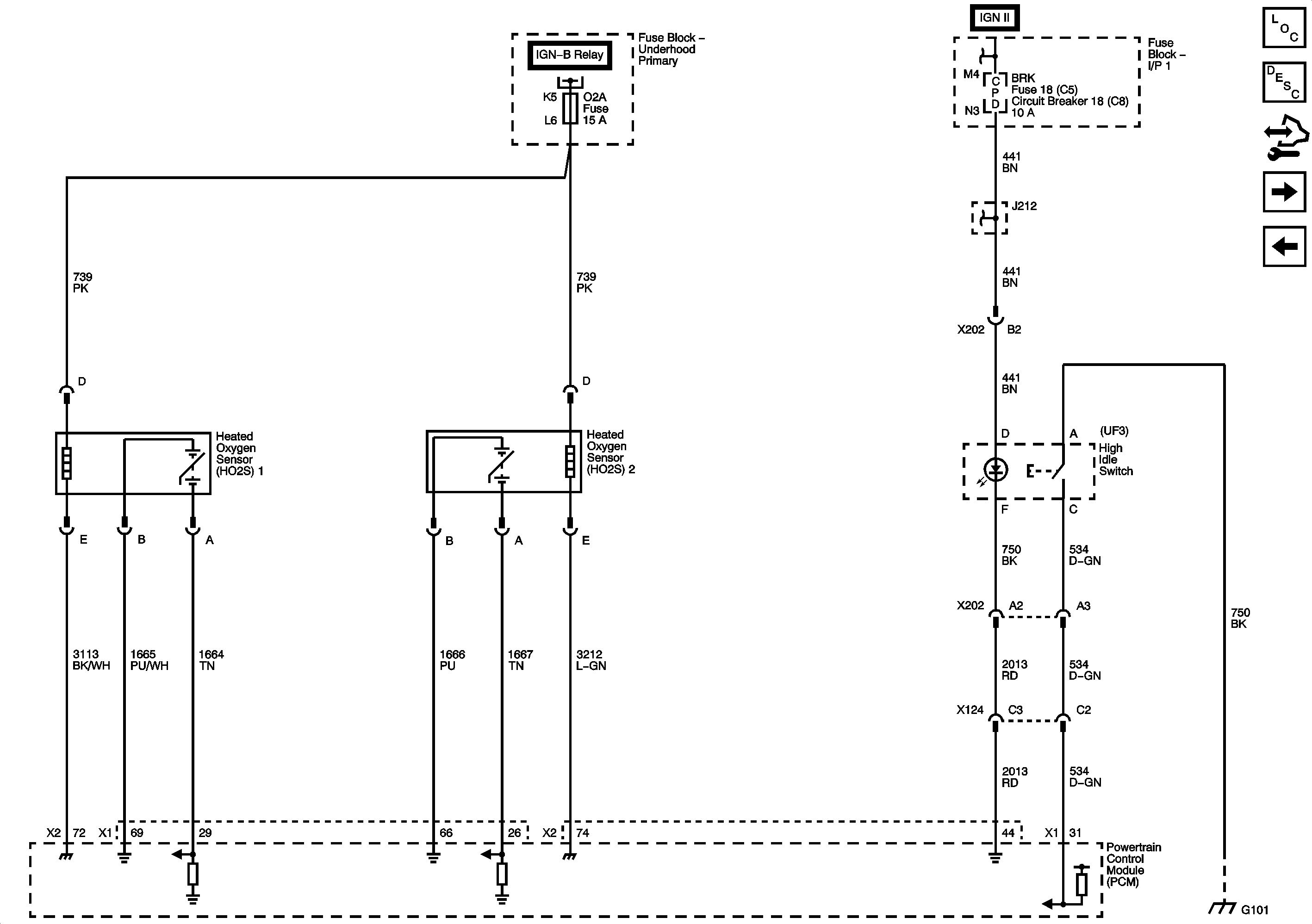
Figure 5:

Engine Data Sensors - HO2S


Object Number: 2076271  Size: FS
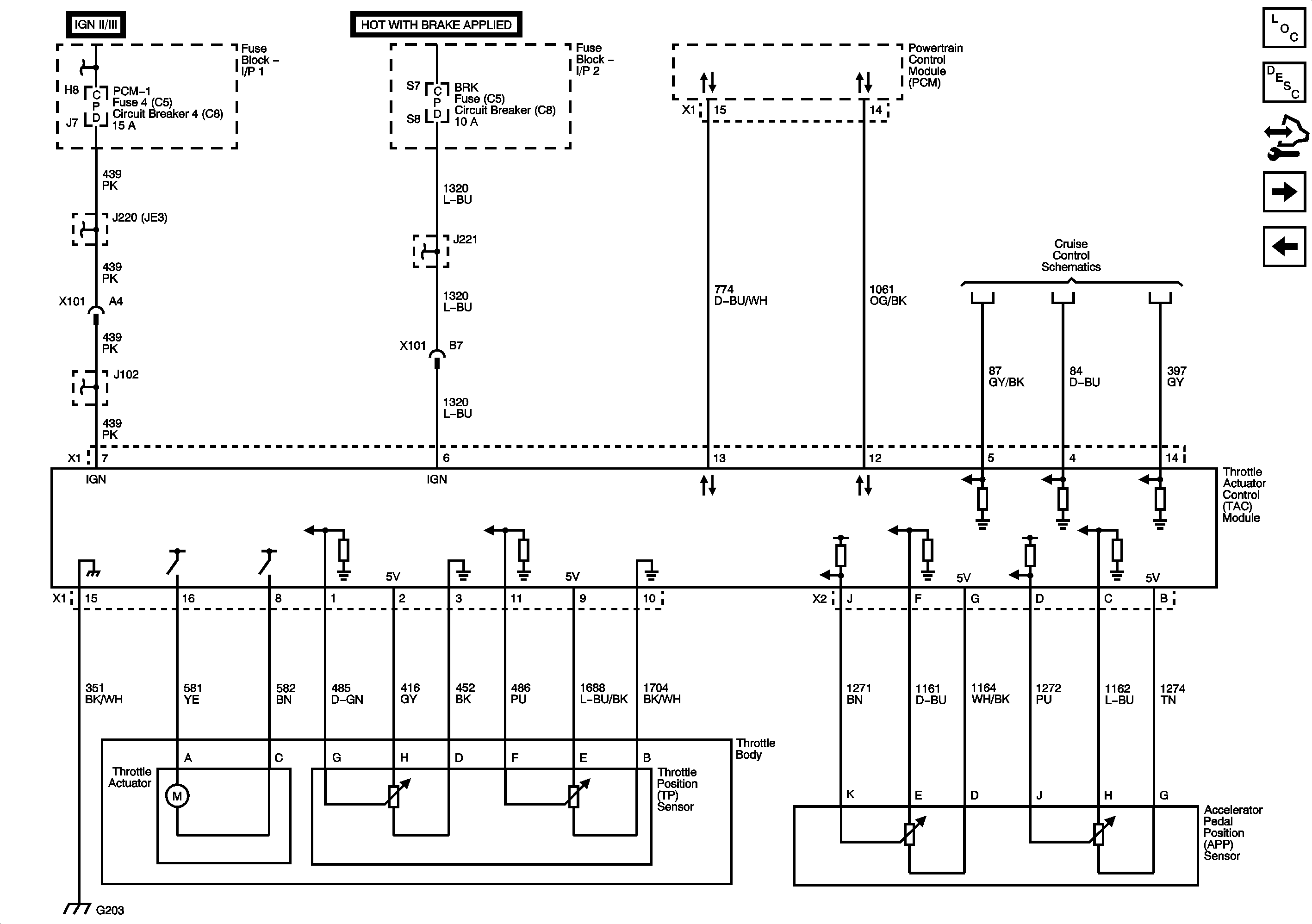
Figure 6:

Engine Data Sensors - Electronic Throttle Controls


Object Number: 2076272  Size: FS
Figure 7:

Ignition Controls - Ignition Systems 1 of 2


Object Number: 2076274  Size: FS
Figure 8:

Ignition Controls - Ignition Systems 2 of 2


Object Number: 2076275  Size: FS
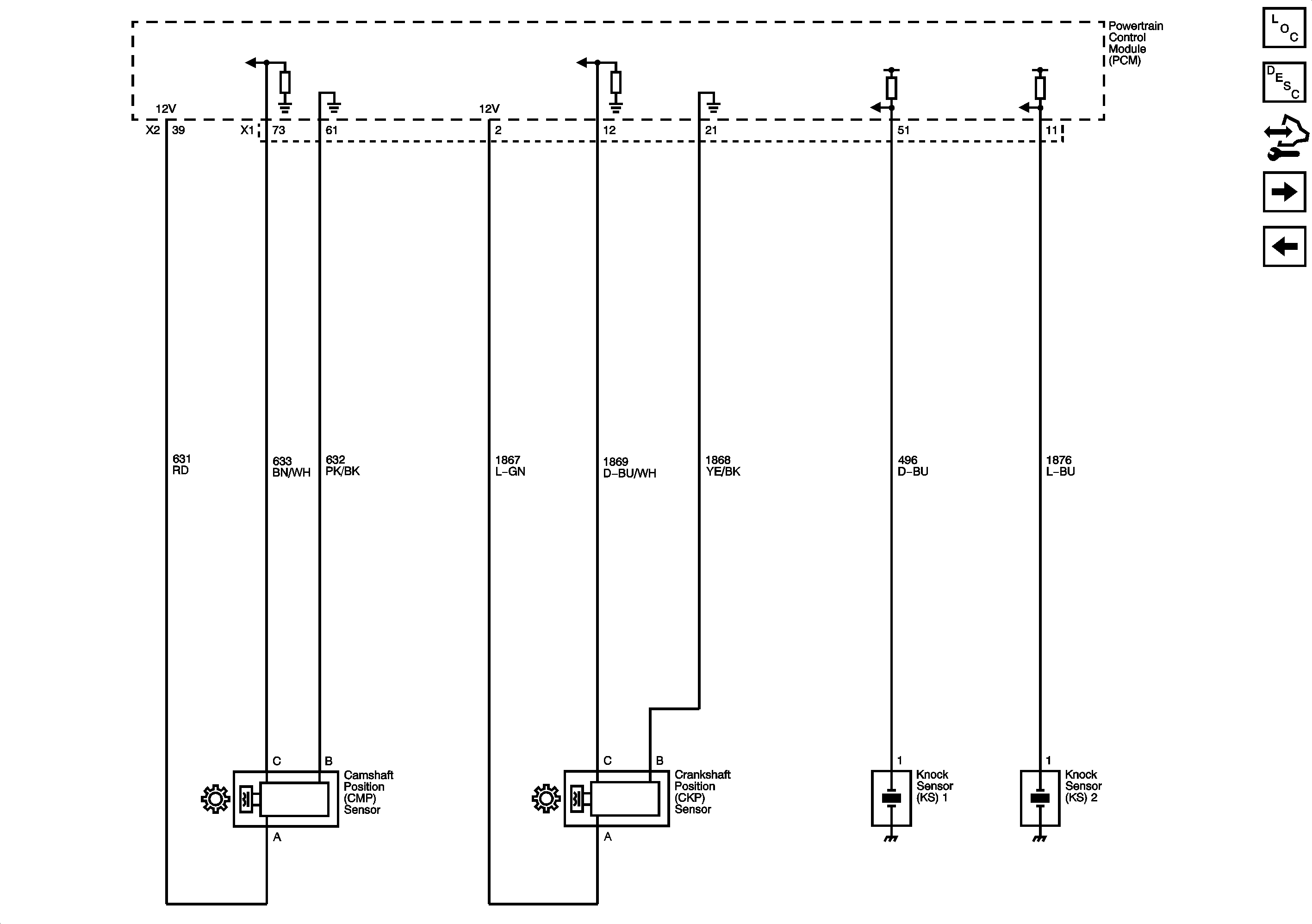
Figure 9:

Ignition System - CKP, CMP, and KS Sensors


Object Number: 2076276  Size: FS
Figure 10:

Fuel Controls - Fuel Pump Controls


Object Number: 2076277  Size: FS
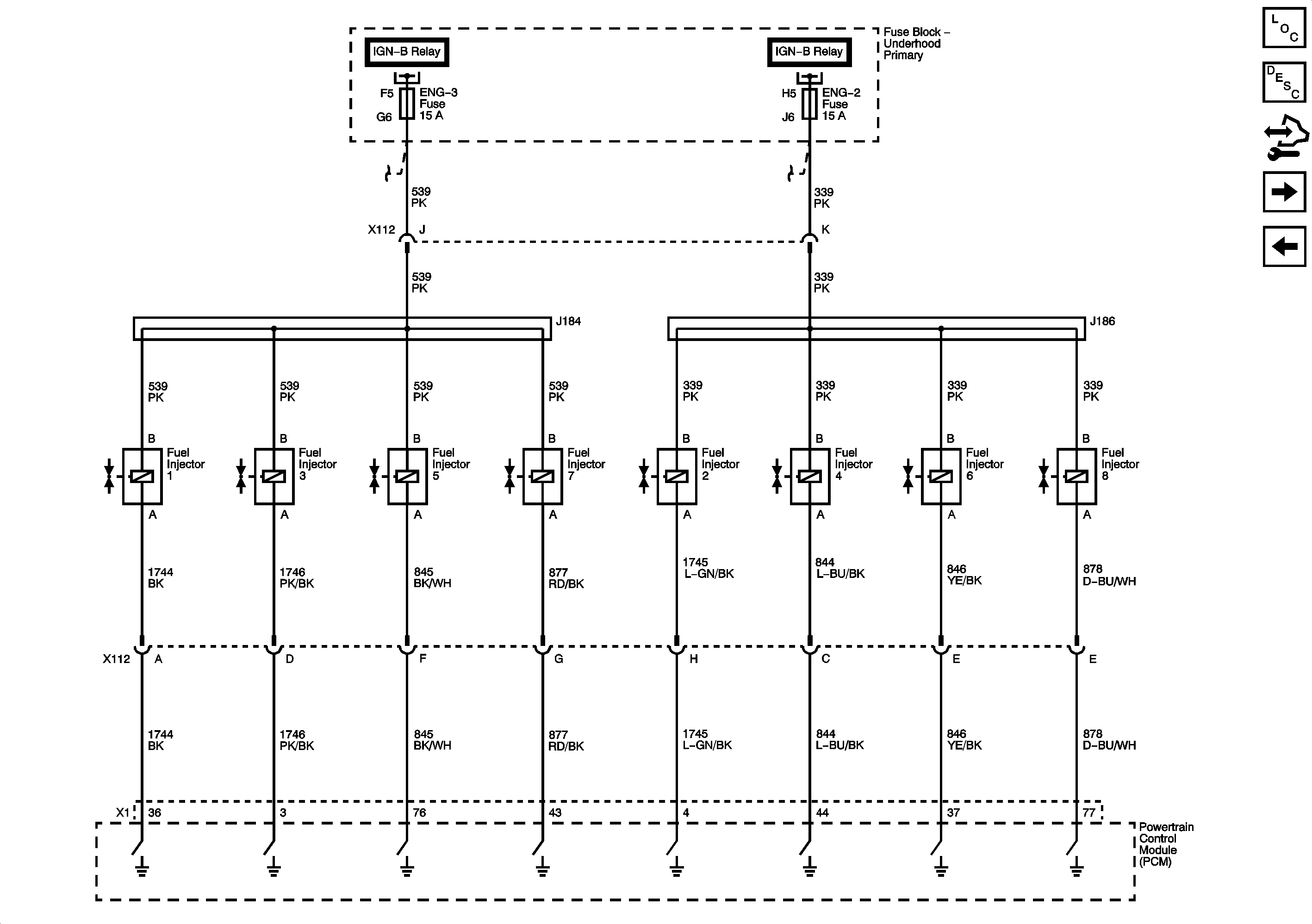
Figure 11:

Fuel Controls - Fuel Injectors


Object Number: 2076278  Size: FS
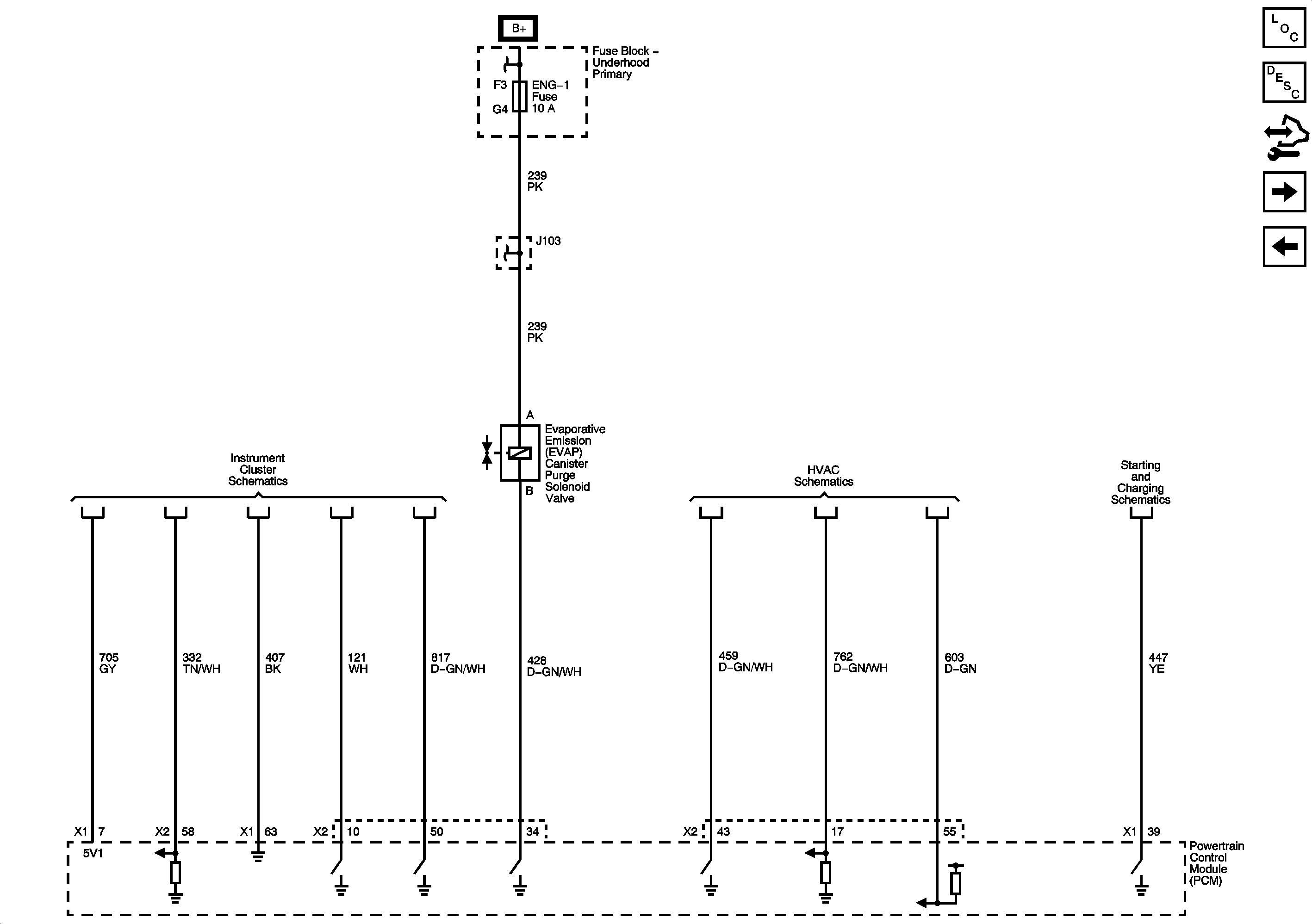
Figure 12:

Device Controls - EGR Valve


Object Number: 2076279  Size: FS
Figure 13:

Controlled/Monitored Subsystem References


Object Number: 2076280  Size: FS