GM Service Manual Online
For 1990-2009 cars only
Figure 1:

Batteries - LMM


Object Number: 2076382  Size: FS
Figure 2:

Batteries - LF6/LF8 and B+ Bus


Object Number: 2076383  Size: FS
Figure 3:

Ignition Switch - OFF/RUN/START, RUN/START, and START Busses


Object Number: 2076385  Size: FS
Figure 4:

Ignition Switch - RUN and ACC/RUN Busses


Object Number: 2076387  Size: FS
Figure 5:

STRTR Fuse/Circuit Breaker


Object Number: 2076389  Size: FS
Figure 6:

TRANS Fuse/Circuit Breaker


Object Number: 2076390  Size: FS
Figure 7:

TRN/BCK/UP Fuse/Circuit Breaker


Object Number: 2076393  Size: FS
Figure 8:

AIRBAG, GAGES, LT REAR TURN/STOP, and RT REAR TURN/STOP Fuses/Circuit Breakers


Object Number: 2076396  Size: FS
Figure 9:

ENGINE and PCM-1 Fuses/Circuit Breakers


Object Number: 2076397  Size: FS
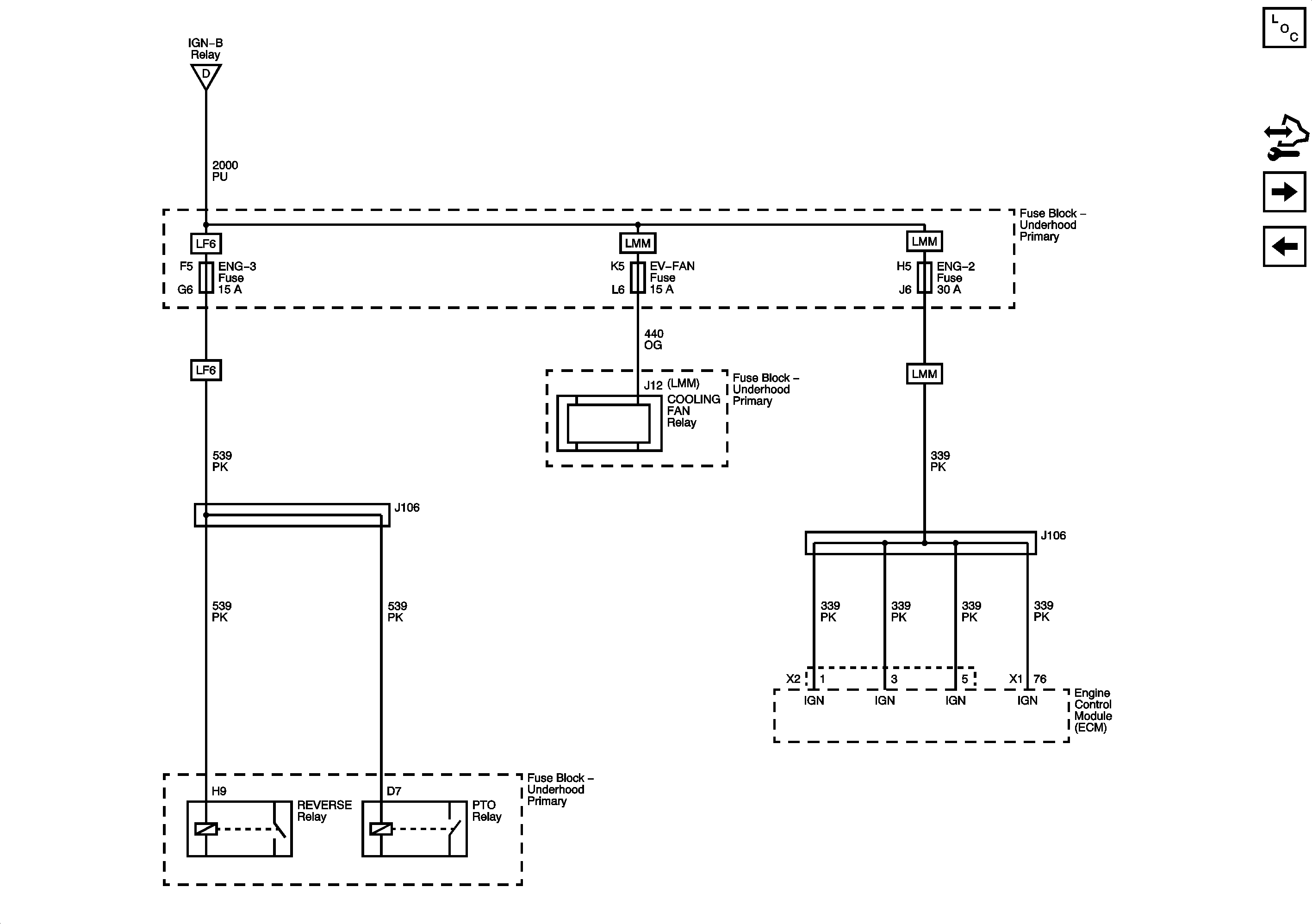
Figure 10:

ENG-2, ENG-3, and O2S Fuses - L18


Object Number: 2076399  Size: FS
Figure 11:

ENG-2 and ENG-3 Fuses - LF8


Object Number: 2076402  Size: FS
Figure 12:

ENG-2 and ENG-3 Fuses - LF6/LMM


Object Number: 2076405  Size: FS
Figure 13:

ENG-1 and ENG-4 Fuses - LF6/LF8


Object Number: 2076407  Size: FS
Figure 14:

ENG-1 and ENG-4 Fuses - L18/LMM


Object Number: 2076176  Size: FS
Figure 15:

AXL/4WD, BRK, HYD/AIR BRK, and HTR/AC Fuses/Circuit Breakers


Object Number: 2076416  Size: FS
Figure 16:

AUX WIRE and IGN 4 - Fuses/Circuit Breakers


Object Number: 2076421  Size: FS
Figure 17:

IGN-4 , ELEC BRK/BRKLP, HDLP, MKR LTS, PWR WNDW, DRL, and RADIO Fuses/Circuit Breakers


Object Number: 2076425  Size: FS
Figure 18:

LIGHTING, CTSY LAMPS, PRK LAMPS, HVAC, ILLUM, LT PARK, and RT PARK Fuses/Circuit Breakers - 1 of 2


Object Number: 2076431  Size: FS
Figure 19:

CTSY LAMPS and LT PARK Fuses/Circuit Breakers - 2 of 2


Object Number: 2076434  Size: FS
Figure 20:

BAT/HAZ, HAZRD, PWR/ACCY, STOP, and TRLR Fuses/Circuit Breakers


Object Number: 2076436  Size: FS
Figure 21:

BRK Fuses/Circuit Breaker


Object Number: 2076442  Size: FS
Figure 22:

ABS-1, ABS-2, ABS-3, E/A PUMP, and HORN Fuses/Circuit Breakers


Object Number: 2076476  Size: FS
Figure 23:

A/C COMP, HTD FUEL, PCM-B, and RR DEFOG Fuses


Object Number: 2076478  Size: FS
Figure 24:

FUEL Fuse/Circuit Breaker - L18/LMM, PCV Circuit Breaker - LF8, and ECM-B Circuit Breaker - LF6


Object Number: 2076481  Size: FS
Figure 25:

RDO/CHIME, CHMSL, and PWR POST Fuses/Circuit Breakers


Object Number: 2076484  Size: FS
Figure 26:

Batteries - L18


Object Number: 2076522  Size: FS