GM Service Manual Online
For 1990-2009 cars only
Figure 1:

G100 - L18


Object Number: 2076490  Size: FS
Figure 2:

G100 - LMM


Object Number: 2076491  Size: FS
Figure 3:

G100 - LF8


Object Number: 2076493  Size: FS
Figure 4:

G100 - LF6


Object Number: 2076496  Size: FS
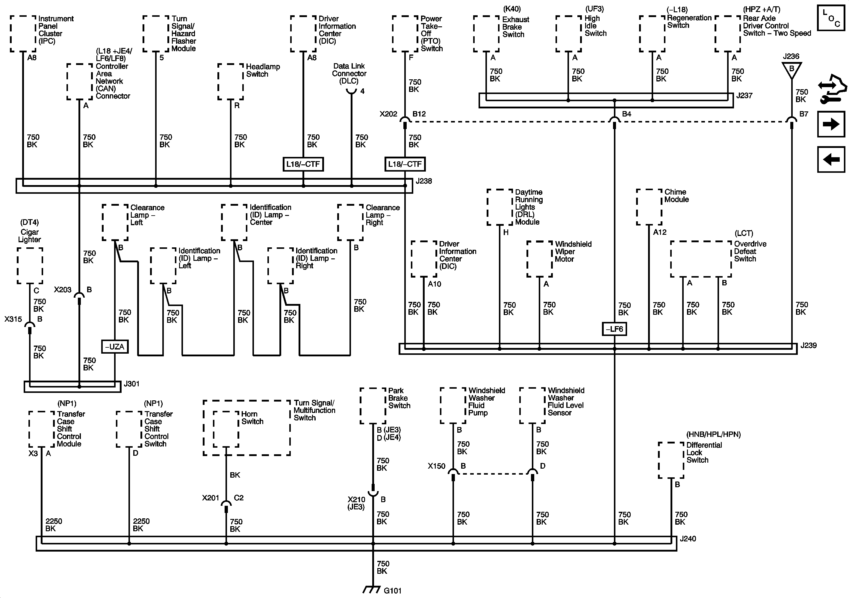
Figure 5:

G101 - 1 of 2


Object Number: 2076497  Size: FS
Figure 6:

G101 - 2 of 2


Object Number: 2076500  Size: FS
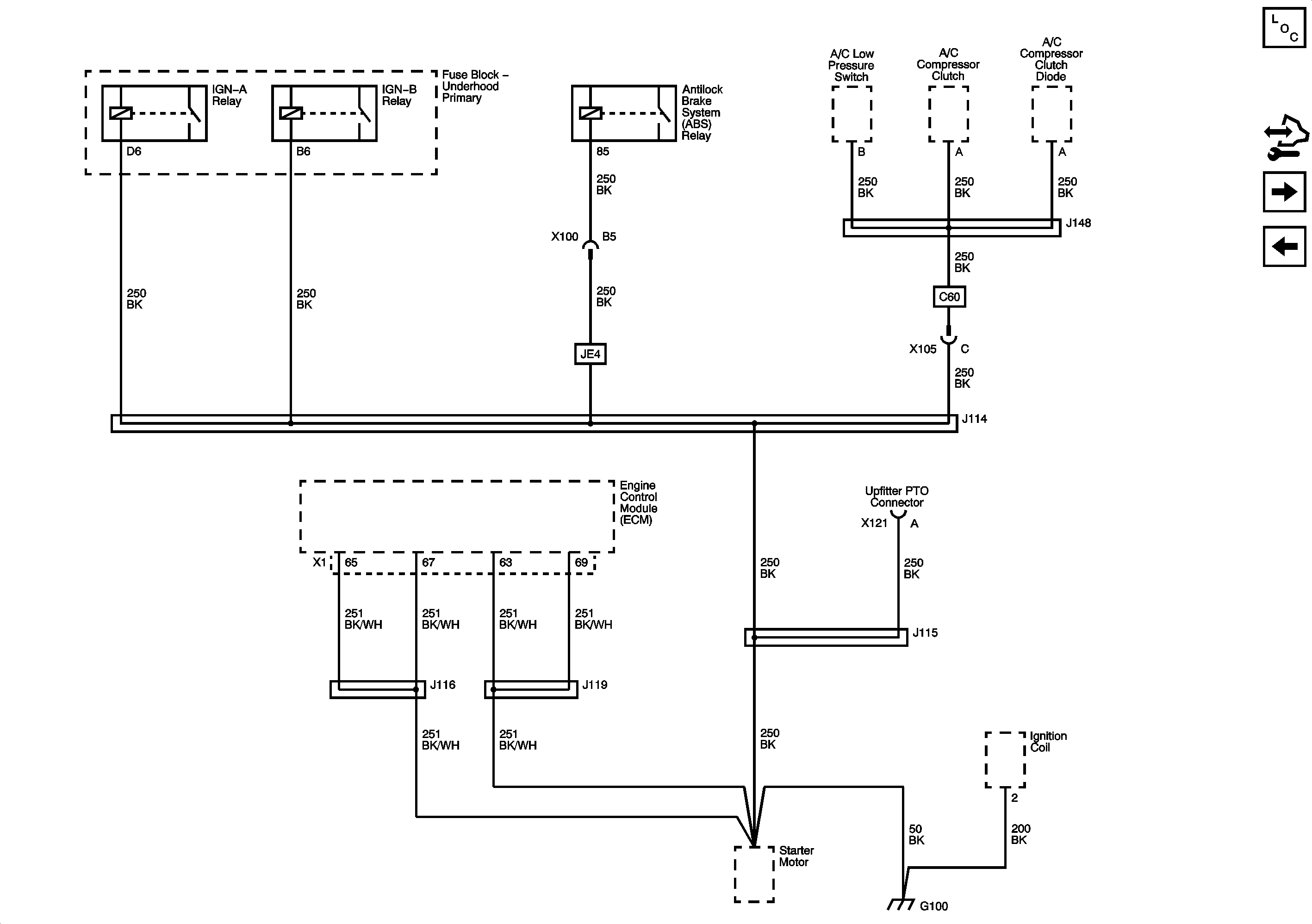
Figure 7:

G102 - 1 of 2


Object Number: 2076502  Size: FS
Figure 8:

G102 - 2 of 2


Object Number: 2076506  Size: FS
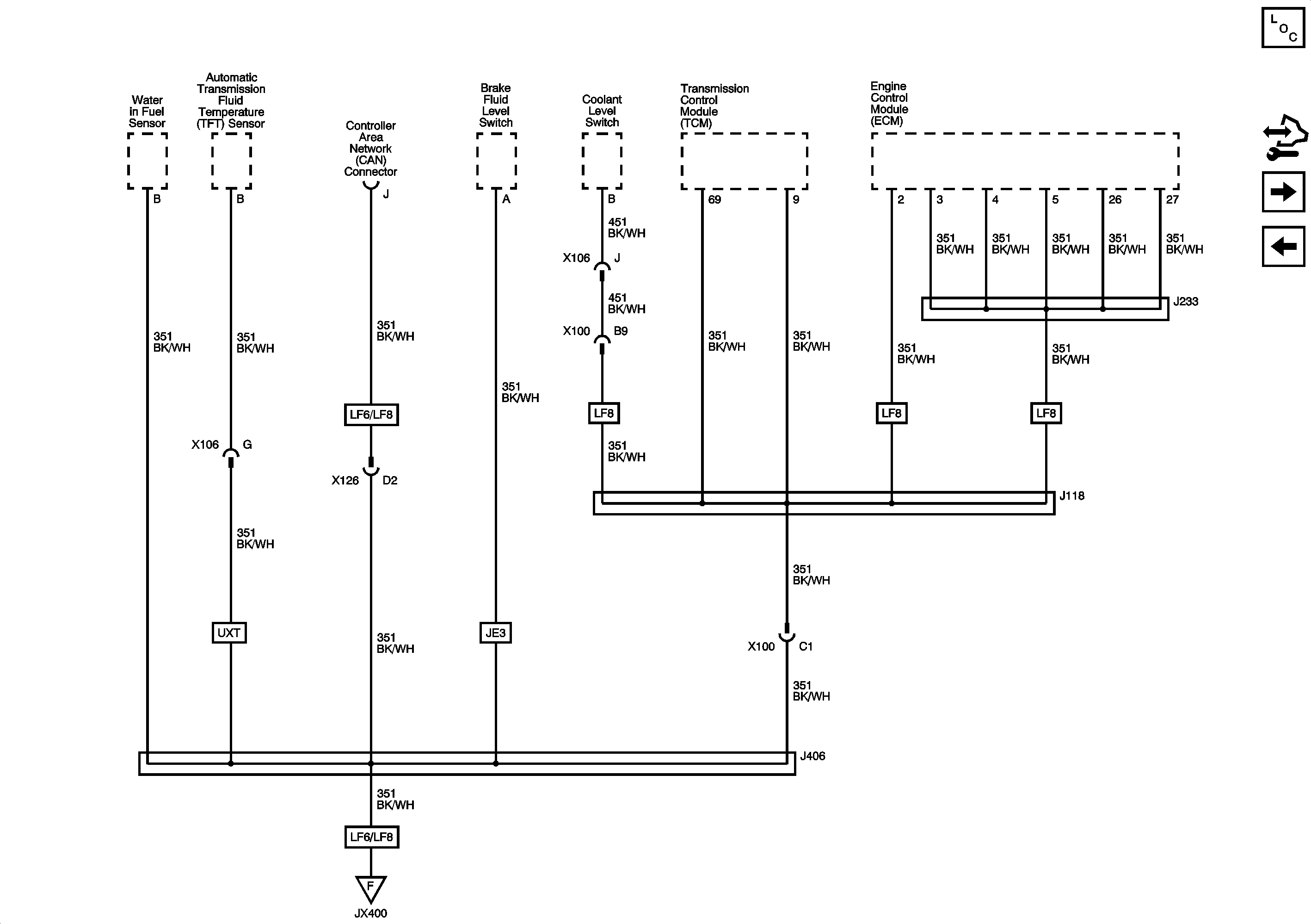
Figure 9:

G103 - 1 of 2, G105 and G106


Object Number: 2076508  Size: FS
Figure 10:

G118, G119 and G120


Object Number: 2076510  Size: FS
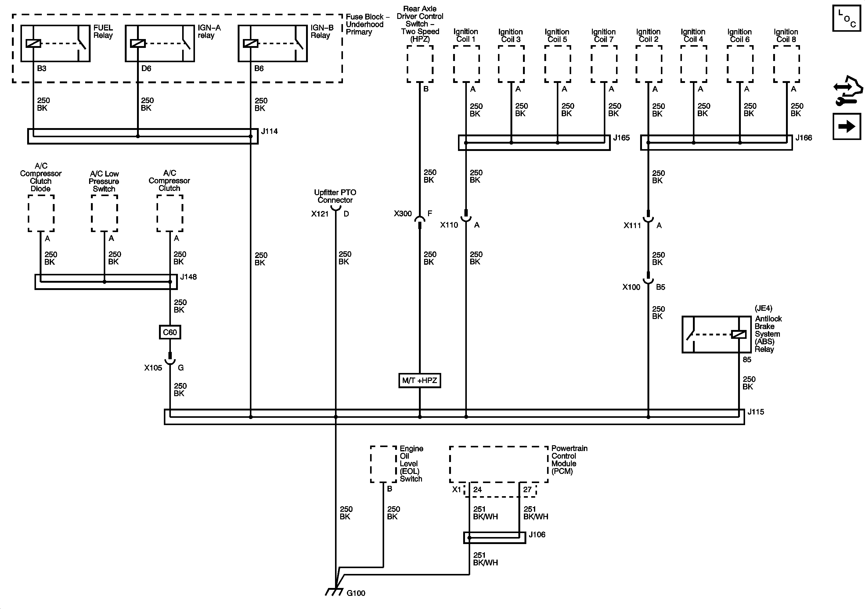
Figure 11:

G103 - 2 of 2


Object Number: 2076512  Size: FS
Figure 12:

G200, G202, and G203 - 1 of 4


Object Number: 2076516  Size: FS
Figure 13:

G203 - 2 of 4


Object Number: 2076517  Size: FS
Figure 14:

G203 - 3 of 4


Object Number: 2076519  Size: FS
Figure 15:

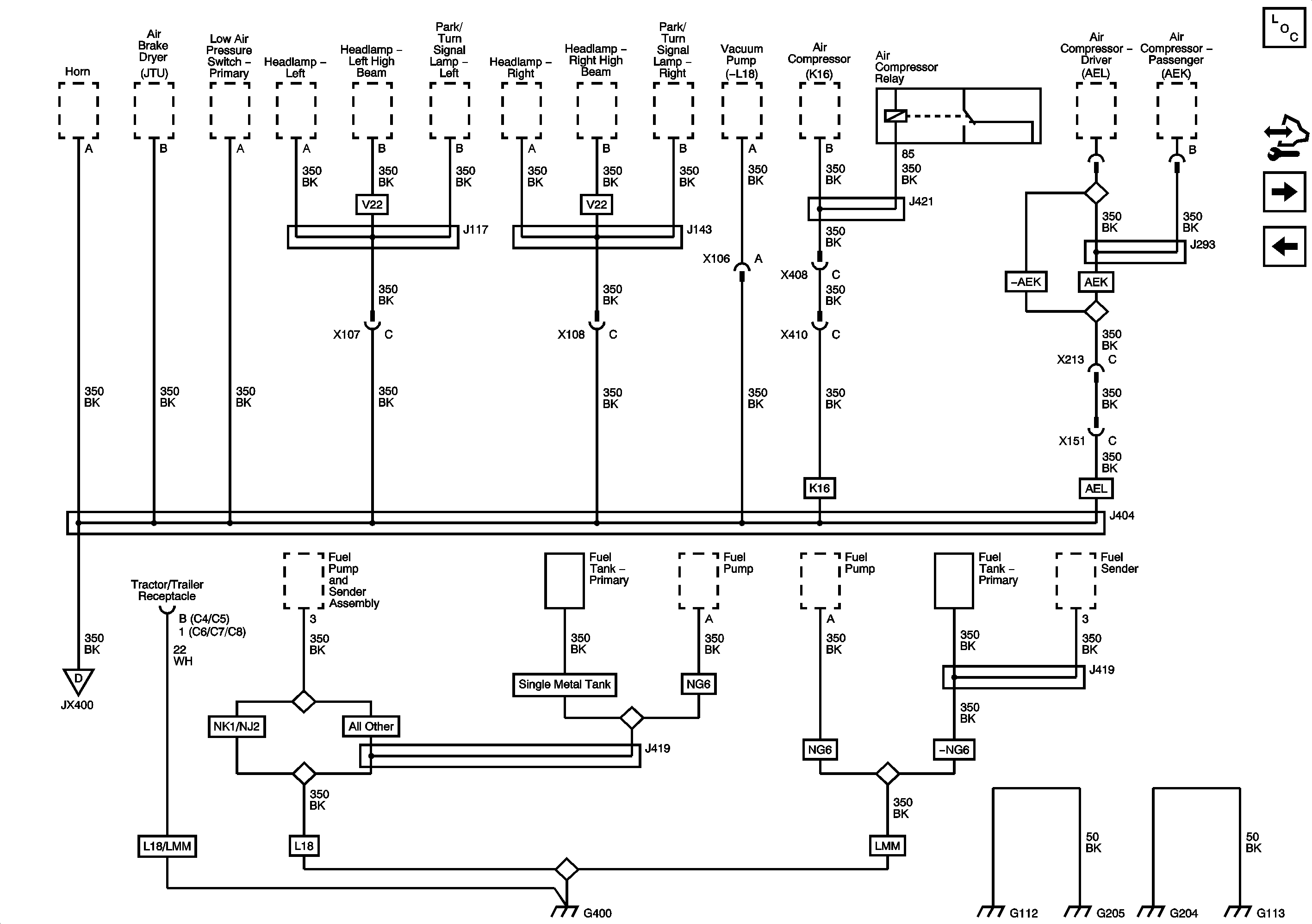
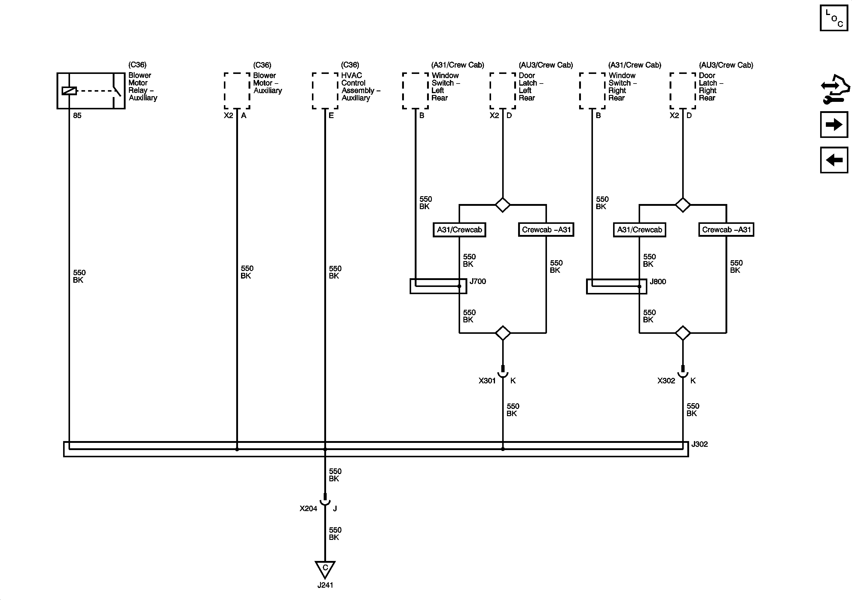
G112, G113, G203 - 4 of 4, G204, G205, and G400


Object Number: 2076520  Size: FS