GM Service Manual Online
For 1990-2009 cars only
Figure 1:

Ground Zones


Object Number: 1326821  Size: LF
(1)G202/G200
(2)G102
(3)G103
(4)G205
(5)G203
(6)G106
(7)G400 (C4/C5)
(8)G400 (C6/C7/C8)
(9)G400 (LF6/LF8)
(10)G204
(11)G112
(12)G105
(13)G101
(14)G100 (LF6)
(15)G100 (RH Side of Engine Block - LMM)
Figure 2:

C137


Object Number: 1964535  Size: LF
(1)Particulate Trap Differential (PTD) Pressure Sensor (LF6)
(2)C137
Figure 3:

C103


Object Number: 1964530  Size: LF
(1)C103
(2)Particulate Trap Differential (PTD) Pressure Sensor (4WD)
(3)Particulate Trap Differential (PTD) Pressure Sensor (2WD)
Figure 4:

Forward Lamp Harness - Left/Right Routing - V22 Shown, GRW Similar


Object Number: 1593957  Size: LF
(1)J144
(2)Core Support
(3)Left Hand Frame Rail
(4)J117
(5)X107 (5 cavities) Chassis Harness to Forward Lamp Harness - Left
(6)X108 (5 cavities) Chassis Harness to Forward Lamp Harness - Right
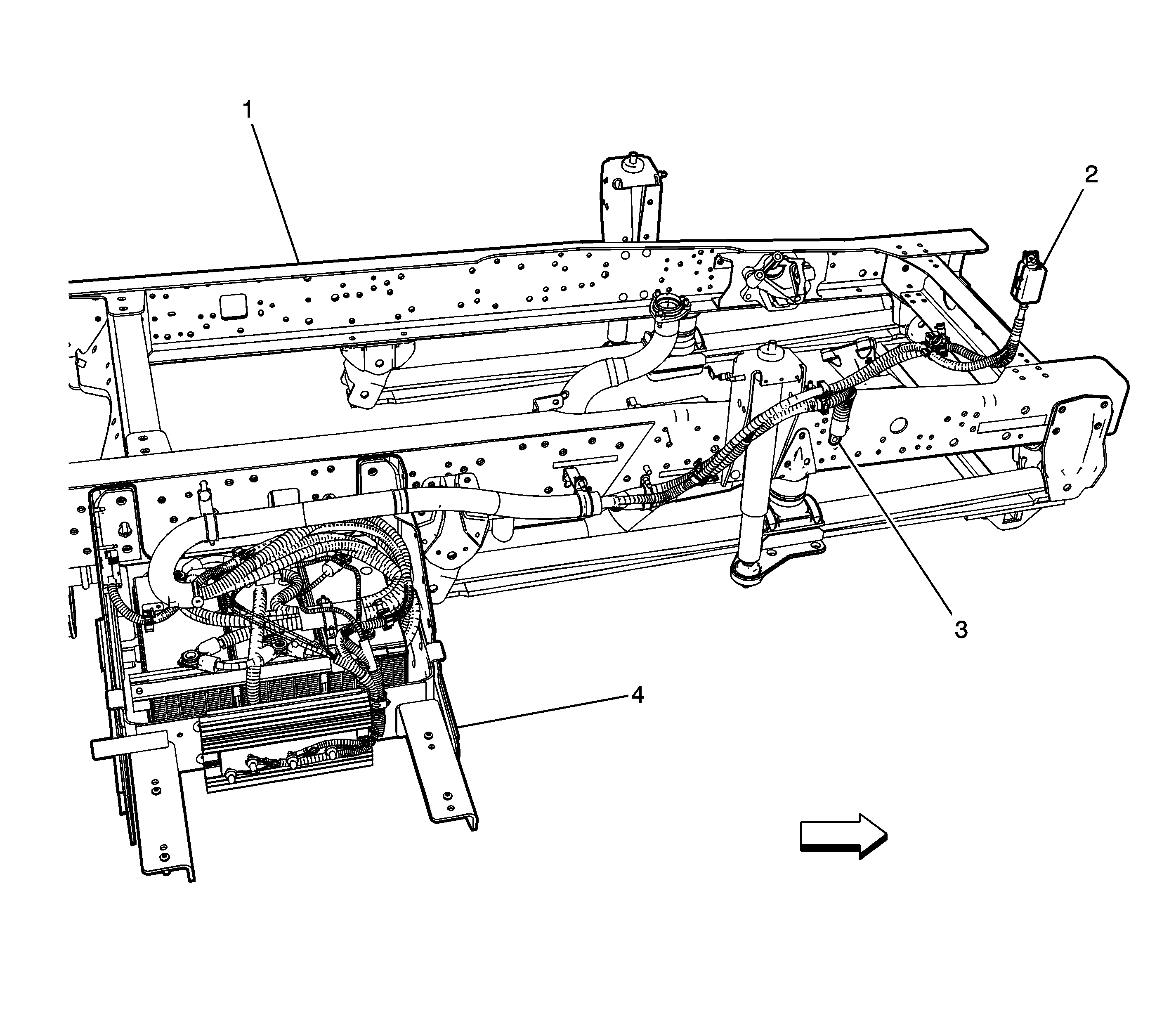
(7)J143
Figure 5:

Exhaust Brake Harness - K40/NPE


Object Number: 1559010  Size: LF
(1)Radiator Fan Shroud
(2)Exhaust Brake Relay (K40/NPE w/o LLY)
(3)C104 (6 cavities - LG4/LG5/LLY) Engine Chassis Harness to the Exhaust Brake Harness
(4)Exhaust Brake Harness (K40/NPE)
(5)Exhaust Brake Actuator Control Solenoid Valve (K40/NPE)
(6)Exhaust Throttle
(7)Exhaust Brake Actuator (K40/NPE)
Figure 6:

Chassis Front Engine Compartment


Object Number: 1558088  Size: LF
(1)X108 (5 cavities) Chassis Harness to the Forward Lamp Harness - Right
(2)X106 (6 cavities - C4/C5, 12 cavities - C6/C7/C8) Radiator Harness to the Chassis Harness
(3)G100
(4)Wheel Speed Sensor (WSS) - Right Front Connector
(5)X100 (30 cavities) Chassis Harness to the Engine Harness
(6)X126 (40 cavities) Chassis Harness to I/P Harness
(7)Brake Fluid Level Switch (JE3)
(8)Power Brake (P/B) Booster Fluid Flow Switch (JE3)
(9)Hydromax® Relay (JE3)
(10)X410 (3 cavities) Chassis Harness to Air Compressor Harness (K16)
(11)Wheel Speed Sensor (WSS) - Left Front Connector
(12)Electronic Brake Control Module (EBCM) Connector
(13)X107 (5 cavities) Chassis Harness to Forward Lamp Harness - Left
Figure 7:

A/C Harness Routing - LMM Shown, Others Similar


Object Number: 1593953  Size: LF
(1)A/C Accumulator/Dehydrator
(2)X105 Engine Harness to A/C Harness
(3)A/C Compressor Clutch Diode
(4)A/C Compressor Clutch Relay
Figure 8:

A/C Compressor Harness - L18 Shown, Others Similar


Object Number: 1557644  Size: LF
(1)A/C Compressor Harness
(2)A/C High Pressure Switch Connector
(3)A/C Compressor
(4)J148 Splice
(5)A/C Compressor Clutch Diode
(6)A/C Compressor Clutch Connector
(7)Engine Harness
(8)J147 Splice
(9)A/C Compressor Clutch Relay
(10)A/C Low Pressure Switch Connector
Figure 9:

LMM Connectors X118 and X119


Object Number: 1195994  Size: LF
(1)X118 (40 cavities) Engine Harness to the Engine Chassis Harness
(2)X119 (40 cavities) Engine Harness to the Engine Chassis Harness
Figure 10:

Battery Cable Harness Routing (L18/TNL/TNN)


Object Number: 1593954  Size: LF
(1)Left Hand Frame Rail
(2)Junction Block - Underhood
(3)G100
(4)Battery Box
Figure 11:

Back Right of the Engine Compartment (L18)


Object Number: 822091  Size: LF
(1)X101
(2)X124
(3)Engine Harness
(4)X124
(5)I/P Harness
(6)X101
Figure 12:

Engine Chassis Harness - 1 of 2 (LMM)


Object Number: 1807009  Size: LF
(1)X121
(2)J163
(3)J114
(4)To Underhood Junction Block
(5)J118
(6)Fuse Block - Underhood (Primary)
(7)Engine Control Module X2
(8)Engine Control Module X1
(9)Transmission Control Module (TCM)
(10)Mass Aif Flow/ Intake Air Temperature (MAF/IAT) Sensor
(11)X105
(12)Starter
(13)Turbine Shaft Speed (TSS) Sensor Connector
(14)J166
(15)Vehicle Speed Sensor (VSS) Connector
(16)X175
(17)X100
(18)X102
(19)X124
(20)X101
(21)J107
(22)J121
(23)J102
(24)J101
(25)J103
(26)J100
(27)J120
Figure 13:

Engine Chassis Harness - 2 of 2 (LMM)


Object Number: 1807012  Size: LF
(1)Fuse Block - Underhood (Primary)
(2)J110
(3)X119
(4)X175
(5)X118
(6)J105
(7)J106
Figure 14:

Engine Harness (LMM)


Object Number: 1808808  Size: LF
(1)X134
(2)X133
(3)X119
(4)X118
(5)X113
Figure 15:

Right Side of Engine (LF6)


Object Number: 1877859  Size: LF
(1)X105
(2)Fuse Block - Primary
(3)X102
(4)X121
(5)X109
(6)X101
(7)X100
Figure 16:

Left Side of Engine (LF6)


Object Number: 1877848  Size: LF
(1)X120
(2)Engine Control Module (ECM) X1
(3)Transmission (MWE)
(4)X137
(5)X115
Figure 17:

Engine Splices (LF6)


Object Number: 1877984  Size: LF
(1)J115
(2)J114
(3)J110
(4)J129
(5)J102
(6)J108
(7)J109
(8)J116
(9)J333
(10)J101
(11)J118
(12)J110
(13)J151
(14)J152
(15)J153
(16)J154
Figure 18:

Right Rear Side of Engine Compartment (LF8)


Object Number: 1877844  Size: LF
(1)X109
(2)Fuse Block - Primary
(3)X121
(4)X127
(5)X101
(6)X100
Figure 19:

Front Right Side of Engine Compartment (LF8)


Object Number: 1877841  Size: LF
(1)Engine - LF8
(2)X105
(3)Glow Plug Relay
(4)X111
(5)X125
(6)X102
(7)Transmission Control Module (TCM)
(8)Engine Control Module (ECM)
Figure 20:

Left Side of Engine (LF8)


Object Number: 1877494  Size: LF
(1)X122
(2)Manifold Absolute Pressure (MAP) Sensor
(3)X123
(4)Engine Control Module (ECM) X2
(5)Intake Manifold Temperature (IMT) Sensor
(6)Fuel Temperature Sensor
(7)Suction Control Valve (SCV)
(8)Crankshaft Position (CKP) Sensor
(9)G100
(10)Oil Level Switch
(11)X111
(12)Fuel Rail Pressure (FRP) Sensor
(13)Water in Fuel Sensor
(14)Glow Plug Control Module
(15)Exhaust Gas Recirculation (EGR) Valve
Figure 21:

Front of Engine (LF8)


Object Number: 1877652  Size: LF
(1)Exhaust Gas Recirculation (EGR) Cooler Temperature Sensor 1
(2)Throttle Body
(3)X129
(4)Exhaust Gas Recirculation (EGR) Cooler Temperature Sensor 2
(5)Engine Coolant Temperature (ECT) Sensor
Figure 22:

Front of Engine Compartment (LF8)


Object Number: 1877839  Size: LF
(1)J101
(2)J118
(3)J171
(4)J110
(5)J159
(6)J102
(7)J161
(8)J162
(9)J233
(10)J100, J152
(11)J151
(12)J195
(13)J121
(14)J115
(15)J104
(16)X175
(17)X103
(18)J193
(19)J163
(20)J114
Figure 23:

Body/Roof Harness Routing - w/o Crew Cab


Object Number: 1593956  Size: LF
(1)Cab Panel
(2)X203 (16 cavities) I/P Harness to Body/Roof Harness
(3)J324
(4)Floor Panel
(5)X315 (2 cavities) Console Harness to Body/Roof Harness
Figure 24:

Body/Roof Harness Routing - Crew Cab


Object Number: 1593955  Size: LF
(1)X301 (12 cavities) Body/Roof Harness to Rear Door Harness - Left
(2)J302
(3)J325
(4)J326
(5)X203 I/P Harness to Body/Roof Harness
(6)J324
(7)J312
(8)J310
(9)J308
(10)J322
(11)J335
(12)X302 (12 cavities) Body/Roof Harness to Rear Door Harness - Right
(13)Floor Panel
(14)Blower Motor Relay - Auxiliary (C36)
Figure 25:

I/P Harness 1 of 3


Object Number: 1559694  Size: LF
(1)J261
(2)J232
(3)J264
(4)J259
(5)J217
(6)J204
(7)J252
(8)J223
(9)J202
(10)J412
(11)J220
(12)J203
(13)J222
(14)J253
(15)J230
(16)X206 (4 cavities) I/P Harness to the Body/Roof Harness
(17)G101
(18)Park Brake Switch Connector (C4/C5 and JE3) or X210 (2 cavities) I/P Harness to the Park Brake Harness (C6/C7/C8 and JE3)
(19)X203 (16 cavities) I/P Harness to Body/Roof Harness
(20)J240
Figure 26:

I/P Harness 2 of 3


Object Number: 1559700  Size: LF
(1)JP203 (12 cavities)
(2)X209 (3 cavities - Crew Cab) Body/Roof Harness to the I/P Harness
(3)J249
(4)J219
(5)J211
(6)J222
(7)J213
(8)J200
(9)J212
(10)J273
(11)J274
(12)J214
(13)J255
(14)J245
(15)X202 (30 cavities) I/P Switchbank Harness to the I/P Harness
(16)J210
(17)Data Link Connector (DLC)
(18)J216
(19)X201 (48 cavities) Steering Column Harness to the I/P Harness
(20)J207
Figure 27:

I/P Harness 3 of 3


Object Number: 1559702  Size: LF
(1)Fuse Block - Underhood (Secondary)
(2)X207 (30 cavities) I/P Harness to Cross Body Harness
(3)X109 (40 cavities - LF6/LF8) Engine Chassis Harness to the I/P Harness
(4)X101 (30 cavities) I/P Harness to the Engine Chassis Harness
(5)J269
(6)J218
(7)J260
(8)Junction Block - Underhood Ring Terminal
Figure 28:

I/P Switchbank Harness


Object Number: 1559703  Size: LF
(1)J251
(2)J236
(3)J285
(4)J239
(5)J900
(6)J258
(7)X202 (30 cavities) I/P Switchbank Harness to the I/P Harness
(8)J235
Figure 29:

Cross Body Harness - Left


Object Number: 1559143  Size: LF
(1)X208 (6 cavities) Cross Body Harness to the Stop Lamp Switch Harness
(2)Clutch Pedal Position (CPP) Switch
(3)X211 (22 cavities) Door Harness - Driver to the Cross Body Harness
(4)Cross Body Harness
Figure 30:

Cross Body Harness - Right


Object Number: 1559155  Size: LF
(1)J219
(2)J300
(3)J506
(4)J500
(5)X212 (22 cavities) Door Harness - Passenger to the Cross Body Harness
(6)G103
(7)X207 (30 cavities) I/P Harness to the Cross Body Harness
Figure 31:

Console Harness


Object Number: 1559802  Size: LF
(1)Console
(2)X315 (2 cavities) Console Harness to the Body/Roof Harness
Figure 32:

Park Brake Harness - C6/C7/C8 and JE3


Object Number: 1559807  Size: LF
(1)X210 (2 cavities) I/P Harness to the Park Brake Harness
(2)Park Brake Assembly
(3)Floor Panel
Figure 33:

Door Harness - Driver 1 of 2


Object Number: 1559020  Size: LF
(1)Window Motor - Driver (A31)
(2)X211 (22 cavities) Door Harness - Driver to the Cross Body Harness
(3)X215 (8 cavities) Door Harness - Driver to the Mirror Harness
(4)X217 (8 cavities) Door Harness - Driver to the Cross Body Harness
(5)Door Latch Assembly - Driver Connector X2 (4 cavities - AU3)
(6)Door Latch Assembly - Driver (2 cavities - w/o AU3) or Door Latch Assembly - Driver Connector X1 (2 cavities - AU3)
Figure 34:

Door Harness - Driver 2 of 2


Object Number: 1559022  Size: LF
(1)J503
(2)J504
(3)J505
(4)J500
(5)J502
(6)J501
(7)Door Lock Switch - Driver (AU3) and Window Switch - Driver (A31/Crew Cab)
(8)Speaker - Left Front Tweeter (ZQ2)
(9)Outside Rearview Mirror Switch (DB6)
Figure 35:

Door Harness - Passenger 1 of 2


Object Number: 1559015  Size: LF
(1)Door Latch Assembly - Passenger (2 cavities - w/o AU3) or Door Latch Assembly - Passenger Connector X1 (2 cavities - AU3)
(2)Door Latch Assembly - Passenger Connector X2 (4 cavities - AU3)
(3)X216 (8 cavities) Door Harness - Passenger to the Mirror Harness
(4)X212 (22 cavities) Door Harness - Passenger to the Cross Body Harness
(5)Window Motor - Passenger (A31)
Figure 36:

Door Harness - Passenger 2 of 2


Object Number: 1559018  Size: LF
(1)J608
(2)J604
(3)J603
(4)J604
(5)J602
(6)Door Lock Switch - Passenger (AU3) and Window Switch - Passenger (A31/Crew Cab)
(7)Speaker - RF Tweeter (ZQ2)
Figure 37:

Chassis Harness Middle Right Frame Rail - Crew Cab Shown, Others Similar


Object Number: 1818384  Size: LF
(1)J431
(2)J430
(3)X409
(4)J319
(5)Splice Pack JX400
(6)J402
(7)X305 - Upfitter Lighting Connector
Figure 38:

Chassis Harness Right Rear Frame Rail


Object Number: 1558182  Size: LF
(1)X412 (8 cavities) Tail Lamp Harness to the Chassis Harness (w/o UZF) or X413 (8 cavities) Tail Lamp Harness to the Backup Alarm Harness (UZF)
(2)Wheel Speed Sensor (WSS) Connector - Rear Right
(3)X409 (8 cavities) Fuel Tank Harness to the Chassis Harness
Figure 39:

Chassis Harness, Rear of Vehicle (JE4)


Object Number: 1861730  Size: LF
(1)Chassis Harness
(2)X406
(3)X401
(4)ABS Harness
Figure 40:

Air Compressor (K16), Fuel Tanks and Trailer Connector (RQ2 and U86 or RQ3)


Object Number: 1014827  Size: LF
(1)Splice Pack JX400 (Ground Block)
(2)X409 (8 cavities) Fuel Tank Harness to the Chassis Harness
(3)Fuel Pump (FP) Relay
(4)Fuel Sender - Secondary
(5)Fuel Tank Transfer Pump - Secondary
(6)Trailer Connector (RQ2 and U86 or RQ3)
(7)X410 (3 cavities - K16) Chassis Harness to the Air Compressor Harness
(8)Air Compressor Connector (K16)
(9)Air Compressor Relay (K16)
(10)Air Compressor (K16)
(11)Fuel Sender - Primary
Figure 41:

Fuel Tank Harness Routing (L18/NK1)


Object Number: 1594015  Size: LF
(1)Right Hand Frame Rail
(2)X409 (8 cavities) Fuel Tank Harness to the Chassis Harness
(3)G408
(4)X406 (4 cavities - HPZ/HR1/HR2) Chassis Harness to the Rear Axle Harness
(5)Fuel Tank
Figure 42:

Fuel Sender Harness


Object Number: 1559707  Size: LF
(1)J418
(2)J407
(3)X420 Fuel Sender Harness to Chassis Harness
(4)J420
(5)G400
(6)Fuel Tank - Secondary
(7)J408
(8)Fuel Tank - Primary
Figure 43:

Tail Lamp Harness and Backup Alarm Harness - UZF


Object Number: 953510  Size: LF
(1)Backup Alarm (UZF)
(2)J410
(3)X412 (8 cavities w/o UZF) Tail Lamp Harness to the Rear Chassis Harness or X413 (8 cavities UZF) Tail Lamp Harness to the Backup Alarm Harness
(4)Tail Lamp Assembly - Right
(5)J411
(6)Tail Lamp Assembly - Left
Figure 44:

I/P Harness - Left Rear Engine Compartment


Object Number: 2177209  Size: LF
(1)Park Brake Switch (JEA)
(2)Differential Lock Switch
(3)Windshield Wiper Motor
(4)X150
(5)X151 (AEL)
Figure 45:

Left Side of the I/P Harness


Object Number: 2177214  Size: LF
(1)Headlamp Swich
(2)Daytime Running Lights (DRL) Module
(3)JX203
(4)X275 (AJ3/AK5)
(5)Park Brake Switch (C4/C5 with JE3)(Foot Operated)
(6)Instrument Panel Cluster (IPC)
(7)X201
(8)Data Recorded Module (LF8)
(9)Daytime Running Lights (DRL) Diode
(10)Serial Data Gateway (SDG) Module (L18 with JE4, LF6/LF8)
(11)Accelerator Pedal Position (APP) Sensor
(12)Controller Area Network (CAN) Connector (L18 with LE4, LF6/LF8)
(13)Trigger Switch (LF8)
(14)Turn Signal/Hazard Flasher Module
(15)Chime Module (UL5/UXZ)
(16)X209
(17)X205
(18)X206
(19)X213
(20)X203
(21)X210 or X304
(22)G101
Figure 46:

Right Side of the I/P Harness


Object Number: 2177215  Size: LF
(1)Data Link Resistor 1
(2)Automatic Transmission Shift Lever (MD)
(3)Air Suspension Dump Switch (G40/G45/GSI)
(4)Radio
(5)HVAC Control Assembly X2 (C40/C60)
(6)Data Link Resistor 3
(7)Driver Information Center (DIC)
(8)Automatic Transmission Fluid Temperature (TFT) Gage (UXT)
(9)Air Brake Pressure Gage Lamp (LE4)
(10)Transfer Case Shift Control Switch (NP1)
(11)Inflatable Restraint I/P Module (AK5)
(12)Fuse Block - I/P 2
(13)X207
(14)X218
(15)Fuse Block - I/P 1
(16)Auxiliary Power Outlet 1
(17)Auxiliary Power Outlet 2
(18)X202
(19)Air Temperature Actuator (C60)
(20)HVAC Control Assembly X3 (C49)
(21)HVAC Control Assembly X1 (C40/C60)
(22)Data LInk Connector (DLC)
(23)Transfer Case Shift Control Module X3 (NP1)
(24)Transfer Case Shift Control Module X2 (NP1)
(25)Transfer Case Shift Control Module X1 (NP1)