GM Service Manual Online
For 1990-2009 cars only
Makes
🢒
Chevrolet
🢒
2009
🢒
Kodiak C-Series (Conventional) C6/C7/C8
🢒
Diagnostic Navigation
🢒
Vehicle Diagnostic Information
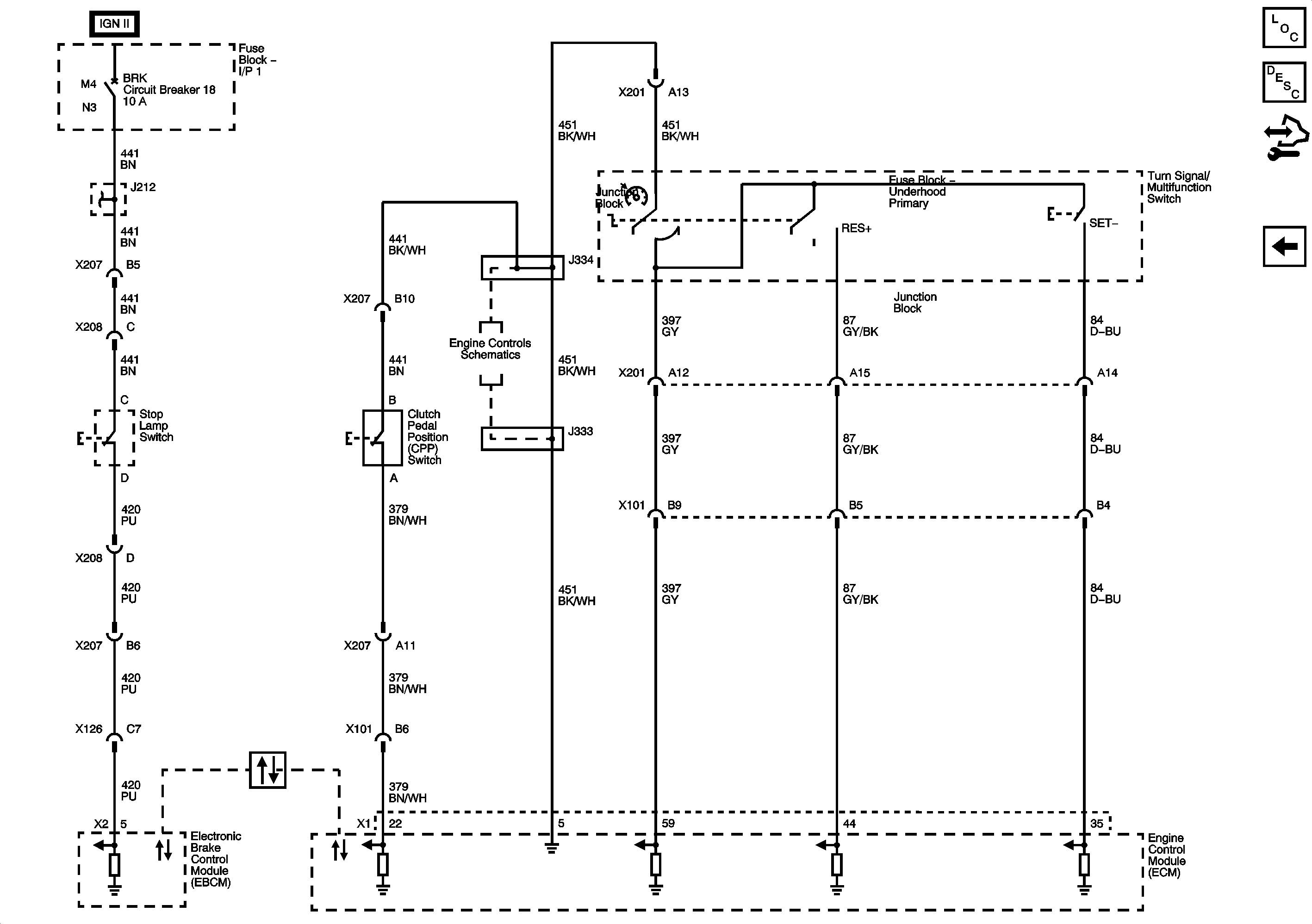
🢒 Cruise Control Schematics
Figure
1:
L18
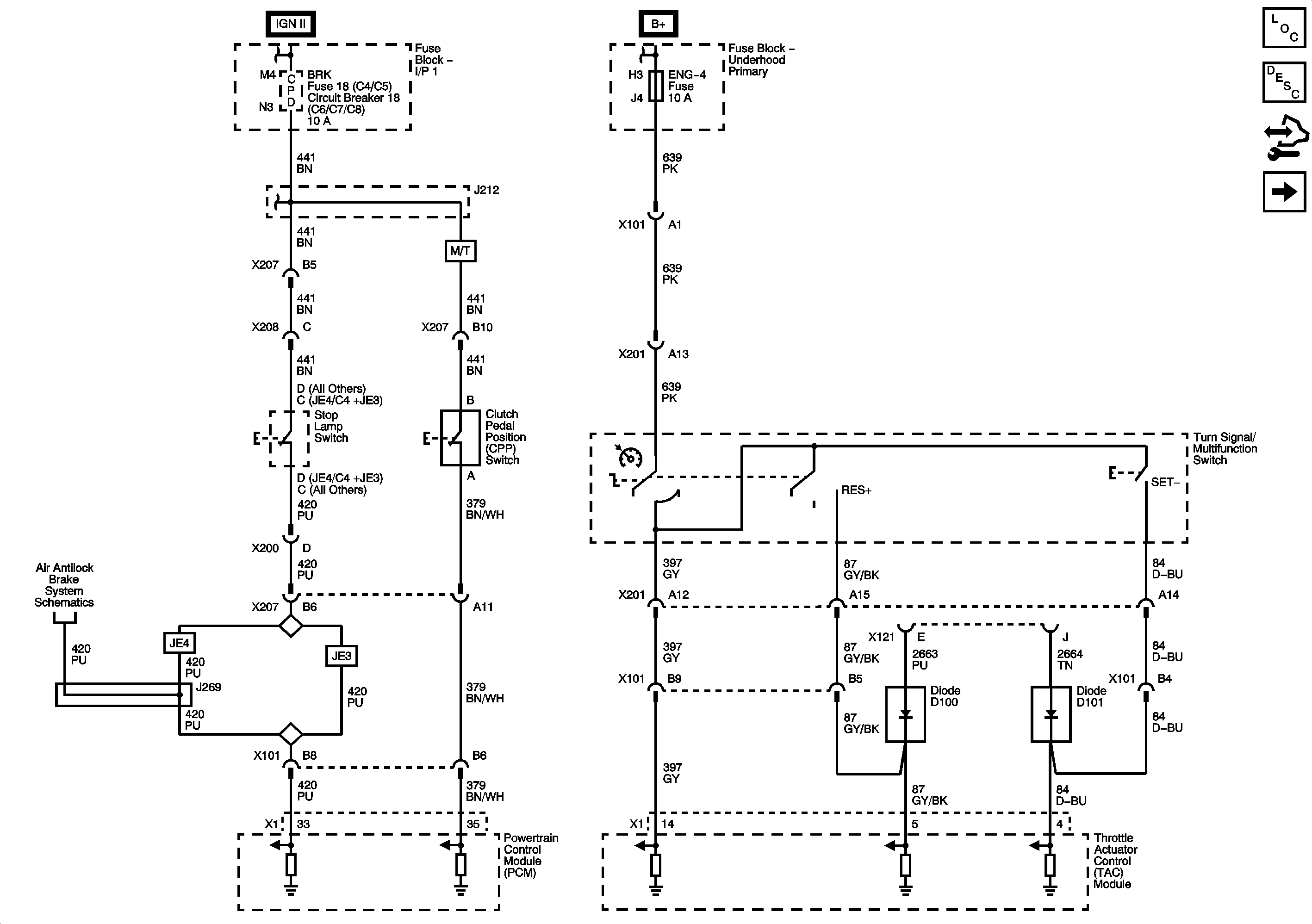
Figure
2:
LF8/LMM
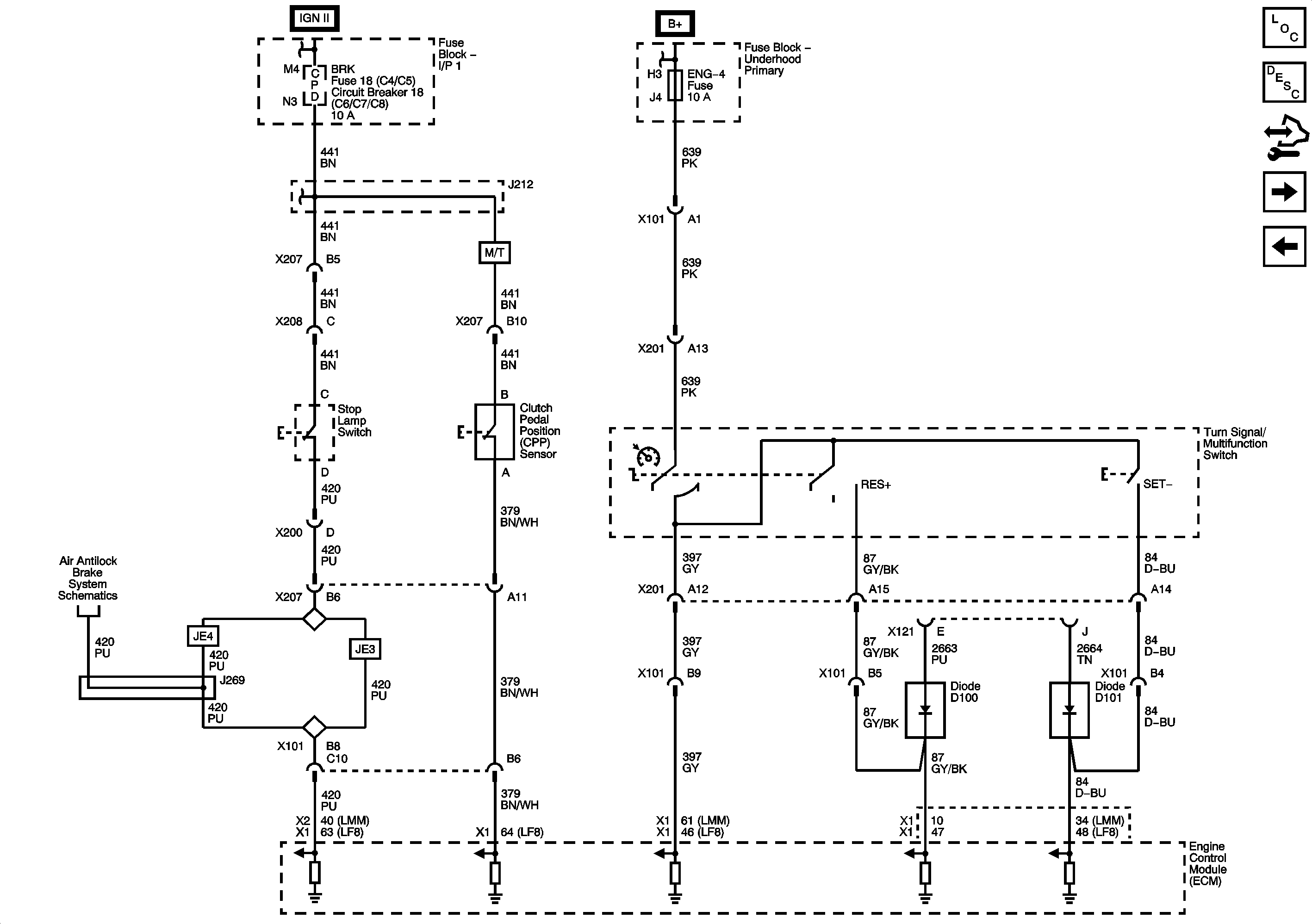
Figure
3:
LF6