GM Service Manual Online
For 1990-2009 cars only
Makes
🢒
Chevrolet
🢒
2009
🢒
Kodiak C-Series (Conventional) C6/C7/C8
🢒
Diagnostic Navigation
🢒
Vehicle Diagnostic Information
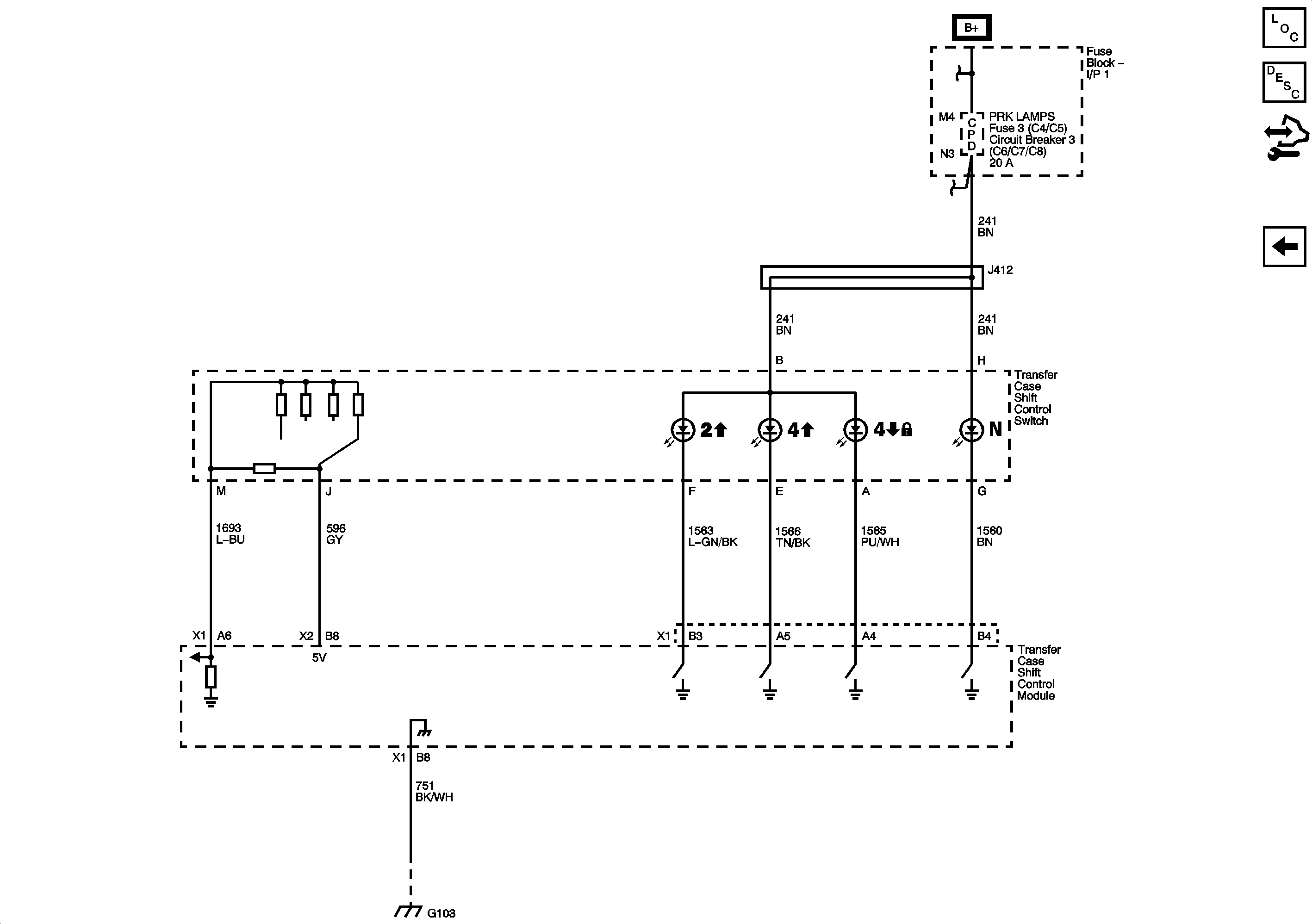
🢒 Transfer Case Control Schematics
Figure
1:
Power, Ground, Class 2 Serial Data, Transfer Case Shift Control Module and Transfer Case Encoder Motor
Figure
2:
Transfer Case Shift Control Switch Inputs