GM Service Manual Online
For 1990-2009 cars only
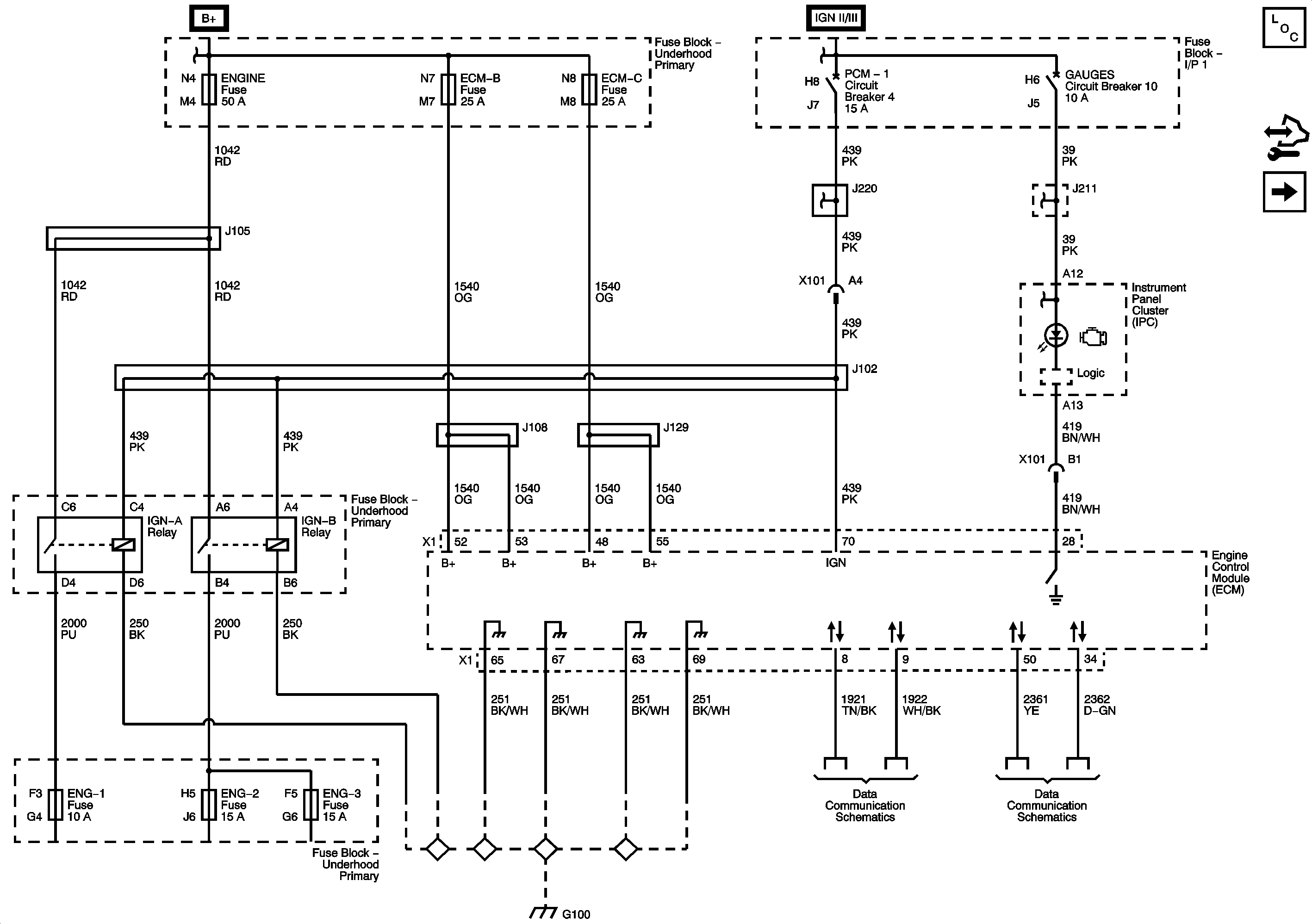
Figure 1:

Module Power, Ground, Serial Data, and MIL


Object Number: 2076227  Size: FS
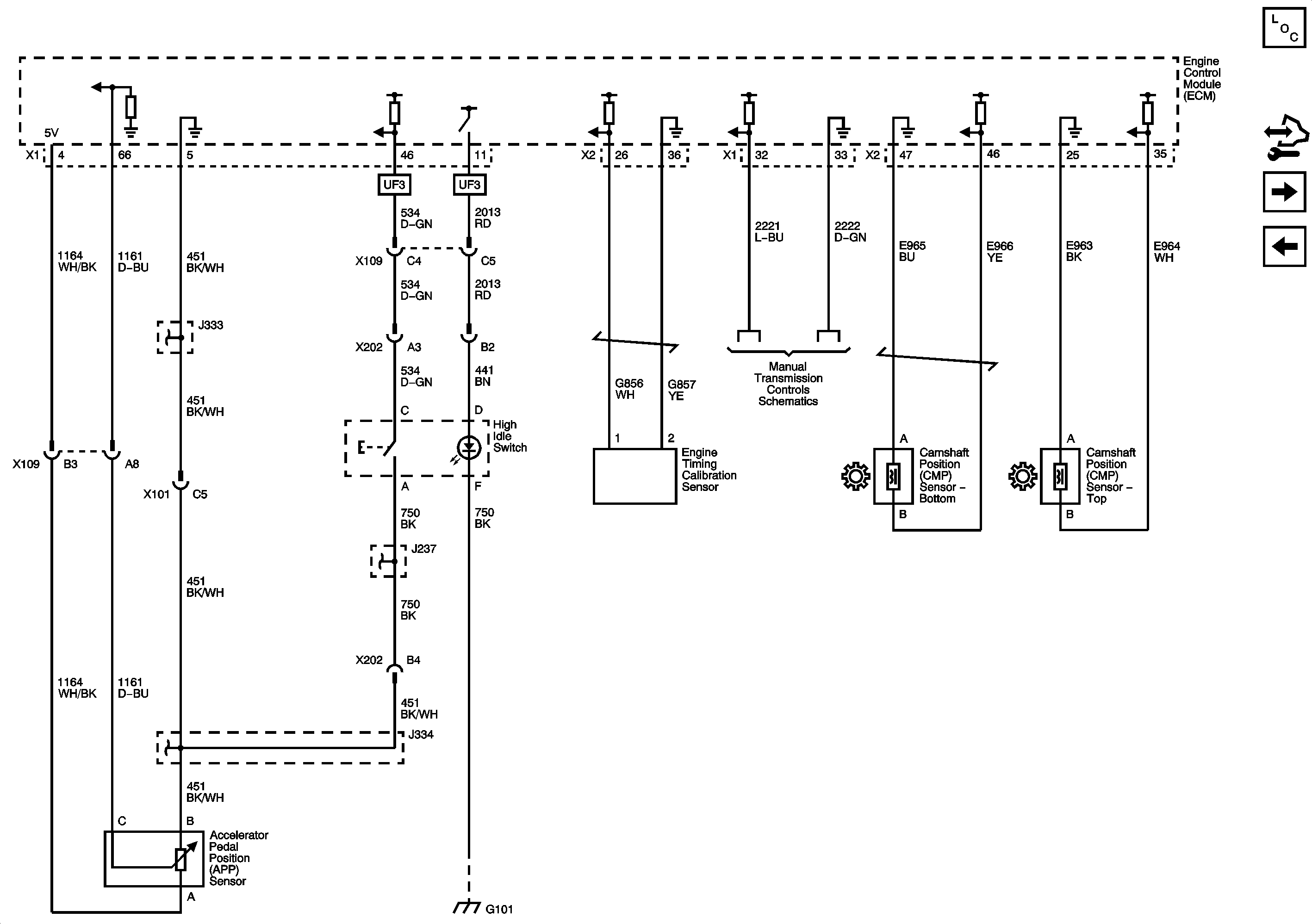
Figure 2:

Engine Data Sensors - 5-Volt and Low Reference 1 of 2


Object Number: 2076229  Size: FS
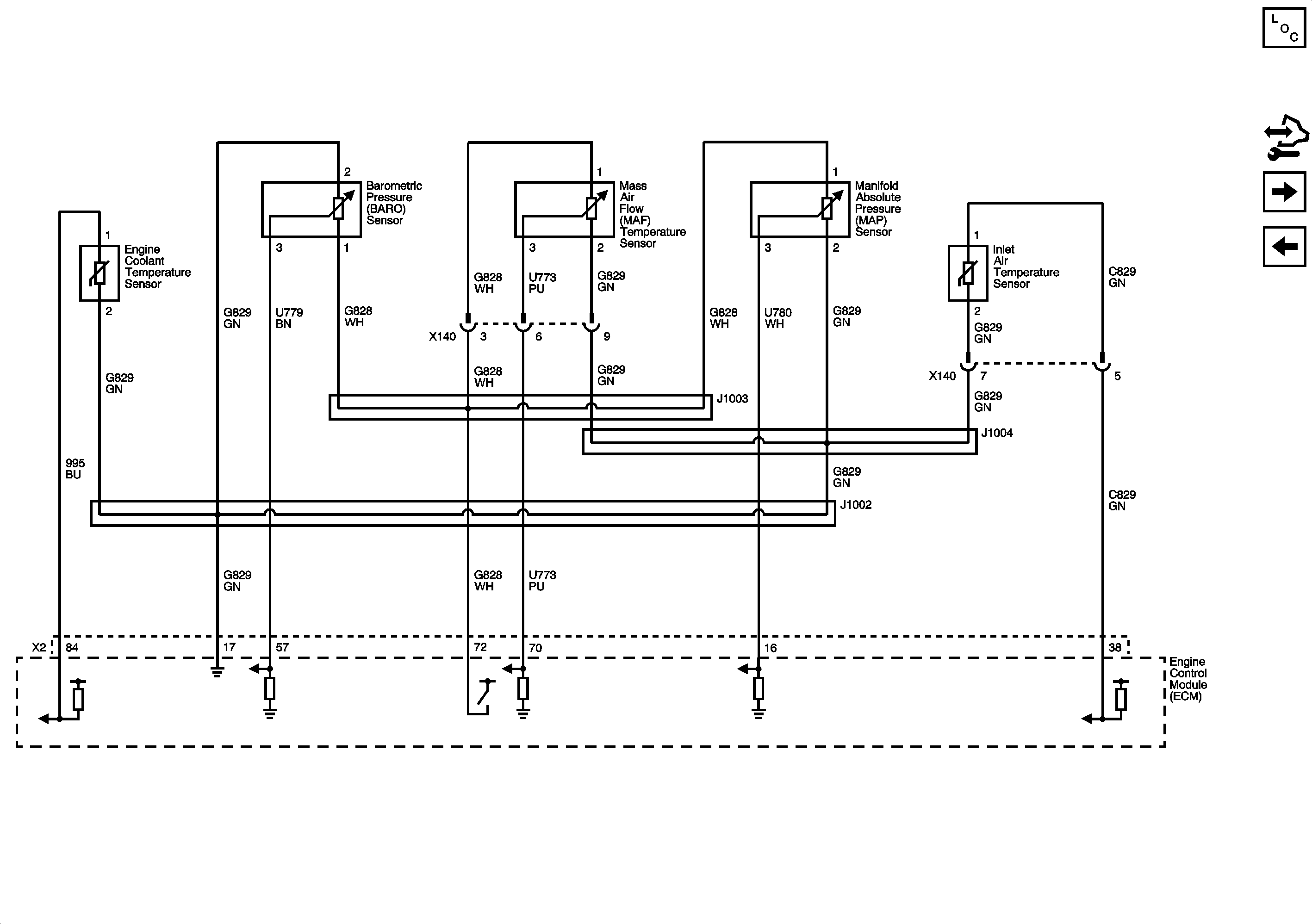
Figure 3:

Engine Data Sensors - Low Reference 2 of 2


Object Number: 2076231  Size: FS
Figure 4:

Engine Data Sensors - Pressure and Temperature 1 of 3


Object Number: 2076232  Size: FS
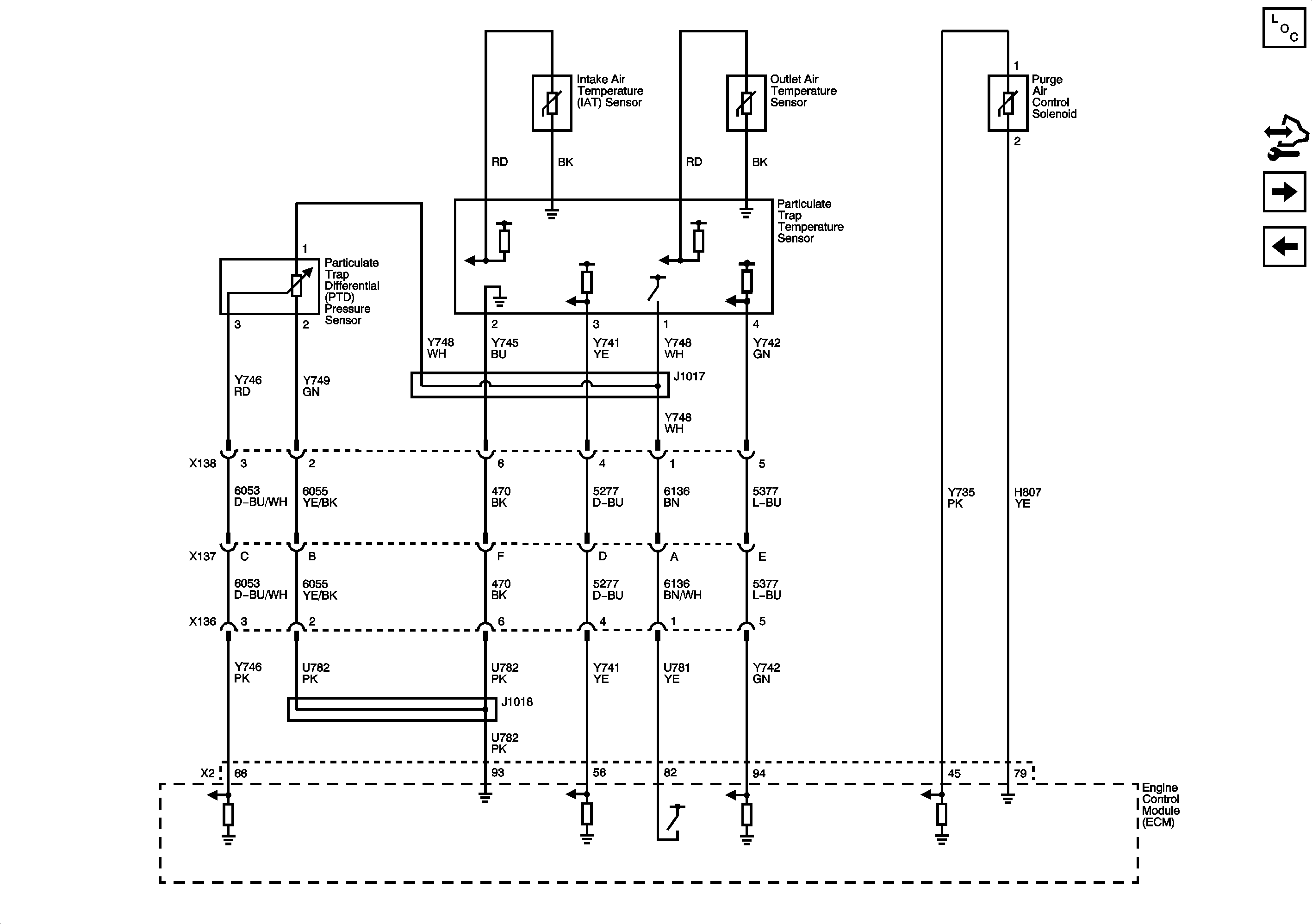
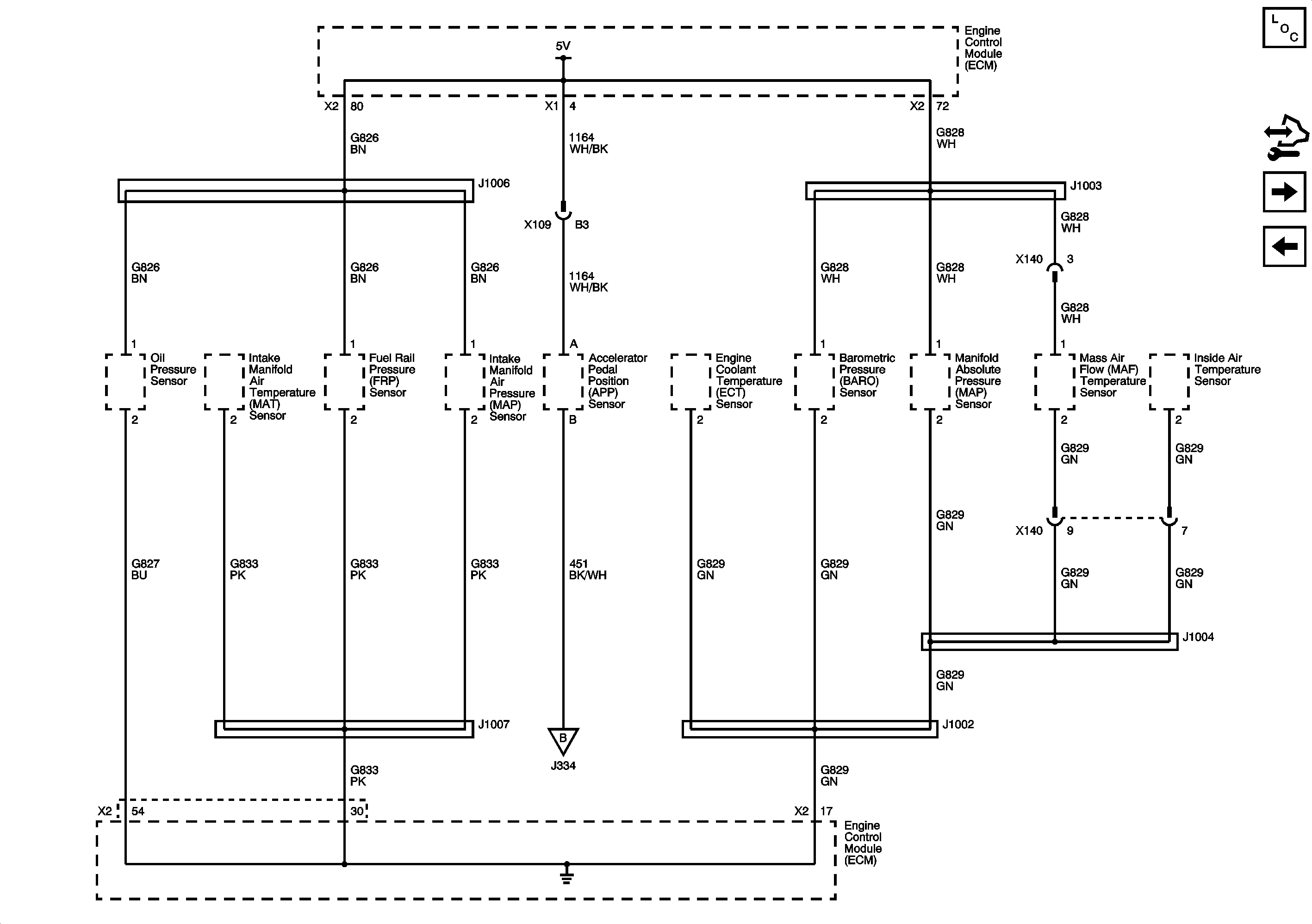
Figure 5:

Engine Data Sensors - Pressure and Temperature 2 of 3


Object Number: 2076234  Size: FS
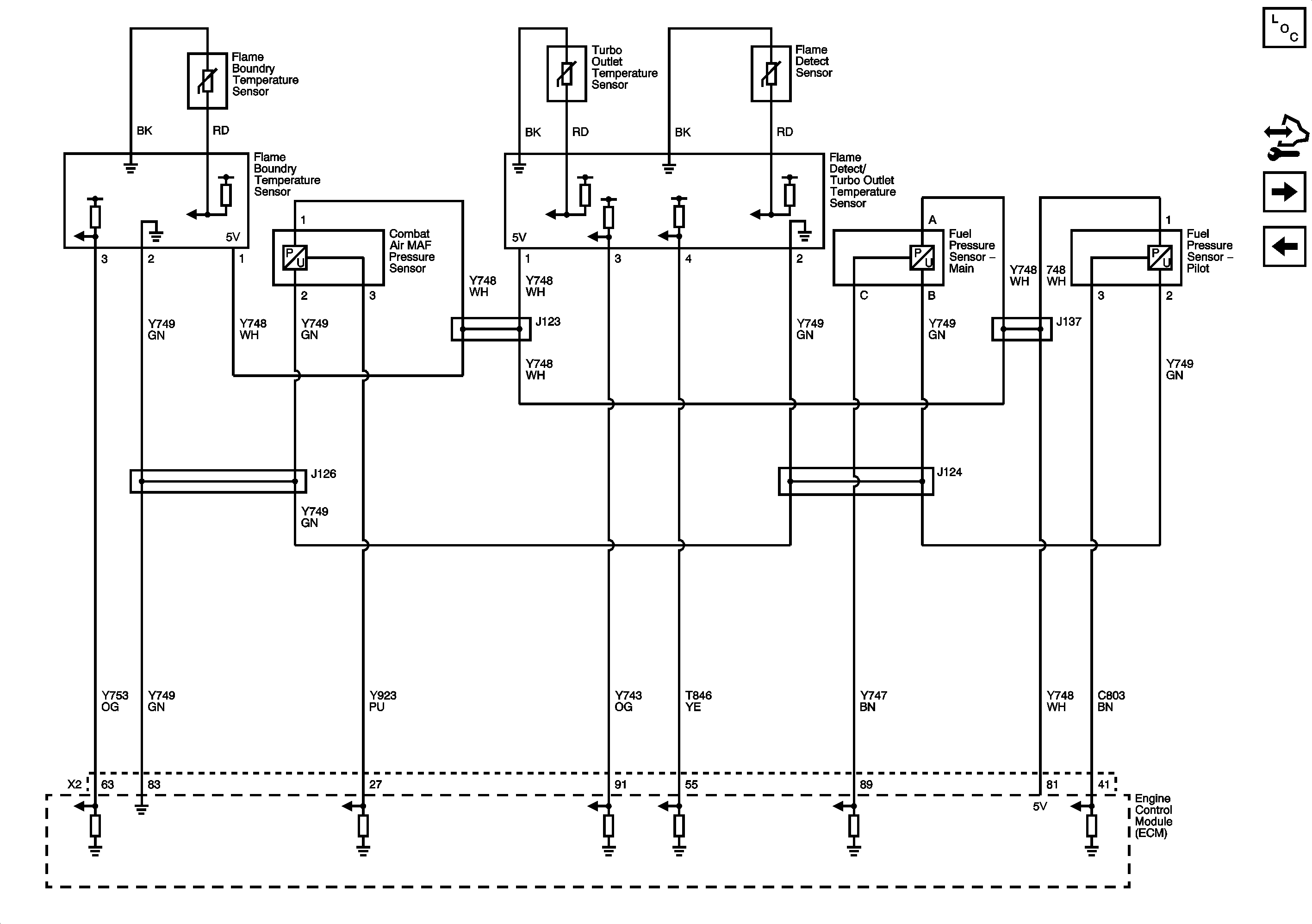
Figure 6:

Engine Data Sensors - Pressure and Temperature 3 of 3


Object Number: 2076235  Size: FS
Figure 7:

Engine Data Sensors - ARD Ignition Coil, and ARD Control Sensors 1 of 2


Object Number: 2076237  Size: FS
Figure 8:

Engine Data Sensors - ARD Control Sensors 2 of 2


Object Number: 2076239  Size: FS
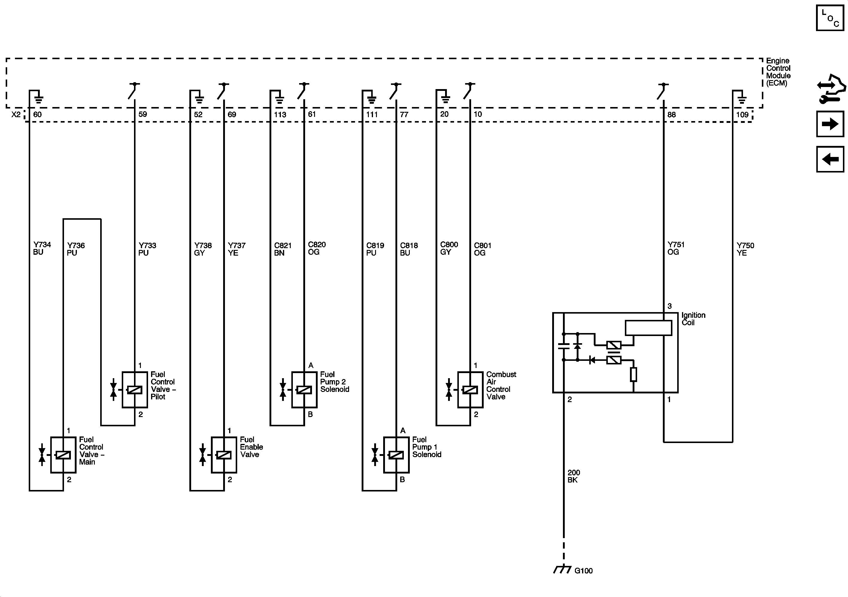
Figure 9:

Engine Data Sensors - Injection Timing Controls


Object Number: 2076240  Size: FS
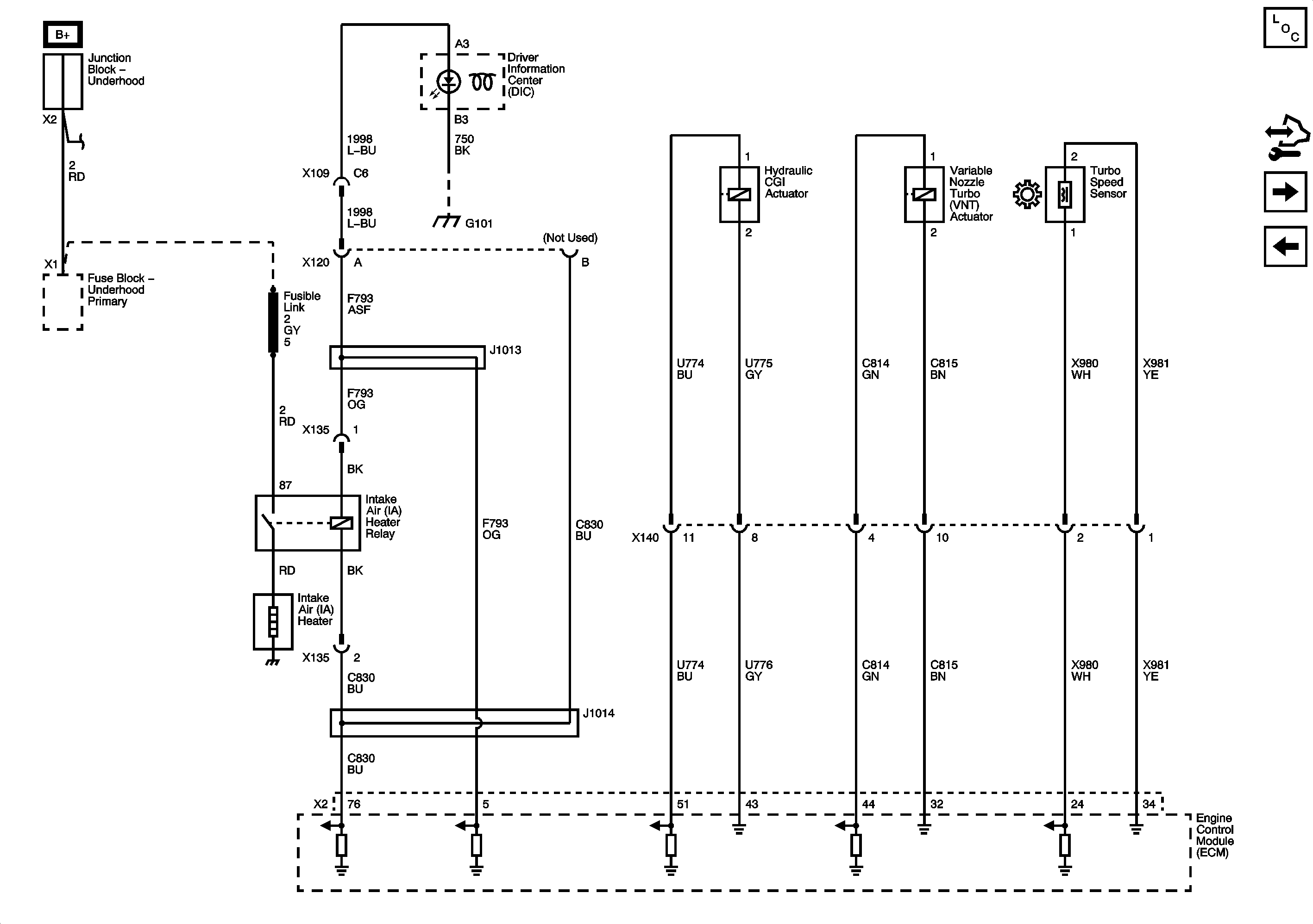
Figure 10:

Device Controls - Intake Air (IA) Heater, Turbo Control Sensors


Object Number: 2076241  Size: FS
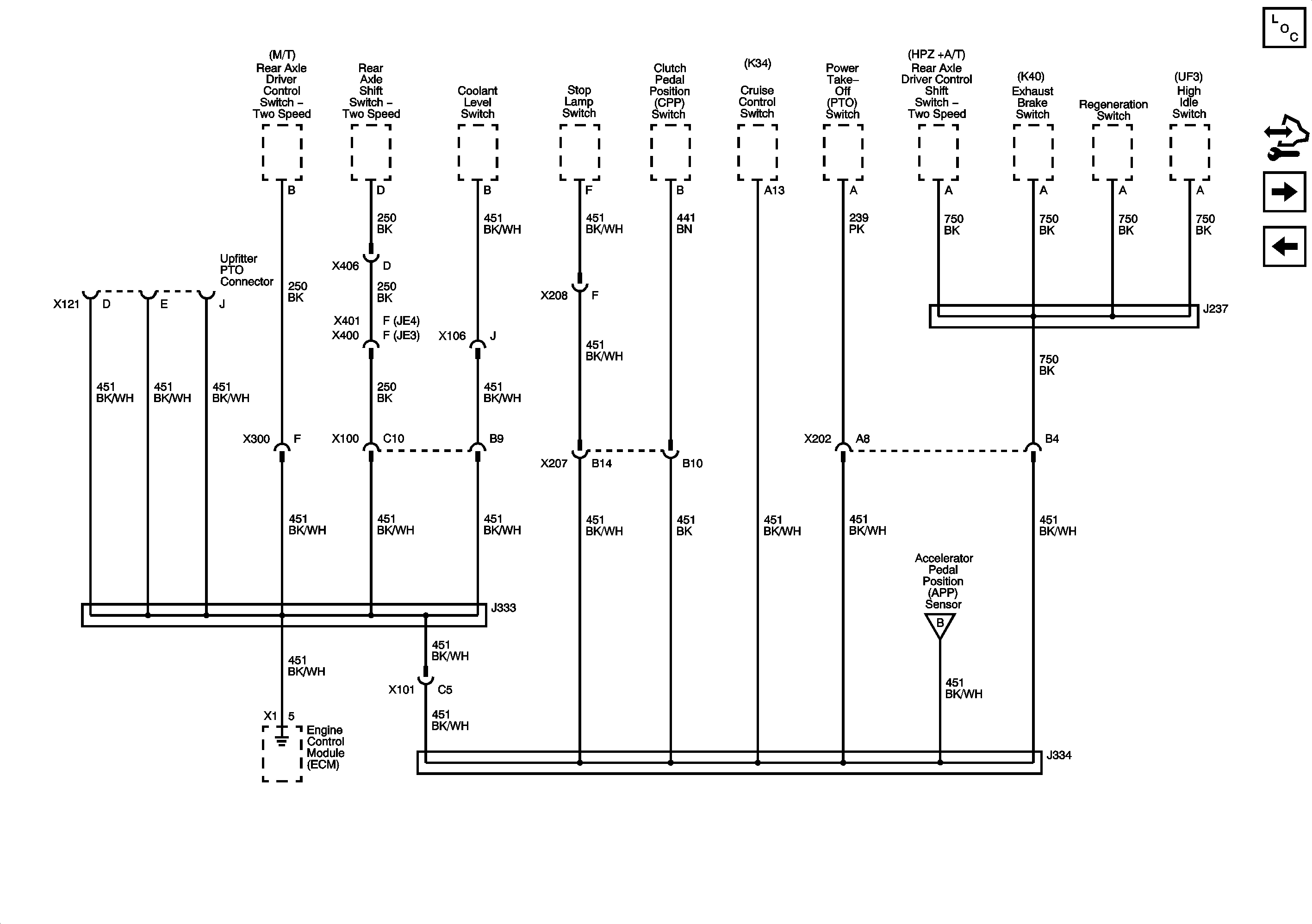
Figure 11:

Fuel Controls - Fuel Injectors


Object Number: 2076242  Size: FS
Figure 12:

Controlled/Monitored Subsystem References


Object Number: 2076244  Size: FS