GM Service Manual Online
For 1990-2009 cars only

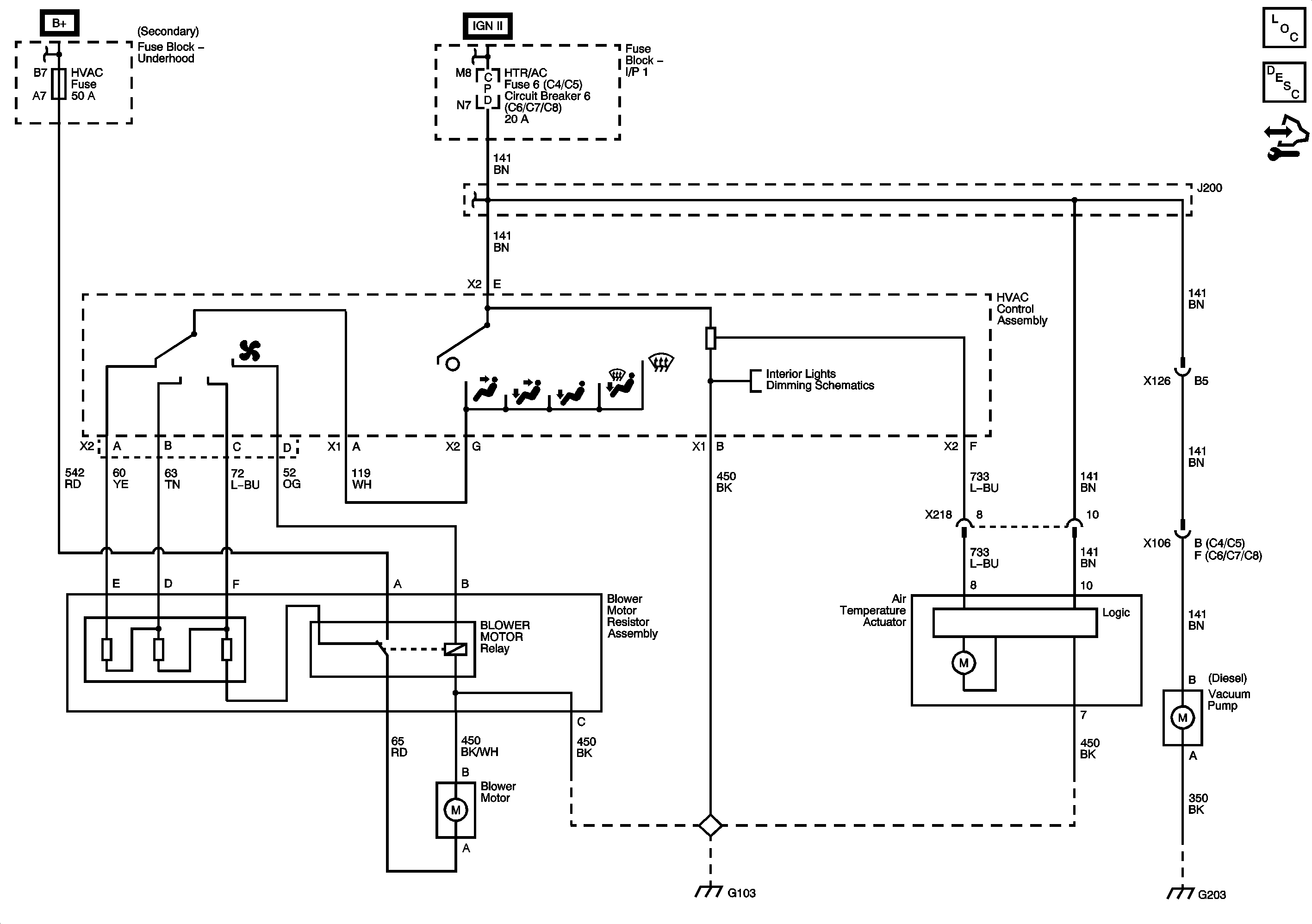
HVAC Schematics C36

C36


Object Number: 2076173  Size: FS

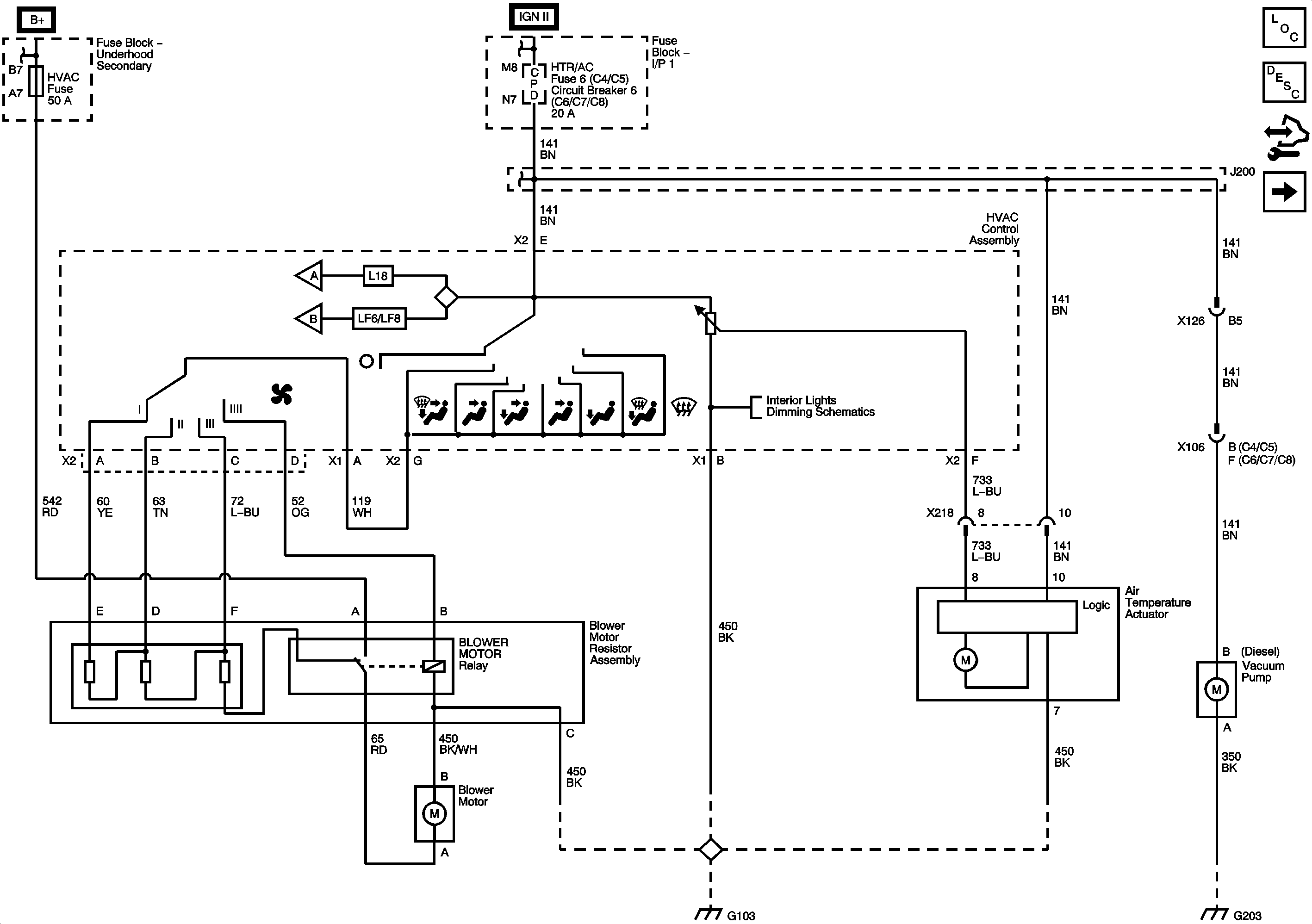
HVAC Schematics C60

Figure 1:

Blower Controls


Object Number: 2076174  Size: FS
Master Electrical Component List
Manual HVAC Description and Operation
Control Module References
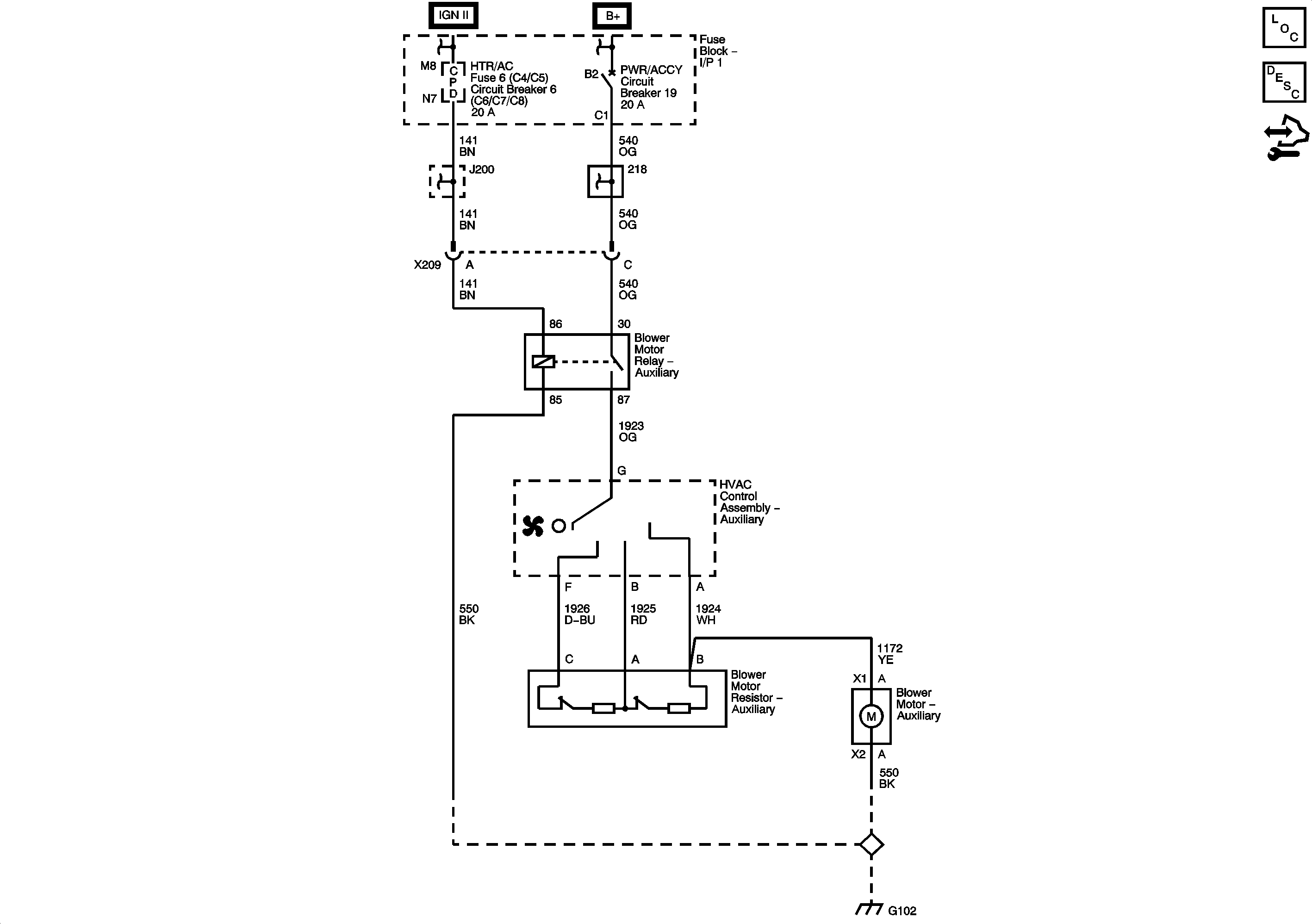
Figure 2:

A/C Compressor Controls - L18/LMM


Object Number: 2076175  Size: FS
Master Electrical Component List
Manual HVAC Description and Operation
Control Module References
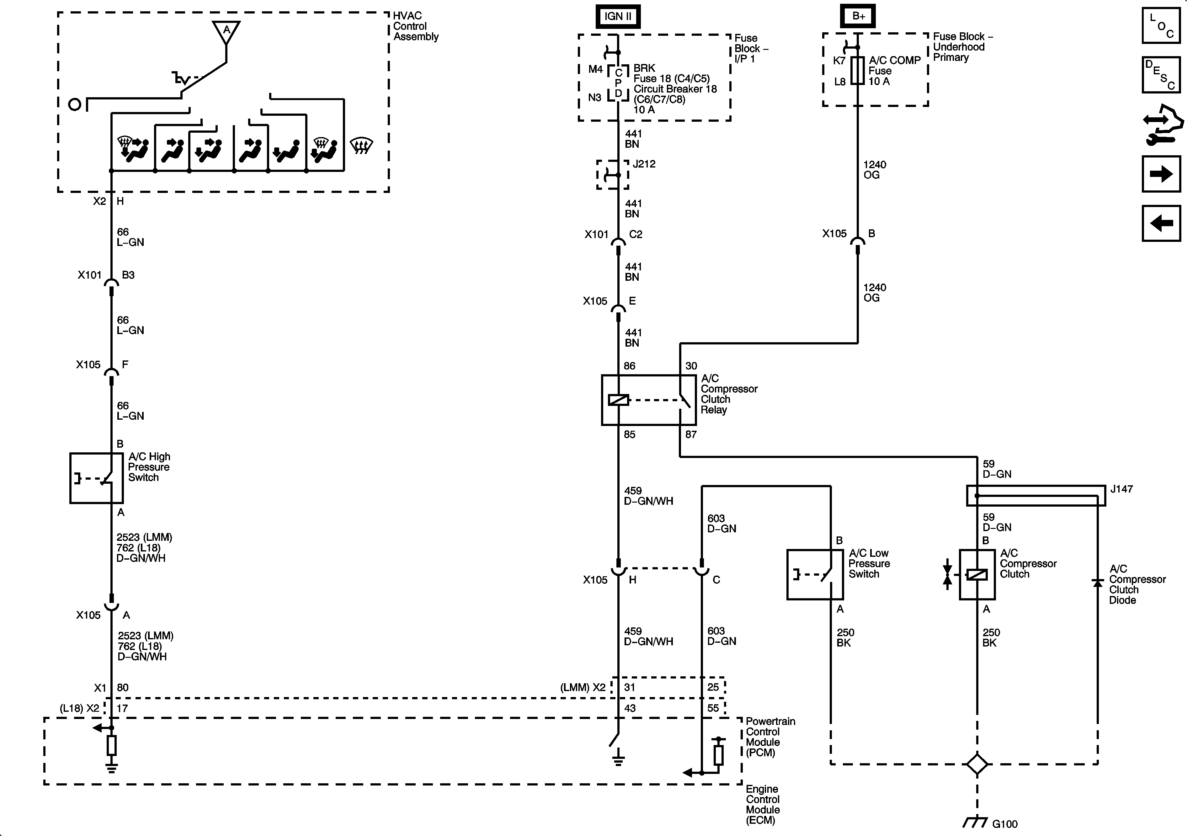
Figure 3:

A/C Compressor Controls - LF6/LF8


Object Number: 2167678  Size: FS
Master Electrical Component List
Manual HVAC Description and Operation
Control Module References

HVAC Schematics C40

C40


Object Number: 2076177  Size: FS