GM Service Manual Online
For 1990-2009 cars only
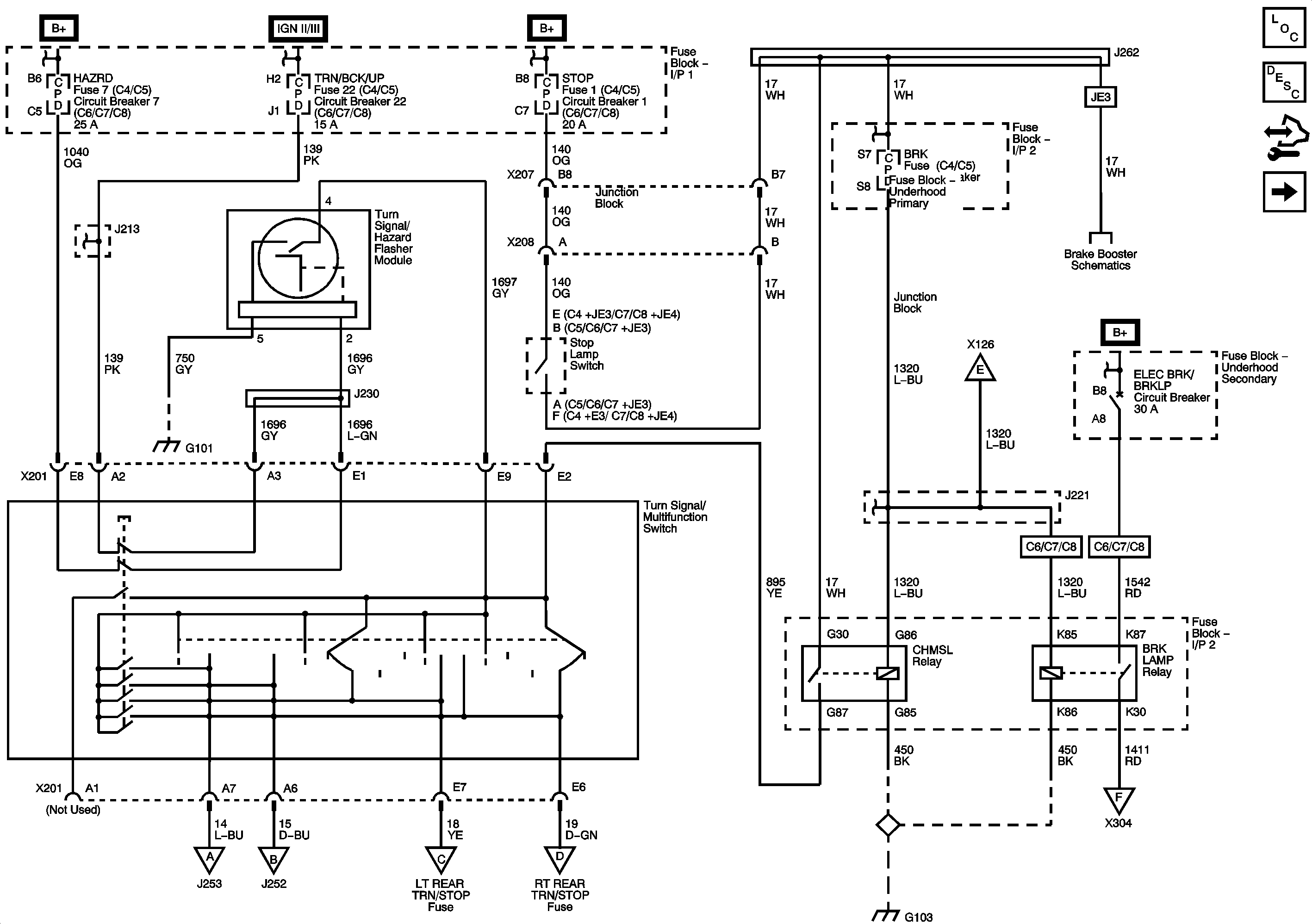
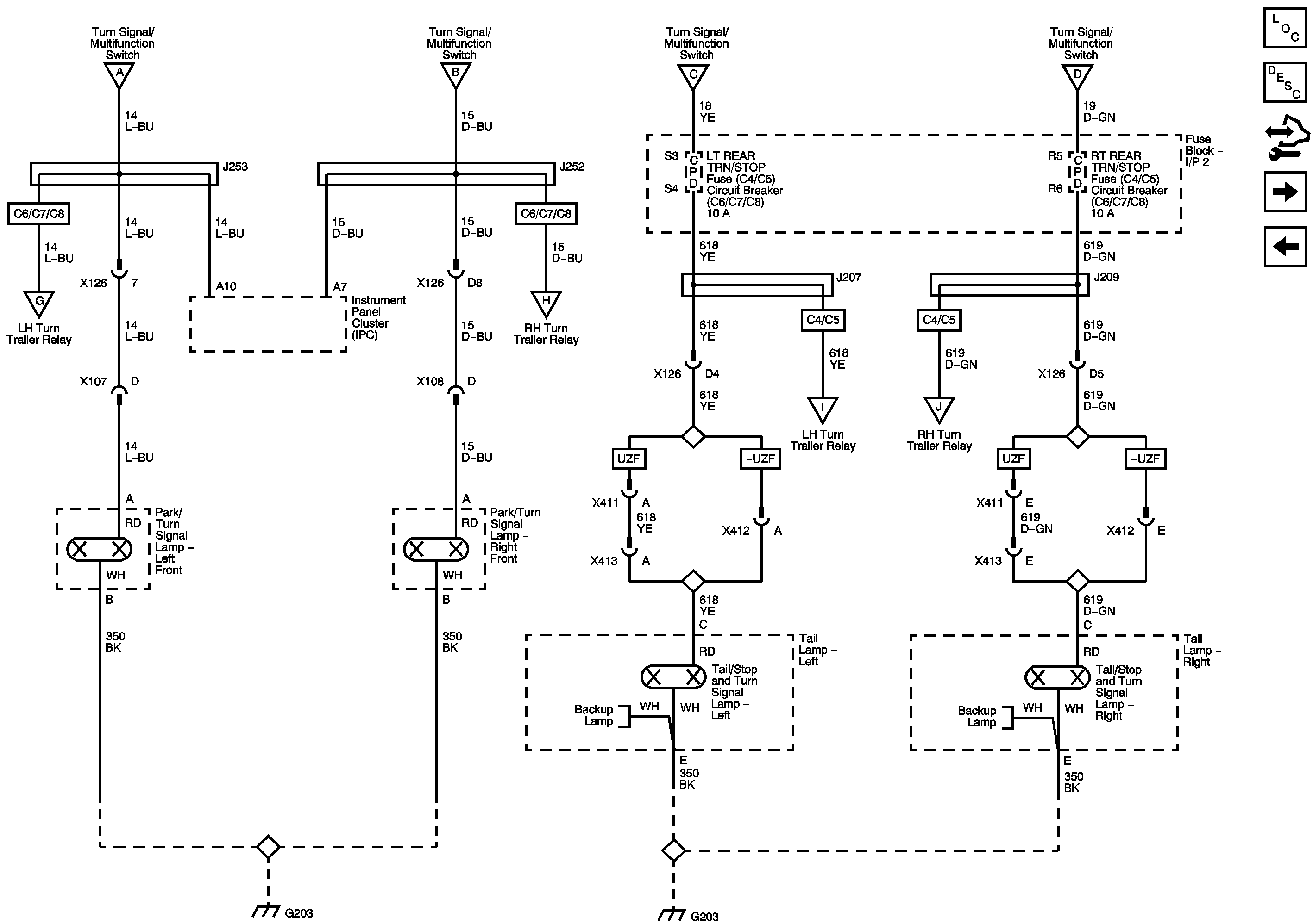
Figure 1:

Hazard, Stop, and Turn Signal Controls


Object Number: 2080616  Size: FS
Figure 2:

Park and Marker Lamps


Object Number: 2080619  Size: FS
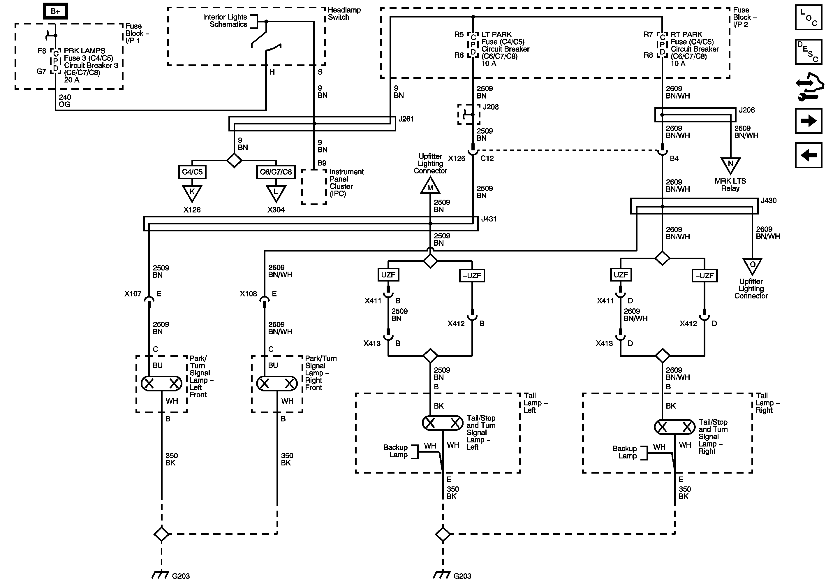
Figure 3:

Park and Stop Lamps


Object Number: 2080623  Size: FS
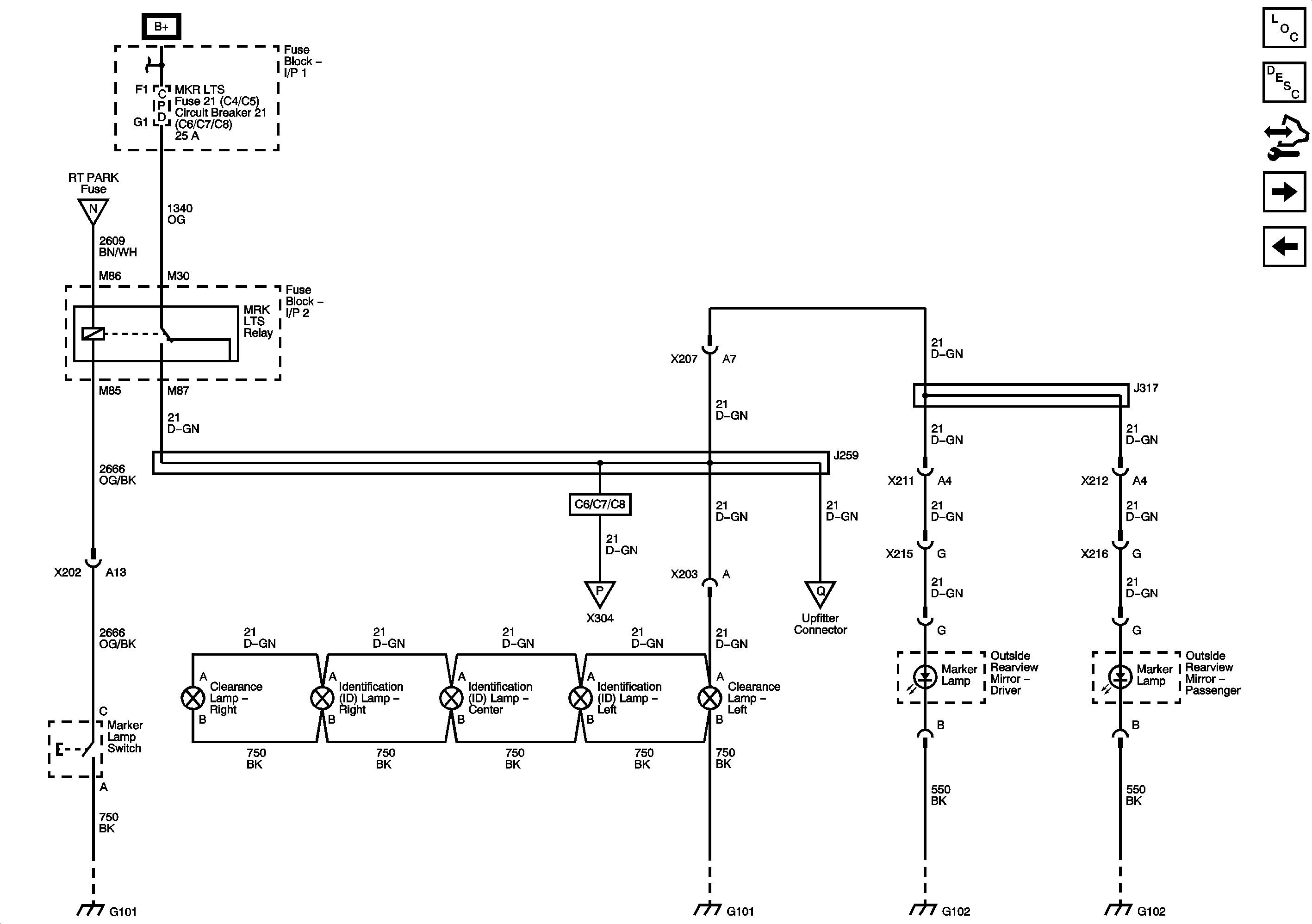
Figure 4:

Clearance, ID, and Marker Lamps


Object Number: 2080626  Size: FS
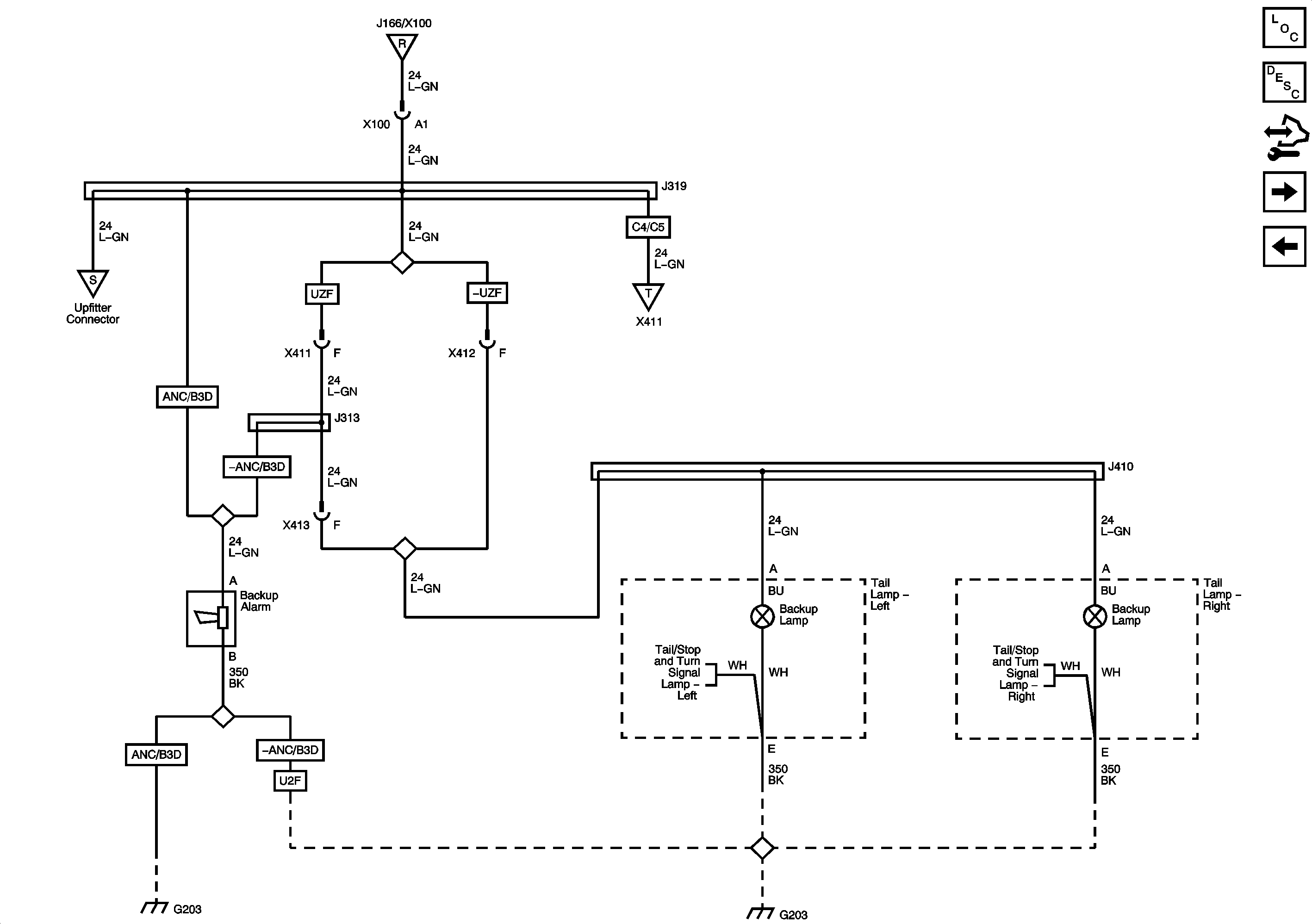
Figure 5:

Backup Lamp Control


Object Number: 2080630  Size: FS
Figure 6:

Backup Lamps and Backup Alarm


Object Number: 2080635  Size: FS
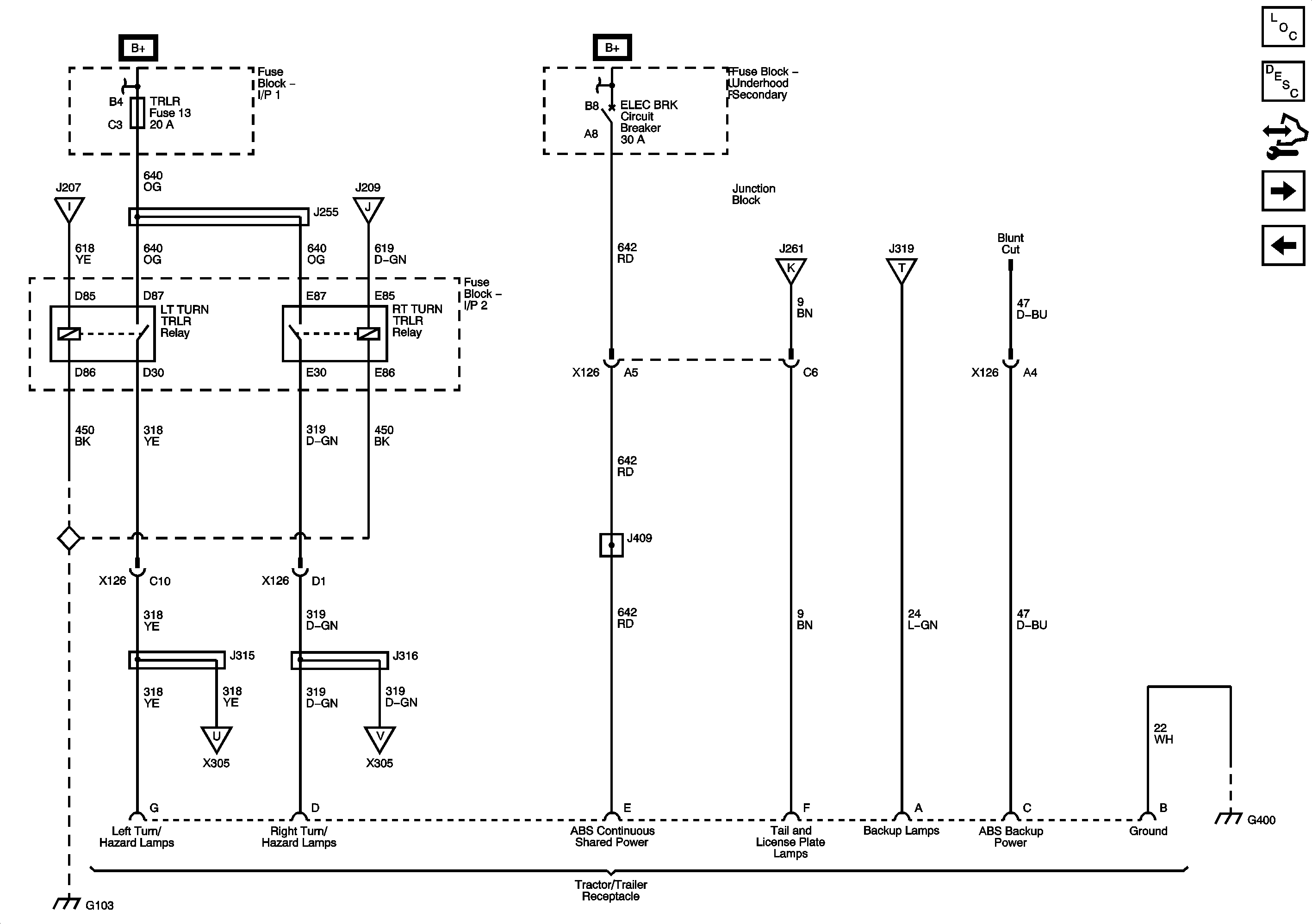
Figure 7:

Trailer Tow Connector (C4/C5)


Object Number: 2080641  Size: FS
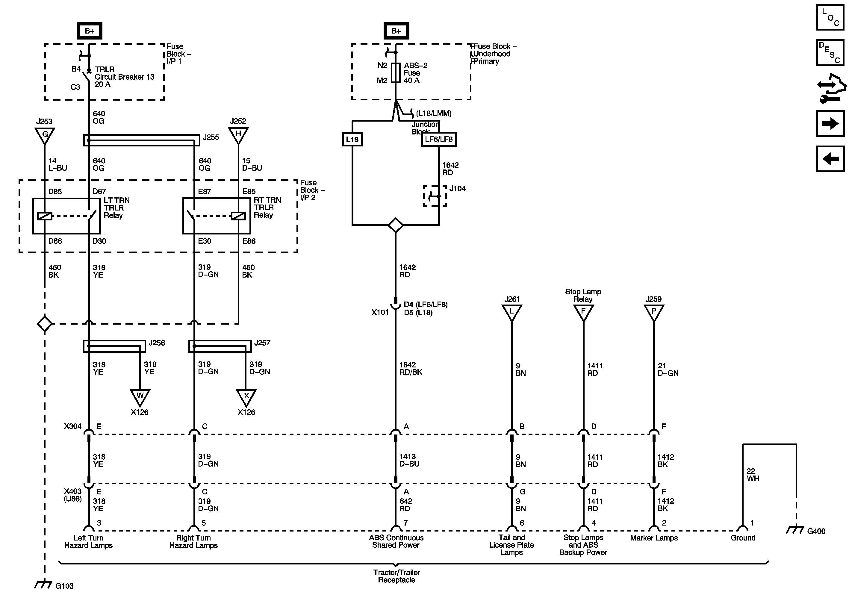
Figure 8:

Trailer Tow Connector (C6/C7/C8)


Object Number: 2080645  Size: FS
Figure 9:

C305 (Upfitter Lighting Connector)


Object Number: 2080651  Size: FS