GM Service Manual Online
For 1990-2009 cars only
Makes
🢒
Chevrolet
🢒
2009
🢒
Kodiak C-Series (Conventional) C6/C7/C8
🢒
Body Systems
🢒
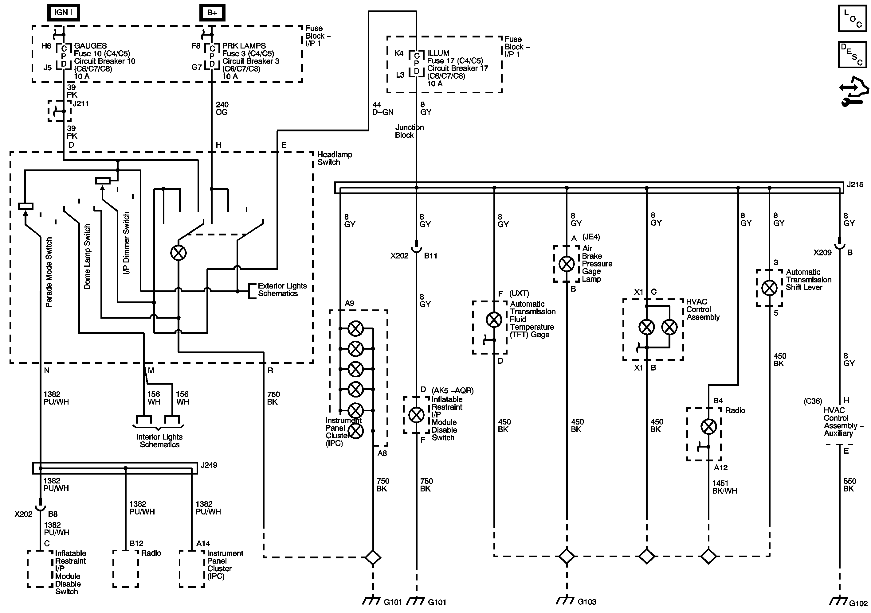
Lighting
🢒 Interior Lights Dimming Schematics