GM Service Manual Online
For 1990-2009 cars only
Makes
🢒
Chevrolet
🢒
2009
🢒
Kodiak C-Series (Conventional) C6/C7/C8
🢒
Driver Information and Entertainment
🢒
Displays and Gages
🢒 Instrument Cluster Schematics
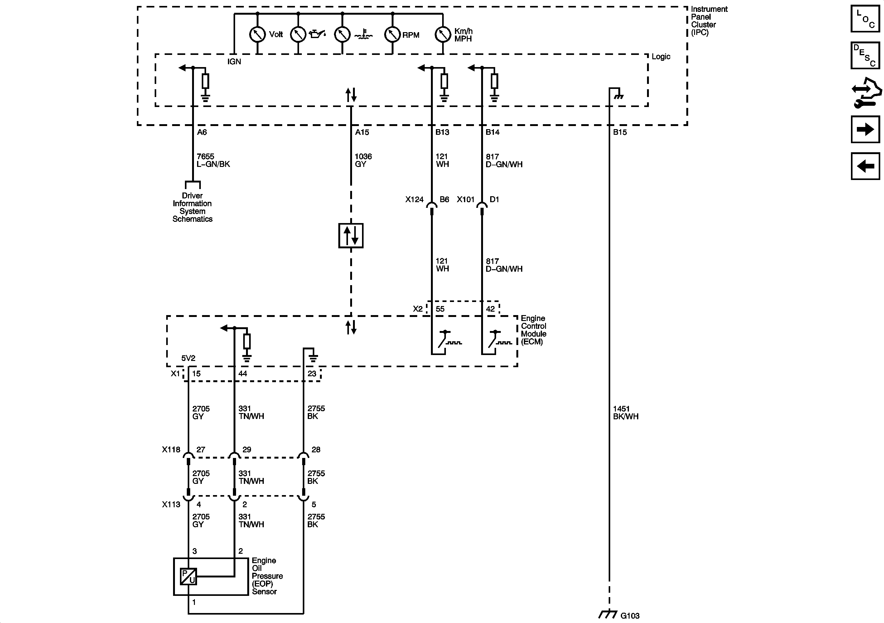
Figure
1:
Instrument Panel Cluster 1 of 2
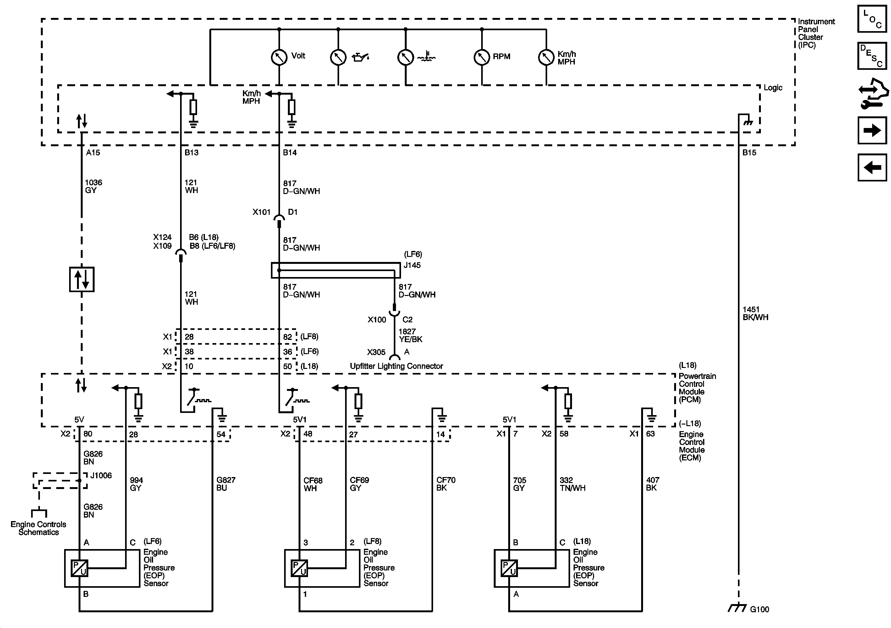
Figure
2:
Instrument Panel Cluster 2 of 2
Figure
3:
Instrument Panel Cluster - LMM
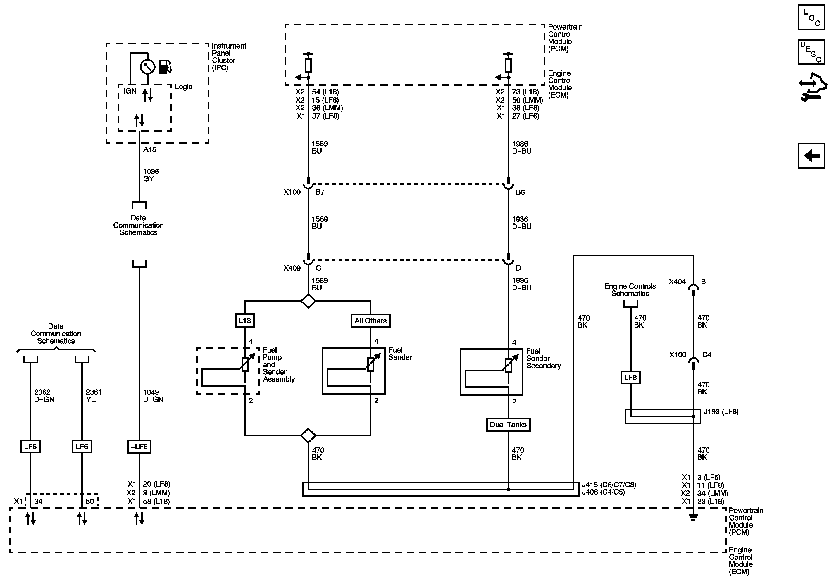
Figure
4:
Fuel Gage