GM Service Manual Online
For 1990-2009 cars only
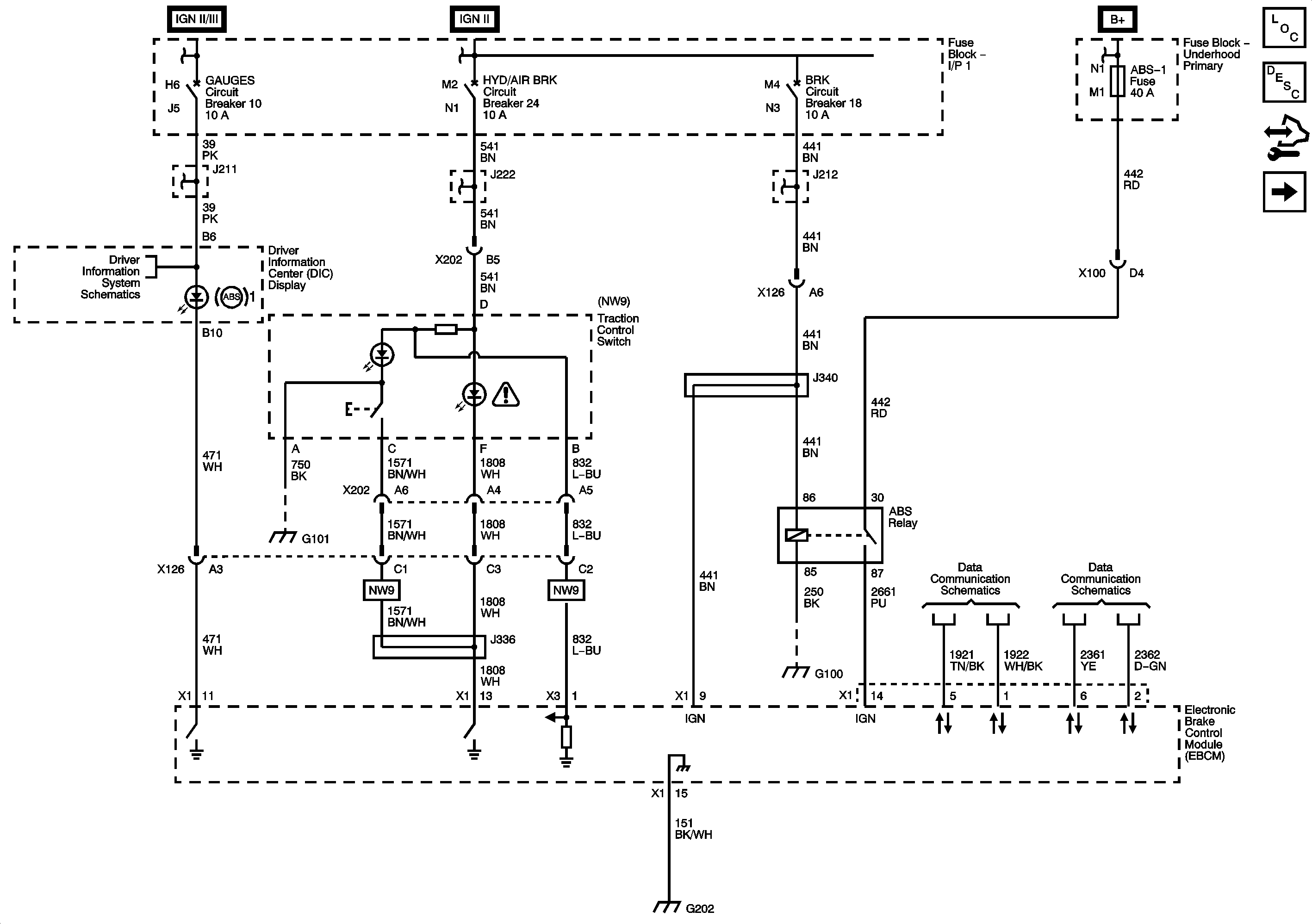
Figure 1:

ABS Relay, DIC and EBCM


Object Number: 2076191  Size: FS
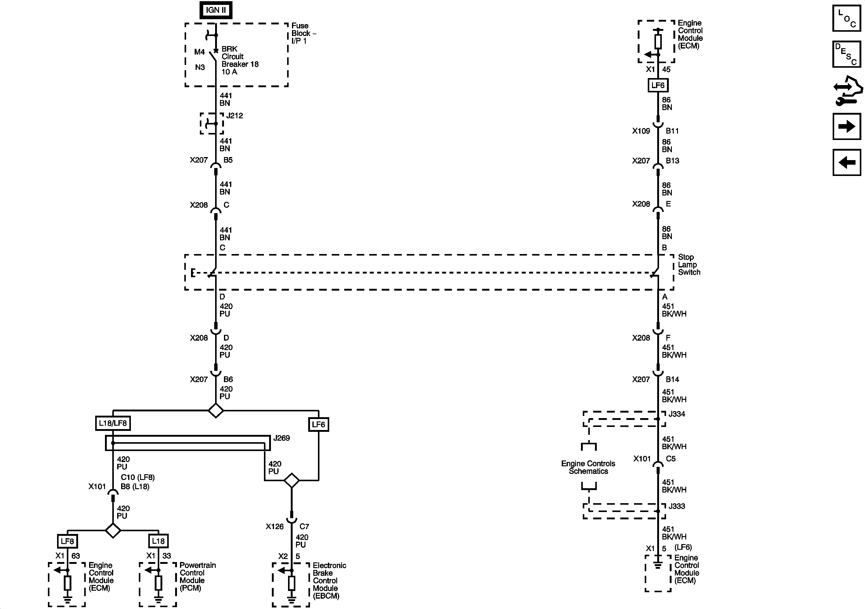
Figure 2:

Stop Lamp Switch


Object Number: 2076192  Size: FS
Figure 3:

BPMV and WSS


Object Number: 2076193  Size: FS
Figure 4:

BPMV


Object Number: 2076194  Size: FS