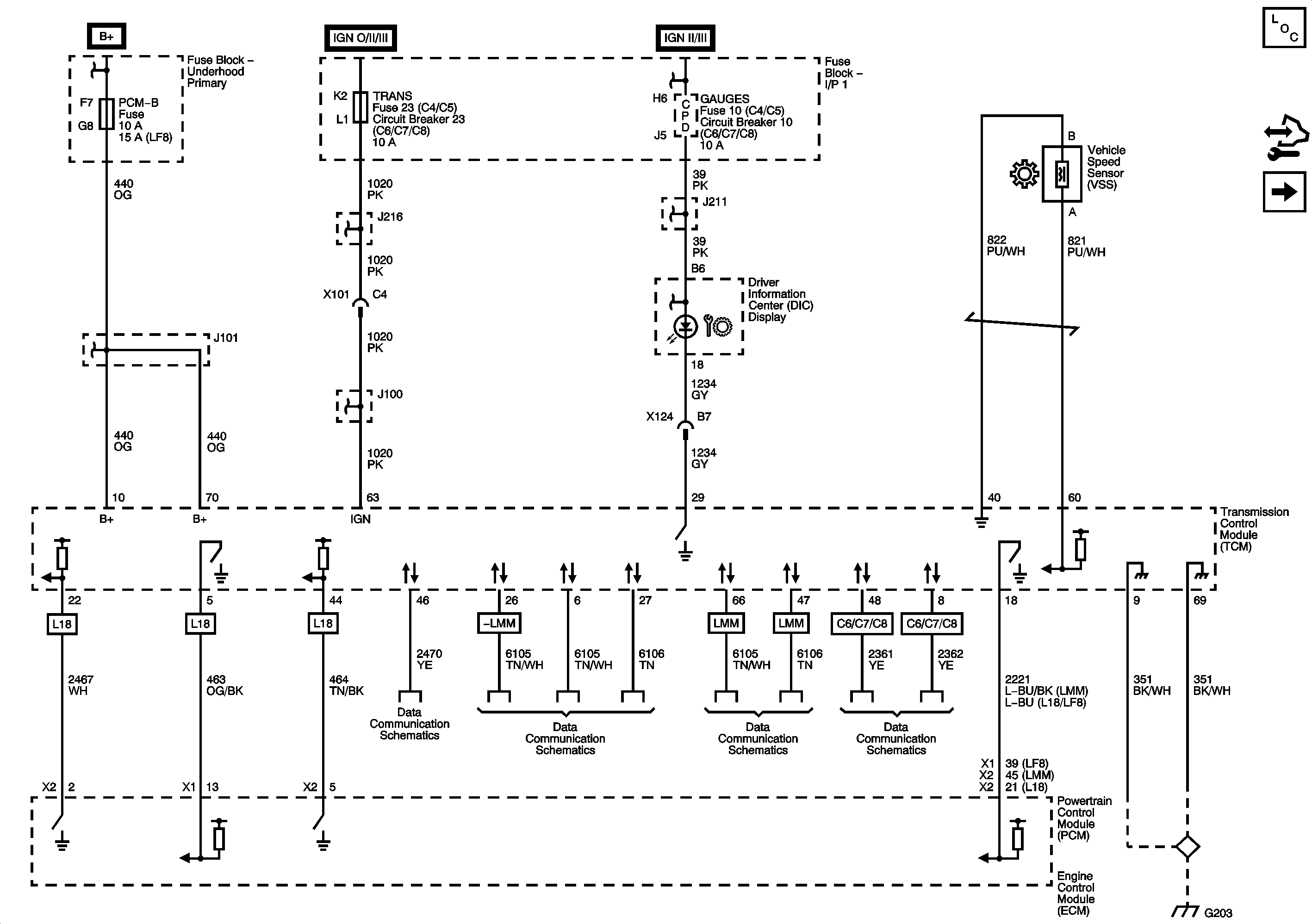
GM Service Manual Online
For 1990-2009 cars only
Figure 1:

Module Power, Ground, and Shift Selector


Object Number: 2076304  Size: FS
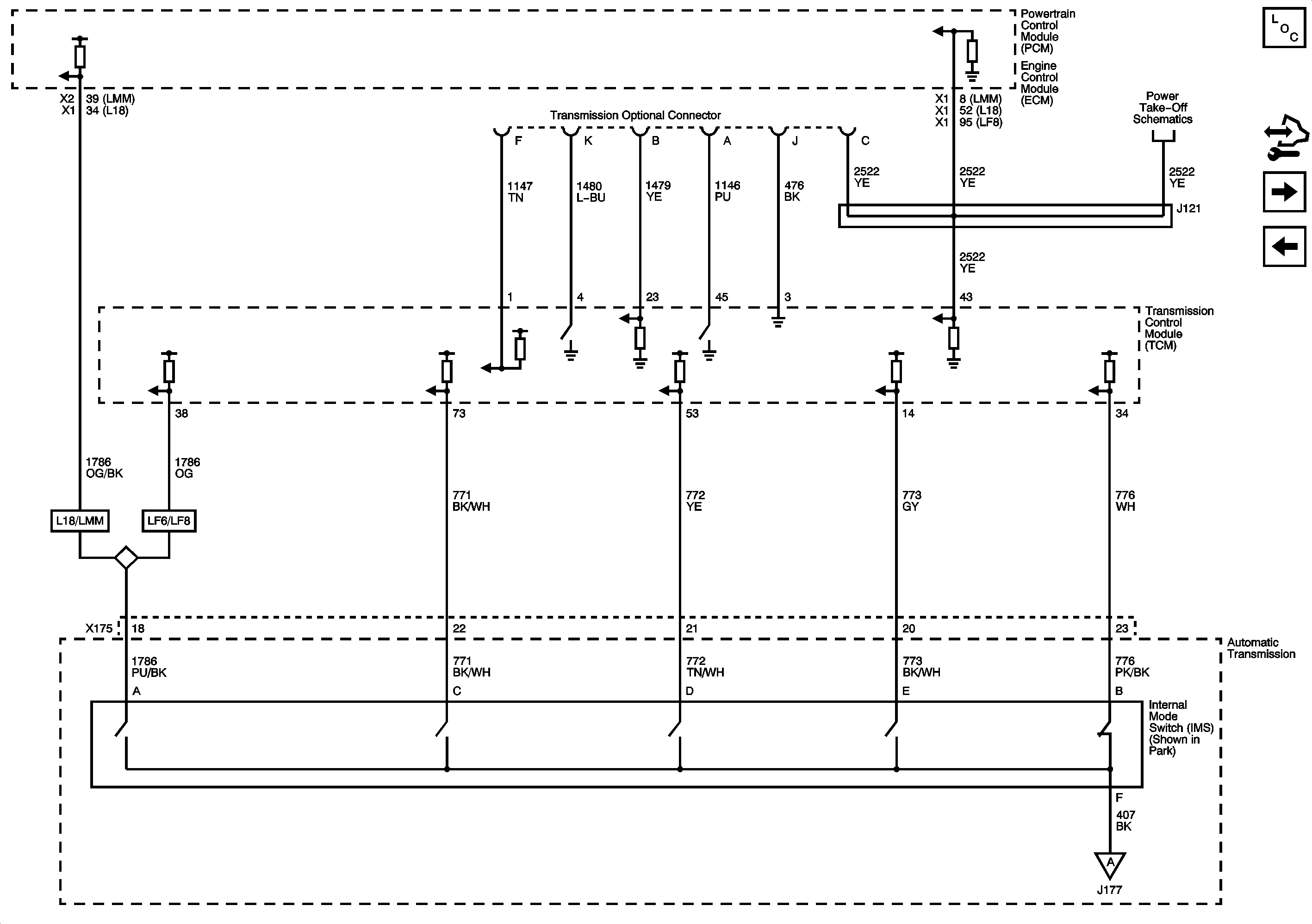
Figure 2:

Switches, Sensors, and Transmission Optional Connector


Object Number: 2076306  Size: FS
Figure 3:

Serial Data, Speed Sensor


Object Number: 2076309  Size: FS
Figure 4:

Module Power, Ground, Serial Data, MIL, VSS, and Torque Controls


Object Number: 2076311  Size: FS
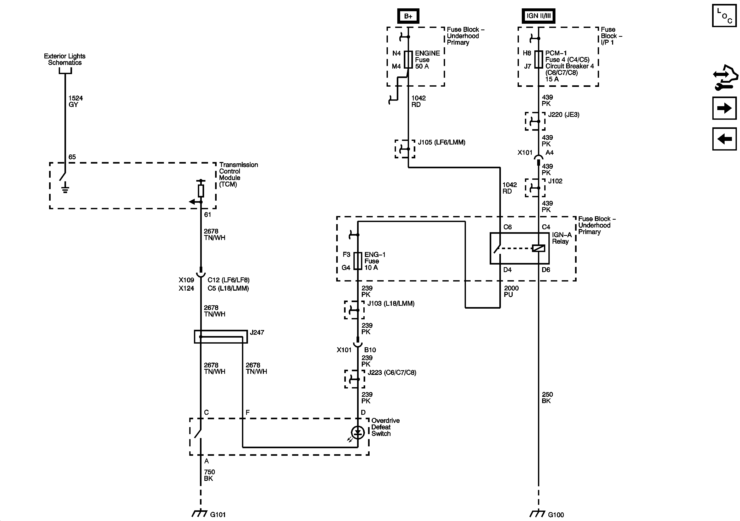
Figure 5:

Overdrive Defeat Switch and CAN Serial Data


Object Number: 2076314  Size: FS
Figure 6:

C102 - Upfitter TRANS OPT Connector and Internal Mode Switch


Object Number: 2076317  Size: FS
Figure 7:

Speed Sensors, Trim B and Shift Solenoid


Object Number: 2076319  Size: FS
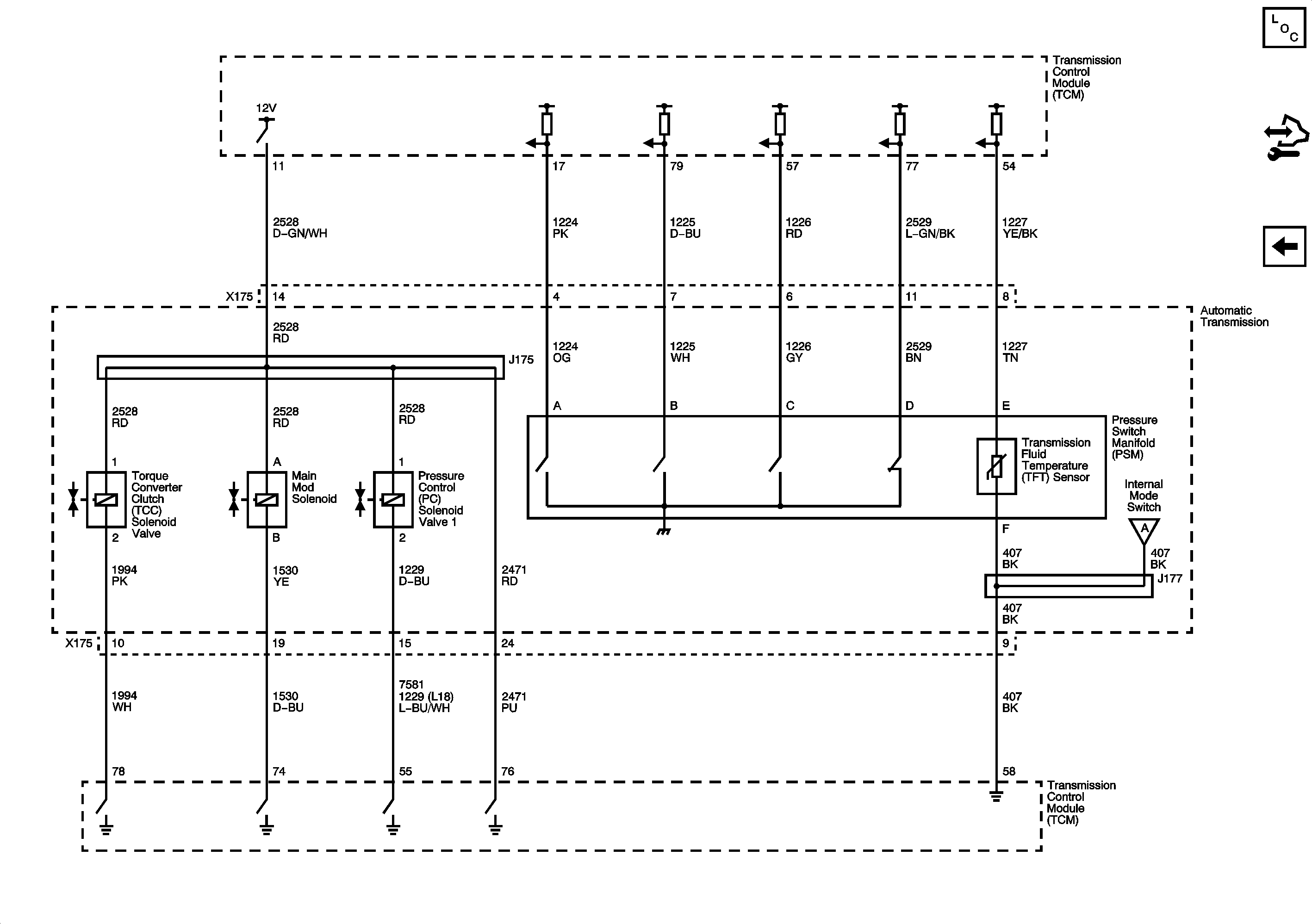
Figure 8:

TCC PWM and Trim A Solenoid Valves, Pressure Switch Manifold and TFT Sensor


Object Number: 2076321  Size: FS