GM Service Manual Online
For 1990-2009 cars only
Makes
🢒
Chevrolet
🢒
2009
🢒
Kodiak C-Series (Conventional) C6/C7/C8
🢒
Transmission
🢒
Power Take-Off
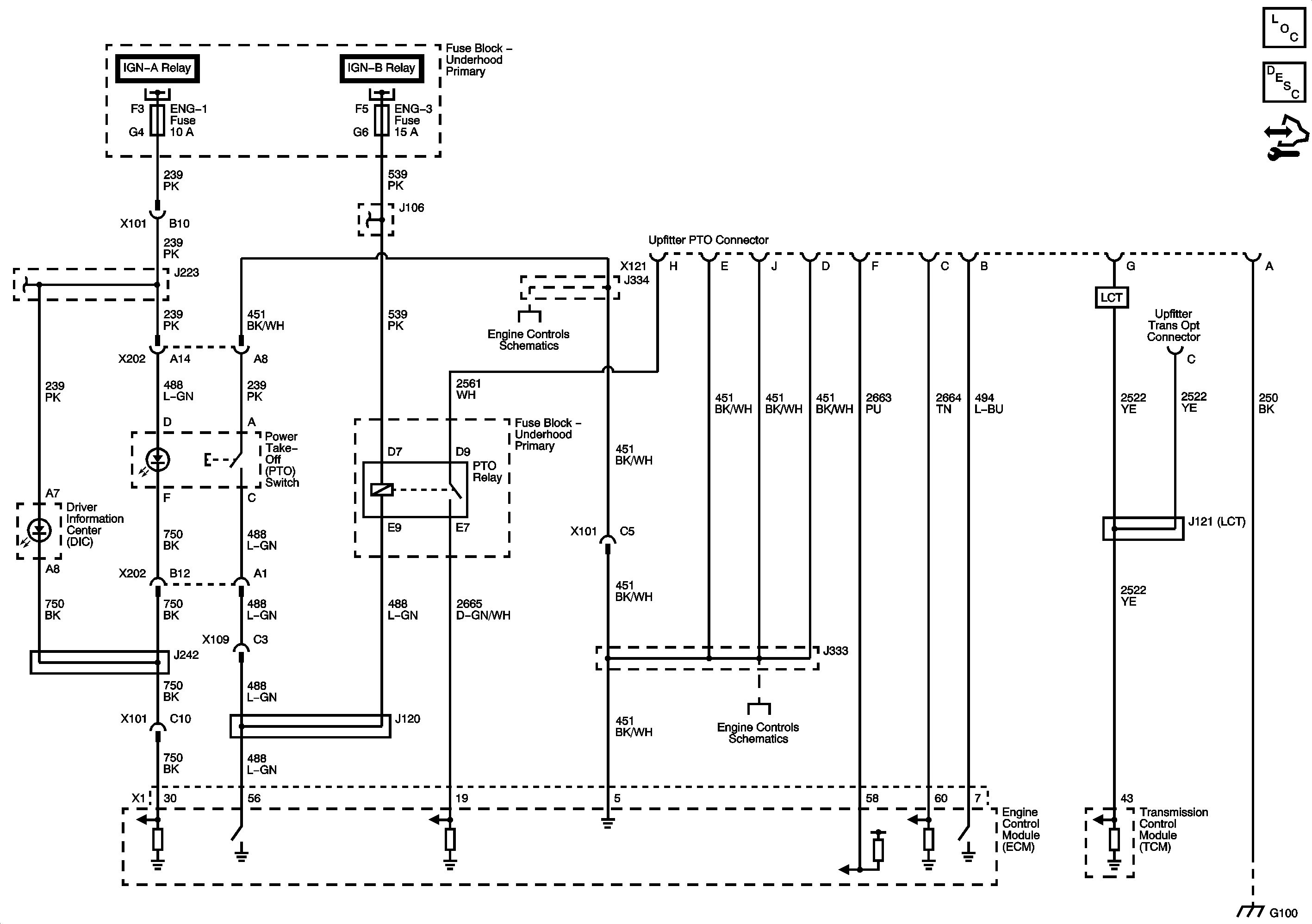
🢒 Power Take-Off (PTO) Schematics
Figure
1:
w/o LF6 1 of 2
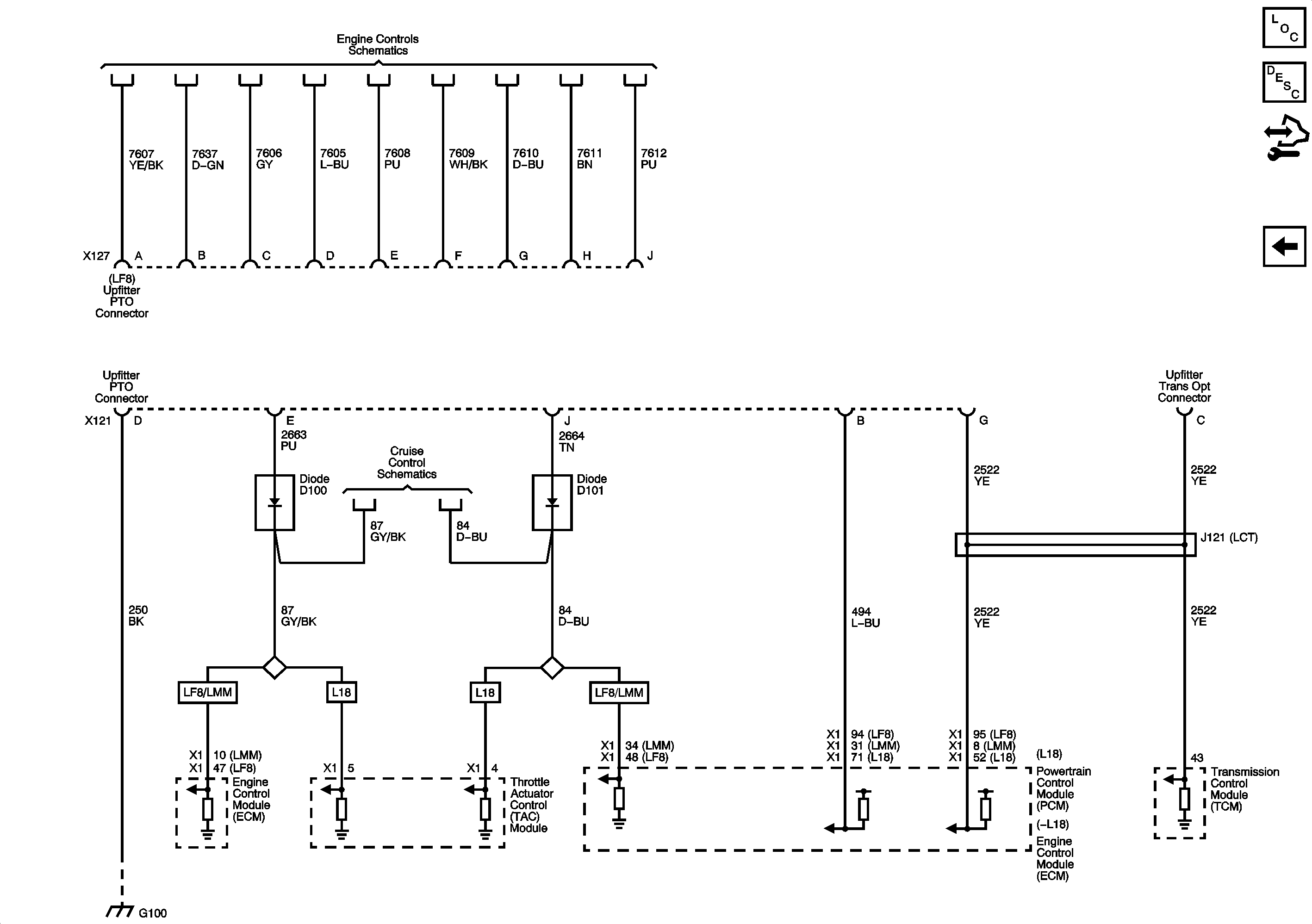
Figure
2:
w/o LF6 2 of 2
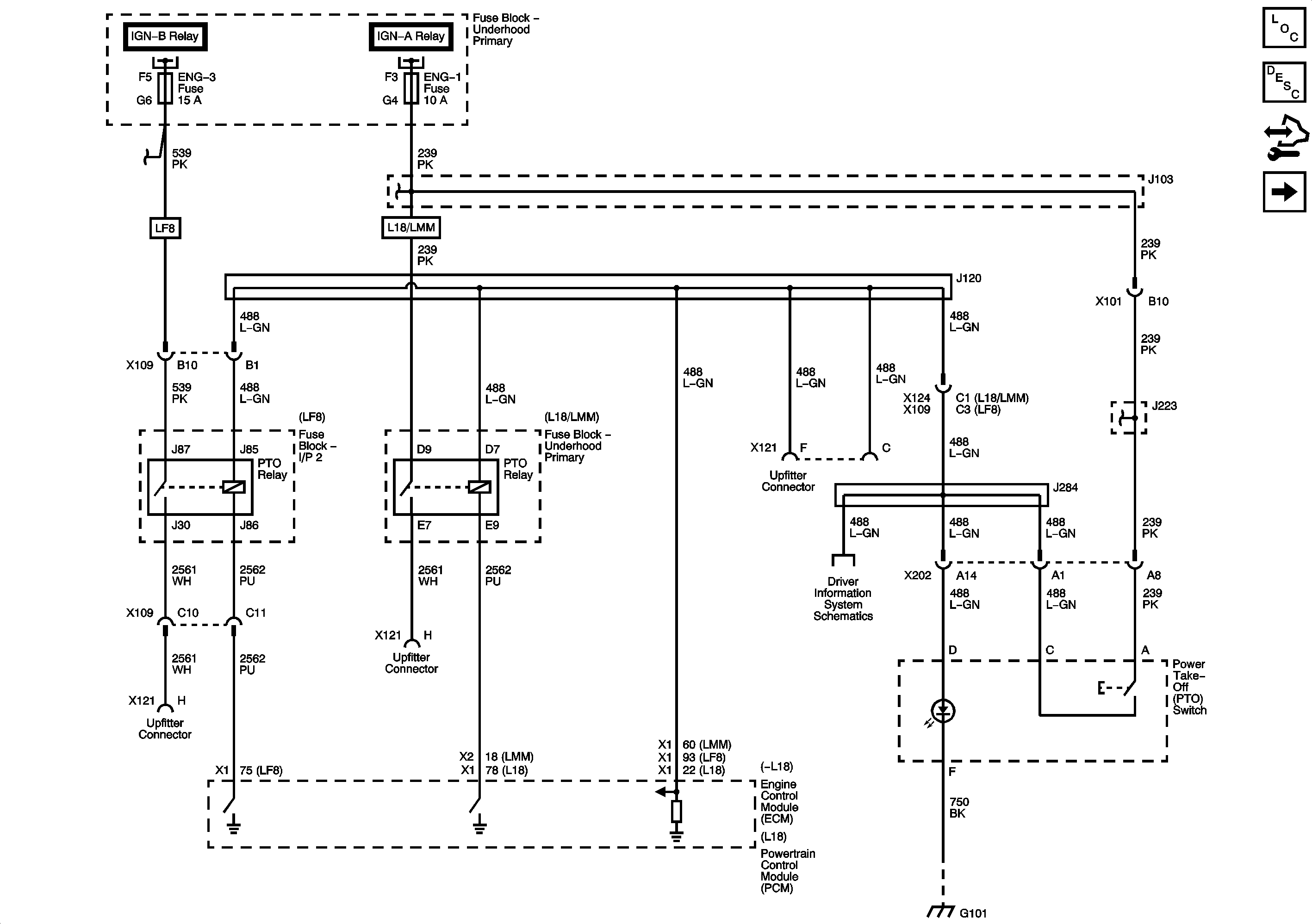
Figure
3:
w/LF6