GM Service Manual Online
For 1990-2009 cars only
Figure 1:

Transfer Case Components


Object Number: 1403869  Size: LF
(1)Annulus Gear Retaining Ring
(2)Annulus Gear
(3)Input Gear Bearing Outer Retaining Ring
(4)Input Gear Bearing
(5)Locating Pin
(6)Front Case Half
(7)Vent
(8)Shift Detent Plunger
(9)Shift Detent Spring
(10)Shift Detent Plunger Plug O-Ring Seal
(11)Shift Detent Spring Bolt
(12)Input Gear Bearing Inner Retaining Ring
(13)Input Seal
(14)Input Flange
(15)Input Flange Nut
(16)Front Output Shaft Bearing Inner Retaining Ring
(17)Front Output Seal
(18)Front Output Flange
(19)Front Output Flange Nut
(20)Actuator Insulator
(21)Actuator Encoder Motor
(22)Bracket
(23)Actuator Encoder Motor Bolts
(24)Sector Bearing
(25)Front Output Shaft Bearing
(26)Front Output Shaft Bearing Outer Retaining Ring
(27)Rear Case Half
(28)Drain Plug
(29)Case Half Bolt
(30)Fill Plug
(31)Retainer Assembly
(32)Rear Needle Bearing
(33)Rear Output Seal
(34)Rear Output Flange
(35)Rear Output Flange Nut
(36)Retainer Assembly Bolt
(37)Case Half Bolt
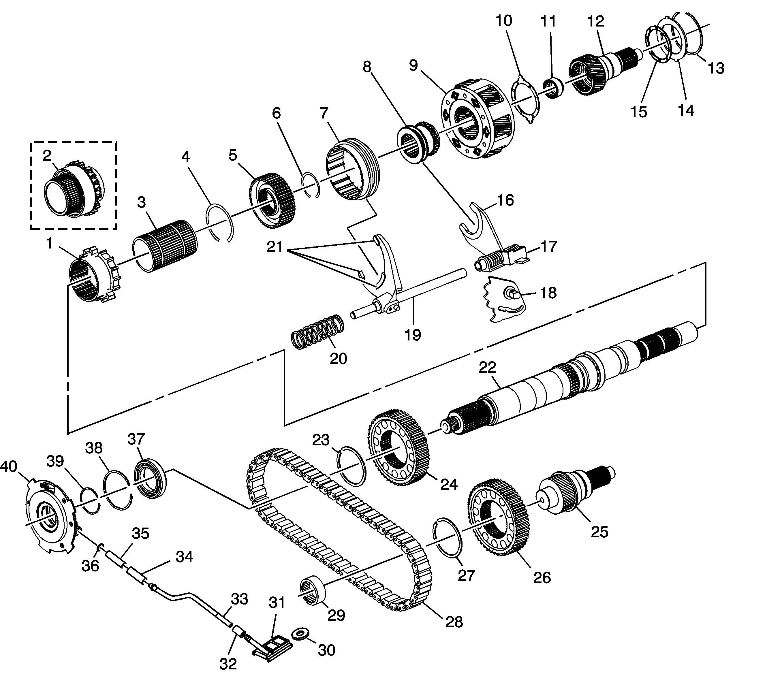
Figure 2:

Internal Components


Object Number: 1752203  Size: LF
(1)2/4 Wheel Drive Synchronizer Gear, 1st Design
(2)2/4 Wheel Drive Synchronizer Gear, 2nd Design
(3)Drive Sprocket Hub, 1st Design
(4)2/4 Wheel Drive Synchronizer Gear Retaining Ring, 1st Design
(5)Synchronizer Hub
(6)Synchronizer Hub Retaining Ring
(7)Synchronizer Sleeve
(8)High/Low Range Sleeve
(9)High/Low Planetary Carrier
(10)Input Gear Rear Thrust Washer
(11)Input Gear Needle Bearing
(12)Input Gear
(13)Planetary Carrier Lock Plate Retaining Ring
(14)Planetary Carrier Lock Plate
(15)Input Gear Front Thrust Washer
(16)High/Low Range Shift Fork Pads
(17)High/Low Range Shift Fork
(18)Sector Assembly
(19)2/4 Mode Shift Fork
(20)Shift Fork Shaft Spring
(21)2/4 Mode Shift Fork Pads
(22)Mainshaft
(23)Drive Sprocket Retaining Ring
(24)Drive Sprocket
(25)Front Output Shaft
(26)Driven Sprocket
(27)Driven Sprocket Retaining Ring
(28)Chain
(29)Front Output Needle Bearing
(30)Magnet
(31)Oil Pump Screen
(32)Lower Connector Hose
(33)Lower Connector Tube
(34)Upper Connector Hose
(35)Upper Connector Tube
(36)O-Ring Seal
(37)Rear Output Bearing
(38)Rear Output Bearing Outer Retaining Ring
(39)Rear Output Bearing Inner Retaining Ring
(40)Oil Pump Assembly