GM Service Manual Online
For 1990-2009 cars only

HVAC Schematics C40

Heater


Object Number: 1492780  Size: FS
Master Electrical Component List
Air Delivery Description and Operation
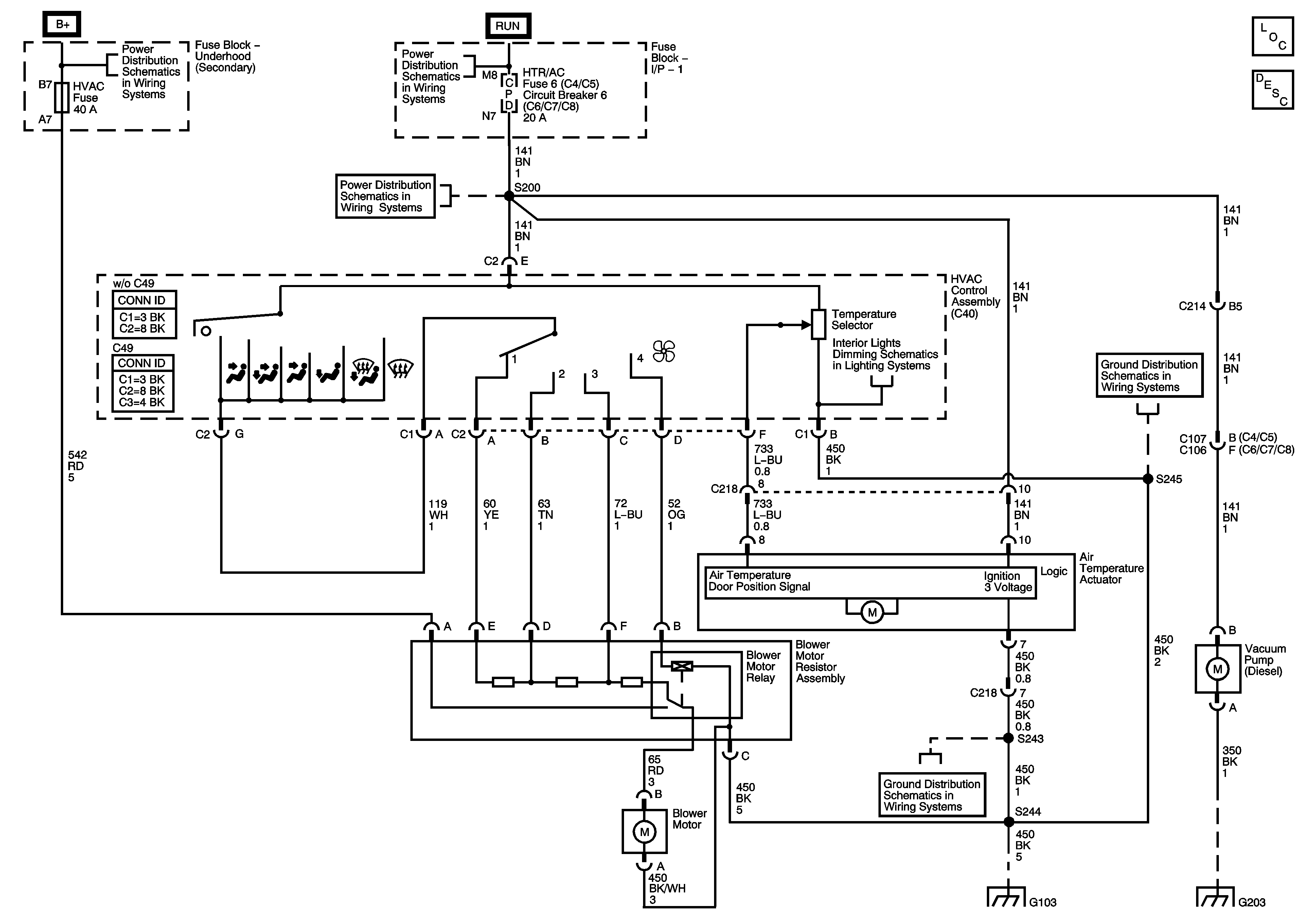
Blower Controls (C60)
B+ Bus Bar
Ignition Switch, RUN and ACC/RUN Bus Bars
BRAKE, CHASSIS, HTR/AC, and AXLE/4WD Fuses/Circuit Breakers
Interior Dimming Lamps System
G103 - 1 of 2, G105, and G106
G103 - 1 of 2, G105, and G106
G103 - 1 of 2, G105, and G106
G112, G113, G203 - 4 of 4, G204, G205 and G400

HVAC Schematics C60

Figure 1:

Blower Controls


Object Number: 1492781  Size: FS
Master Electrical Component List
Air Delivery Description and Operation
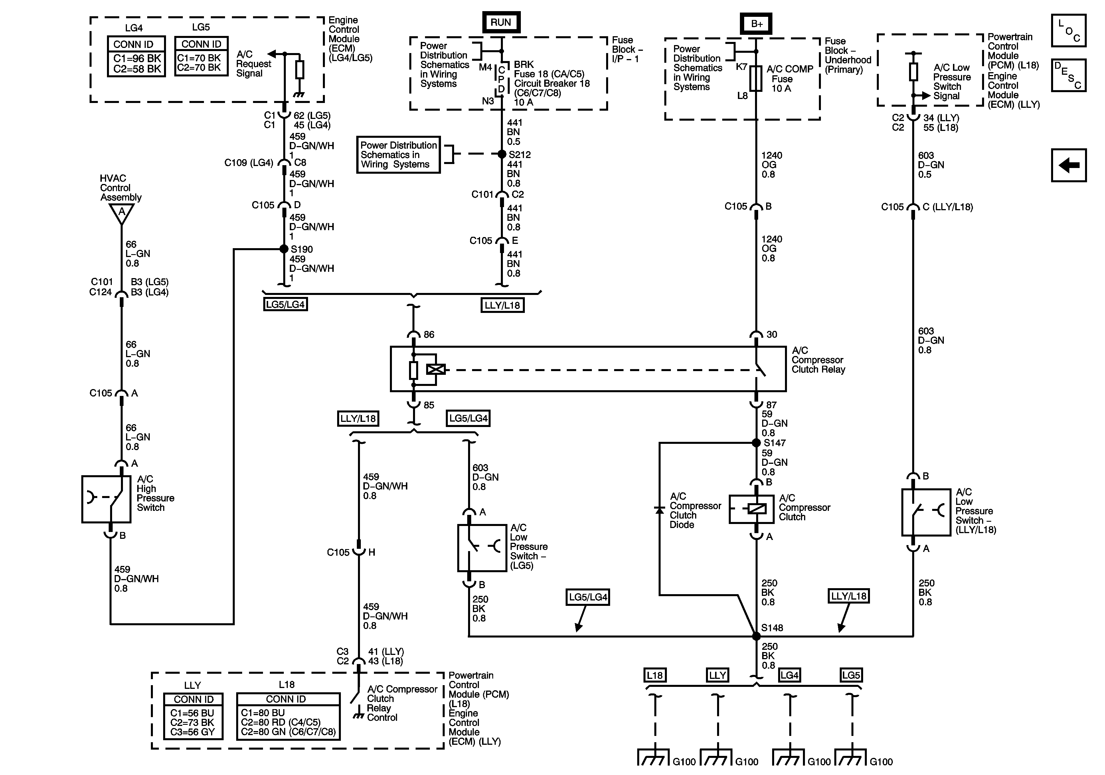
A/C Compressor Controls (C60)
Heat Only
B+ Bus Bar
Ignition Switch, RUN and ACC/RUN Bus Bars
BRAKE, CHASSIS, HTR/AC, and AXLE/4WD Fuses/Circuit Breakers
Interior Dimming Lamps System
A/C Compressor Controls (C60)
G103 - 1 of 2, G105, and G106
G103 - 1 of 2, G105, and G106
G103 - 1 of 2, G105, and G106
G112, G113, G203 - 4 of 4, G204, G205 and G400
Figure 2:

A/C Compressor Controls


Object Number: 1492782  Size: FS
Master Electrical Component List
Air Delivery Description and Operation
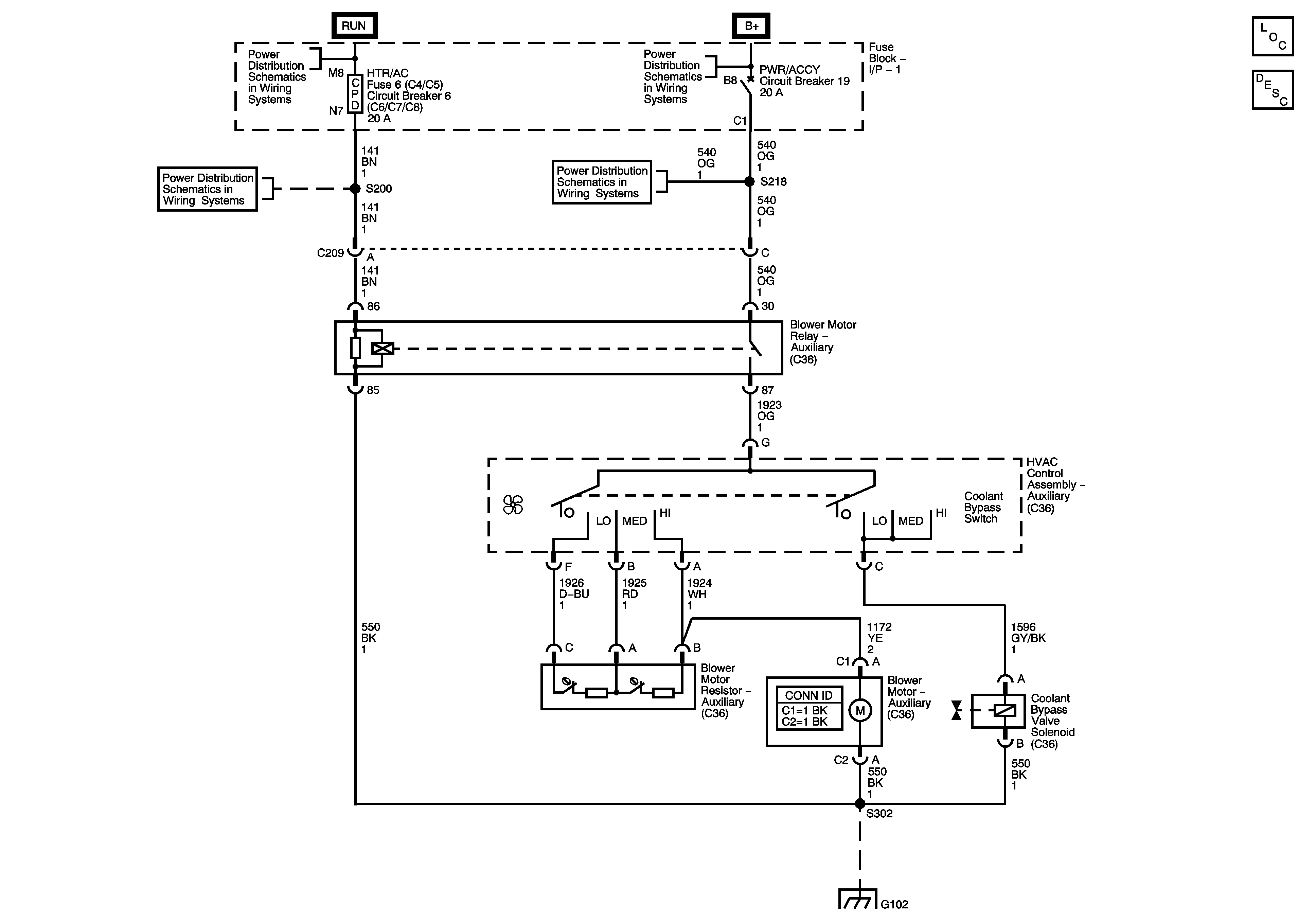
Auxiliary Controls (C36)
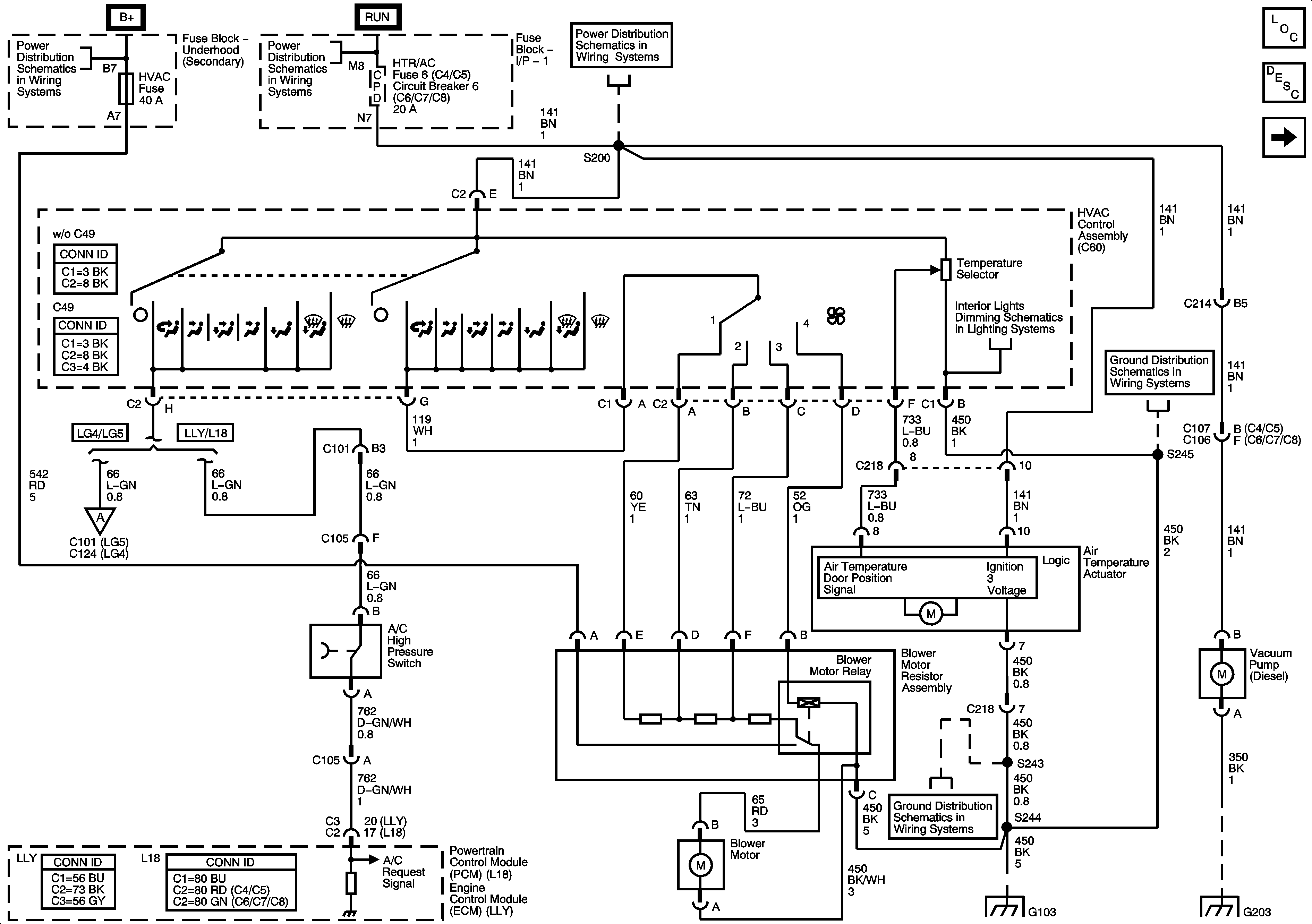
Blower Controls (C60)
Ignition Switch, RUN and ACC/RUN Bus Bars
B+ Bus Bar
BRAKE, CHASSIS, HTR/AC, and AXLE/4WD Fuses/Circuit Breakers
Blower Controls (C60)
G100 (L18)
G100 (LB7)
G100 (LG4)
G100 (LG5)

HVAC Schematics C36

Auxiliary Heater


Object Number: 1492783  Size: FS
Master Electrical Component List
Air Delivery Description and Operation
A/C Compressor Controls (C60)
Ignition Switch, RUN and ACC/RUN Bus Bars
Underhood Fuse Block, I/P Fuse Block, BATT/HAZ Fuse, PWR ACCY, HAZARD, TRLR TRN/HAZ, and STOP Fuses/Circuit Breakers
BRAKE, CHASSIS, HTR/AC, and AXLE/4WD Fuses/Circuit Breakers
Underhood Fuse Block, I/P Fuse Block, BATT/HAZ Fuse, PWR ACCY, HAZARD, TRLR TRN/HAZ, and STOP Fuses/Circuit Breakers
G102 - 2 of 2