GM Service Manual Online
For 1990-2009 cars only
Makes
🢒
Chevrolet
🢒
2005
🢒
Kodiak C-Series (Crew) C6/C7/C8
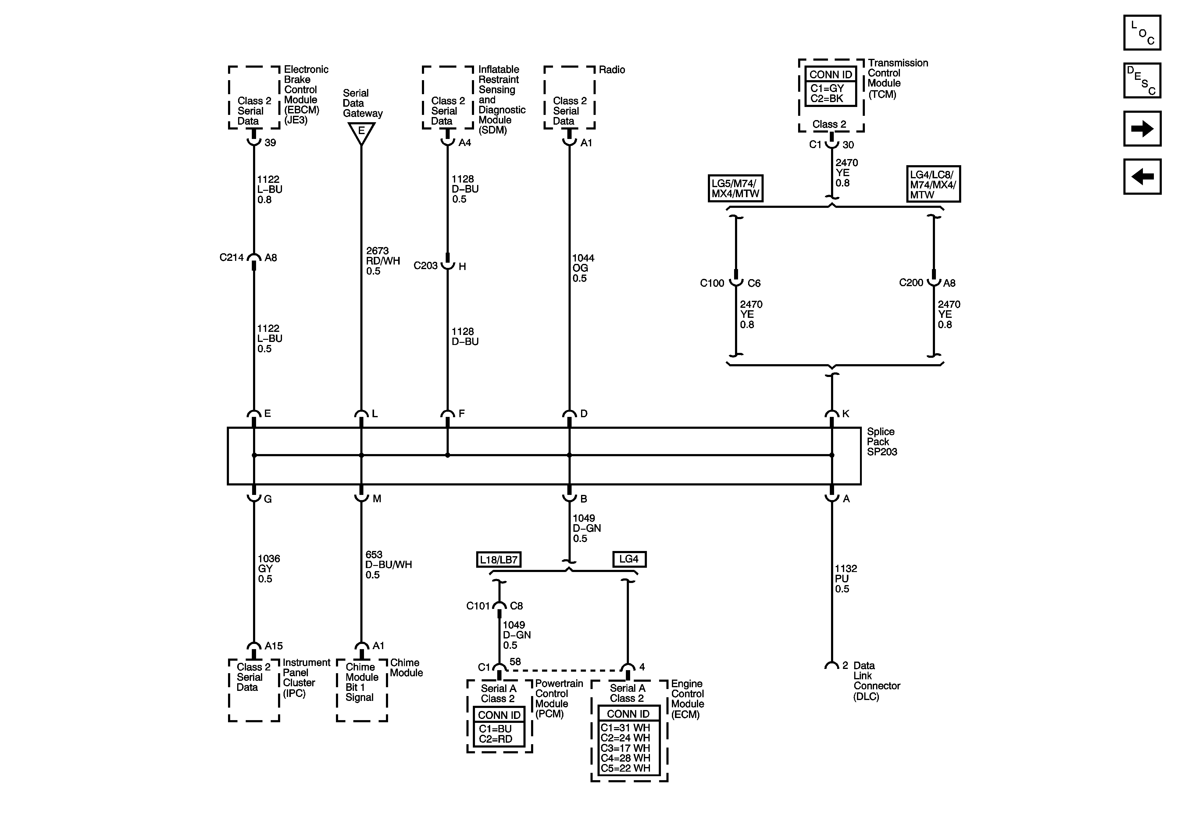
🢒 Splice Pack SP203 (L18/LB7/LG4)
Splice Pack SP203 (L18/LB7/LG4)
Splice Pack SP203 (L18/LB7/LG4)
Master Electrical Component List
Data Link Communications Description and Operation
Diagnostic Tool Connector - Power and Ground
Data Link Connector, Power, and Ground - 2 of 2
Serial Data Gateway