GM Service Manual Online
For 1990-2009 cars only
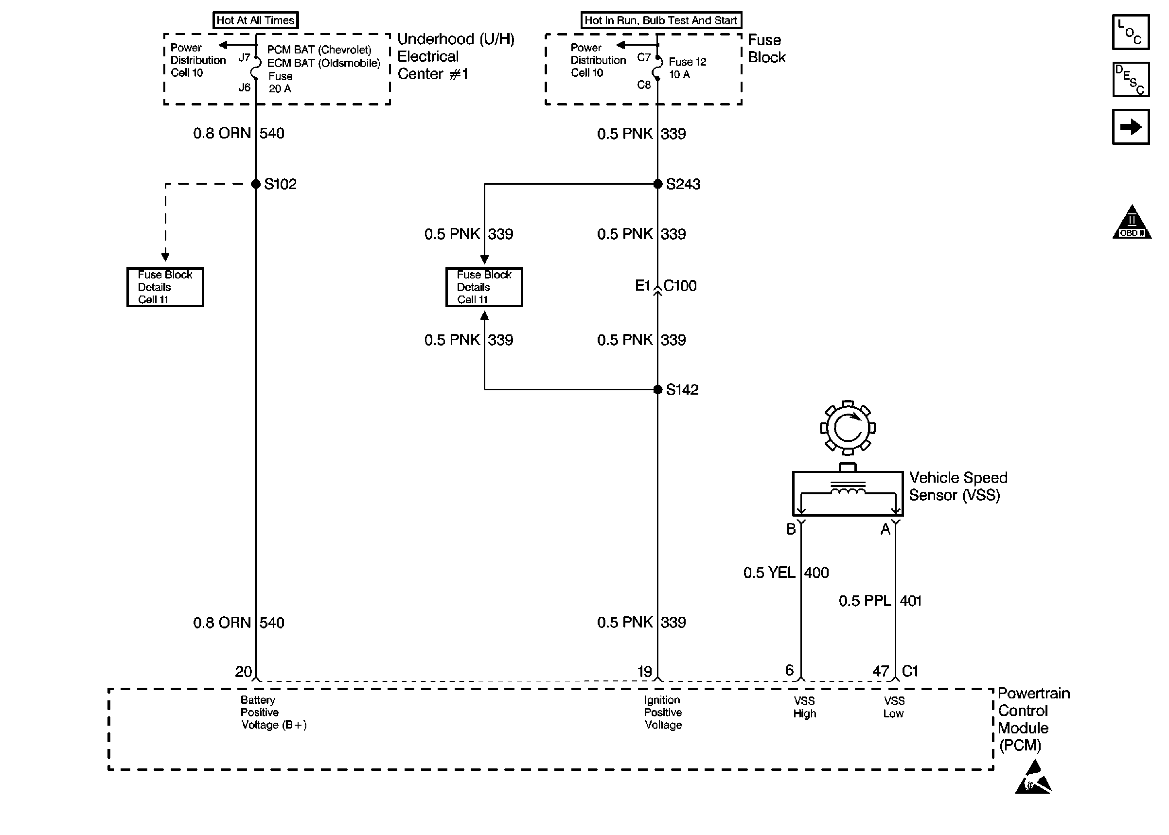
Figure 1:

PCM power, VSS


Object Number: 48243  Size: FS
Automatic Transmission Components
4-speed Automatic Transaxle, TCC Switch (4T60-E)
OBD II Symbol Description Notice
Handling ESD Sensitive Parts Notice
Figure 2:

4-speed Automatic Transaxle, TCC Switch (4T60-E)


Object Number: 48213  Size: FS
Automatic Transmission Components
Transaxle Range Switch, part 1
PCM power, VSS
OBD II Symbol Description Notice
Handling ESD Sensitive Parts Notice
Figure 3:

Transaxle Range Switch, part 1


Object Number: 48247  Size: FS
Automatic Transmission Components
Transaxle Range Switch, part 2
4-speed Automatic Transaxle, TCC Switch (4T60-E)
OBD II Symbol Description Notice
Handling ESD Sensitive Parts Notice
Handling ESD Sensitive Parts Notice
Figure 4:

Transaxle Range Switch, part 2


Object Number: 48248  Size: FS
Automatic Transmission Components
Transaxle Range Switch, part 1
OBD II Symbol Description Notice
Handling ESD Sensitive Parts Notice