GM Service Manual Online
For 1990-2009 cars only
Makes
🢒
Chevrolet
🢒
1997
🢒
Lumina
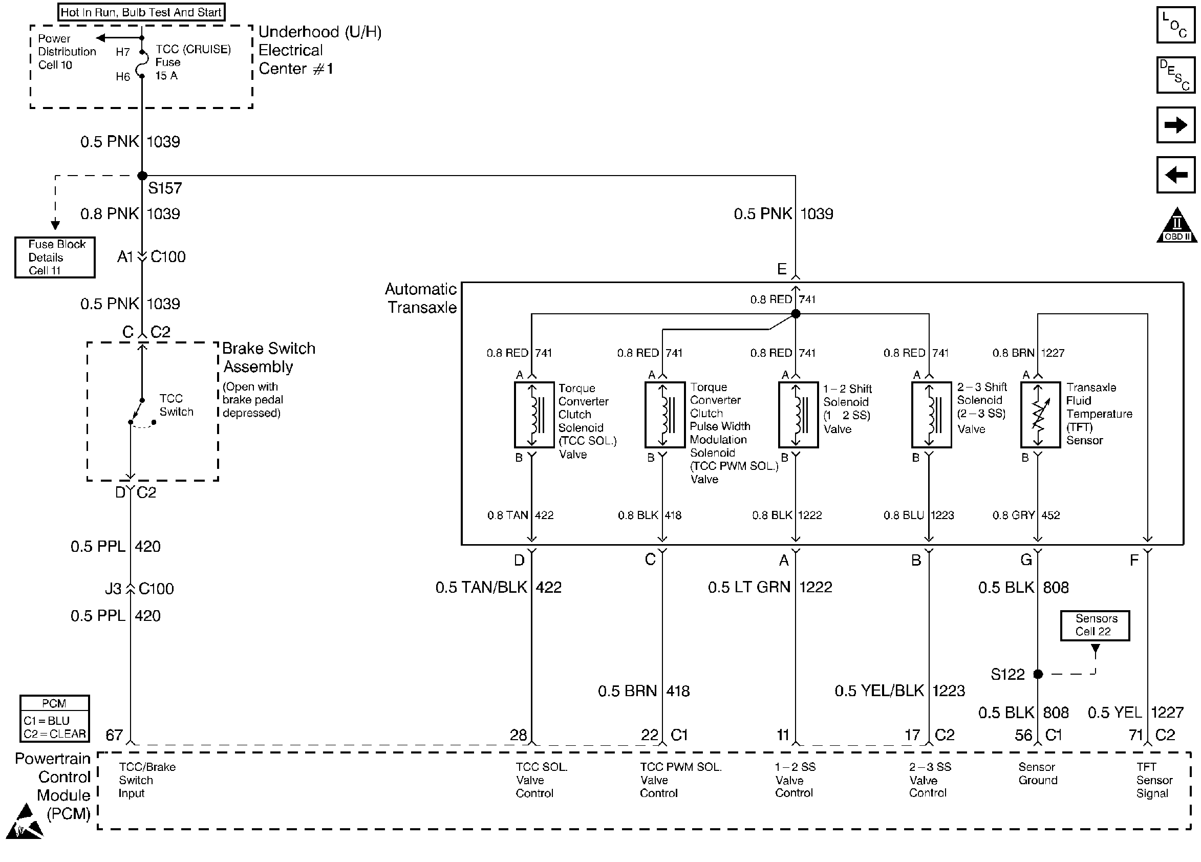
🢒 TCC Brake Switch, TCC Solenoid
TCC Brake Switch, TCC Solenoid
TCC Brake Switch, TCC Solenoid
Engine Controls Components
Information Sensors
GEN Control, Low Oil Lamp, Volts Lamp
VSS, Cruise Control Module
OBD II Symbol Description Notice
Handling ESD Sensitive Parts Notice