GM Service Manual Online
For 1990-2009 cars only
Makes
🢒
Chevrolet
🢒
1997
🢒
Lumina
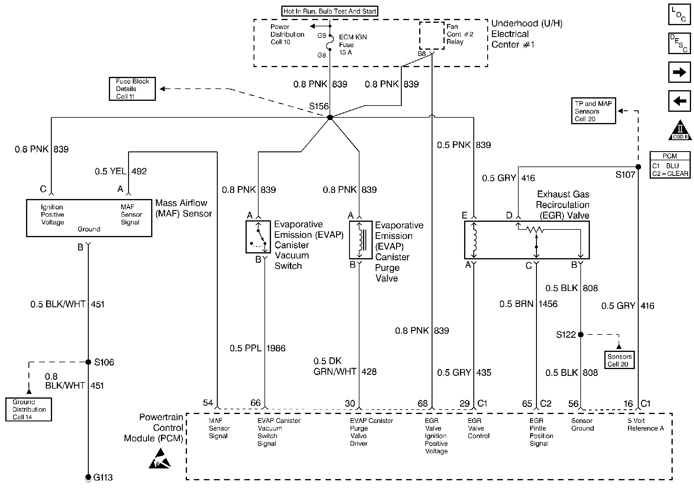
🢒 MAF, EVAP and EGR Systems
MAF, EVAP and EGR Systems
MAF, EVAP and EGR Systems
Engine Controls Components
Information Sensors
Heated Oxygen Sensors
ECT, MAP, TP, IAT, and A/C Systems
OBD II Symbol Description Notice
Handling ESD Sensitive Parts Notice