GM Service Manual Online
For 1990-2009 cars only
Makes
🢒
Chevrolet
🢒
1997
🢒
Lumina
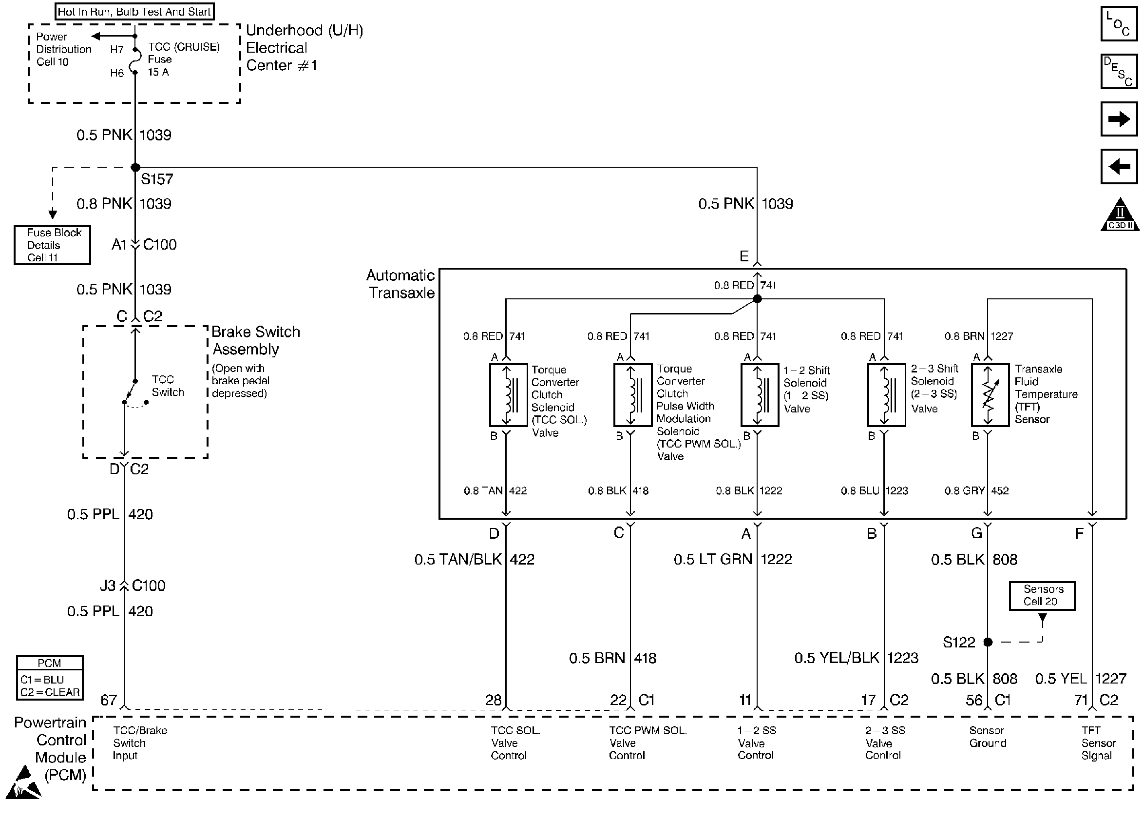
🢒 TCC and Brake Switch Systems
TCC and Brake Switch Systems
TCC and Brake Switch Systems
Engine Controls Components
Powertrain Control Module (PCM)
Generator System
Instrument Cluster and Vehicle Speed Sensor Systems
OBD II Symbol Description Notice
Handling ESD Sensitive Parts Notice