GM Service Manual Online
For 1990-2009 cars only
Makes
🢒
Chevrolet
🢒
1997
🢒
Lumina
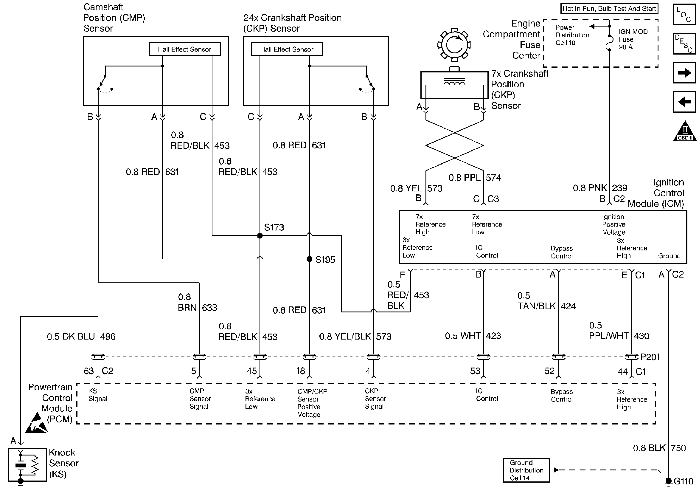
🢒 Knock Sensor, Camshaft Position Sensor, Crankshaft Position Sensor, Ignition Control Module
Knock Sensor, Camshaft Position Sensor, Crankshaft Position Sensor, Ignition Control Module
Knock Sensor, Camshaft Position Sensor, Crankshaft Position Sensor, Ignition Control Module
Engine Controls Components
Electronic Ignition (EI) System
DLC, Instrument Panel, Engine Compartment Fuse Center
Fuel Tank Module, Engine Oil Pressure Sensor, Fuel Pump Relay
OBD II Symbol Description Notice
Handling ESD Sensitive Parts Notice