GM Service Manual Online
For 1990-2009 cars only
Makes
🢒
Chevrolet
🢒
1997
🢒
Lumina
🢒 Ignition System, Knock Sensor
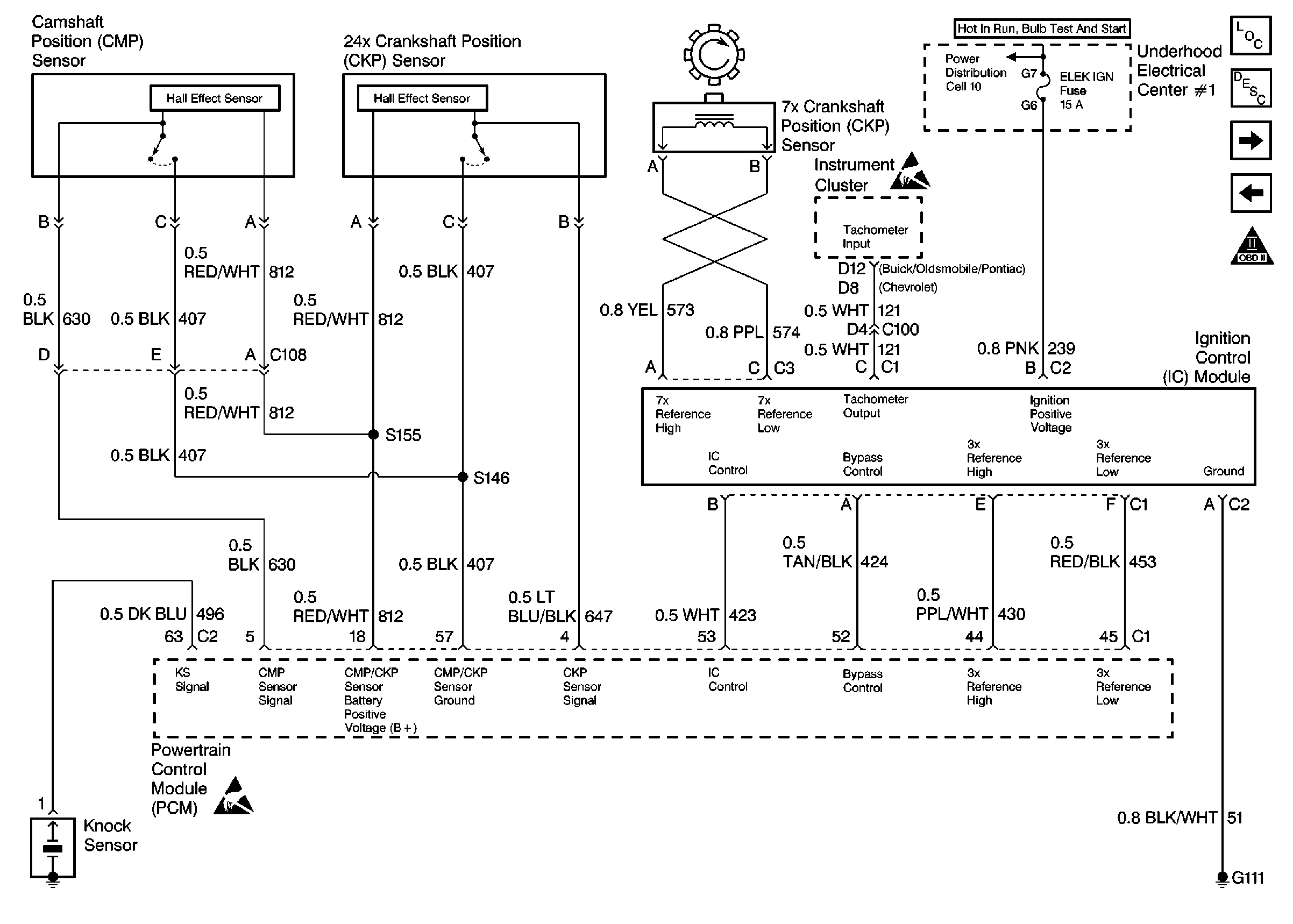
Ignition System, Knock Sensor
Ignition System, Knock Sensor
Engine Controls Components
Information Sensors
Fuel Control
Power, Ground, MIL, DLC
OBD II Symbol Description Notice
Handling ESD Sensitive Parts Notice
Handling ESD Sensitive Parts Notice