GM Service Manual Online
For 1990-2009 cars only
Makes
🢒
Chevrolet
🢒
1997
🢒
Lumina
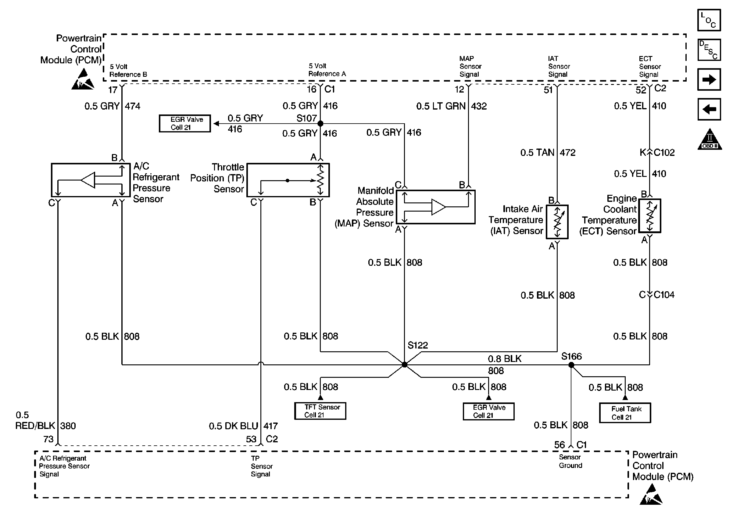
🢒 Engine Data Sensors-A/C Refrig Press, TP, MAP, ECT, IAT (Chevrolet)
Engine Data Sensors-A/C Refrig Press, TP, MAP, ECT, IAT (Chevrolet)
Engine Data Sensors-A/C Refrig Press, TP, MAP, ECT, IAT (Chevrolet)
Engine Controls Components 97
Information Sensors
Engine Data Sensors-A/C Refrig Press, TP, MAP, ECT, IAT (Oldsmobile)
Indicator Lamps
OBD II Symbol Description Notice
Handling ESD Sensitive Parts Notice
Handling ESD Sensitive Parts Notice