GM Service Manual Online
For 1990-2009 cars only
Makes
🢒
Chevrolet
🢒
1997
🢒
Lumina
🢒 A/C Compressor Controls (Oldsmobile)
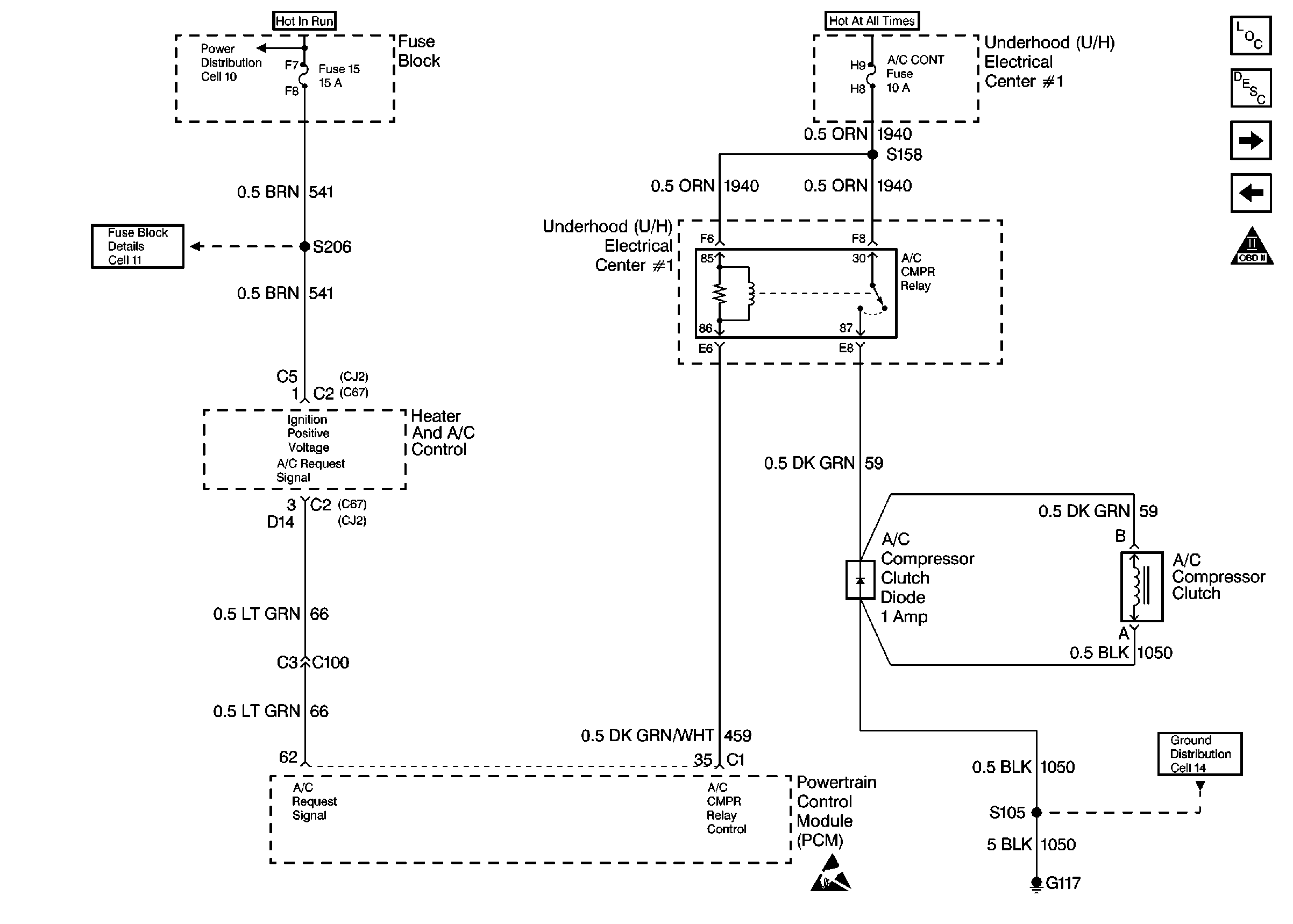
A/C Compressor Controls (Oldsmobile)
A/C Compressor Controls (Oldsmobile)
Engine Controls Components
Information Sensors
Coolant Fans (Chevrolet)
A/C Compressor Controls (Chevrolet)
OBD II Symbol Description Notice
Handling ESD Sensitive Parts Notice