GM Service Manual Online
For 1990-2009 cars only

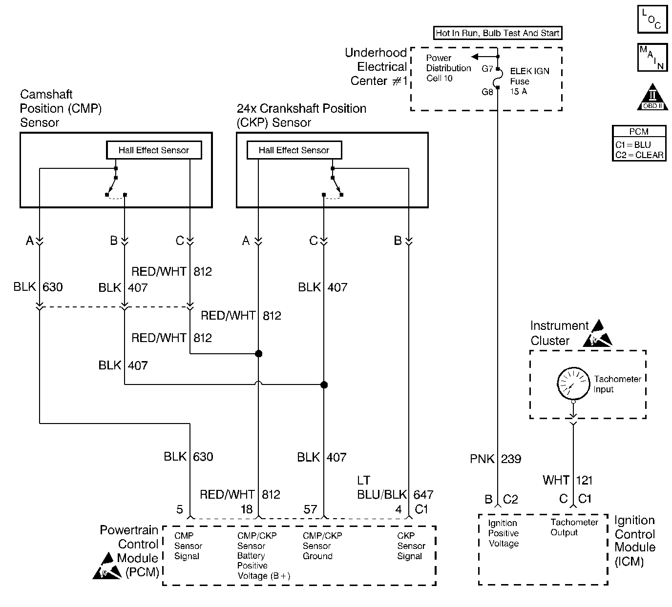
Object Number: 59795  Size: LF
Engine Controls Components 97
Ignition System, Knock Sensor
OBD II Symbol Description Notice
Handling ESD Sensitive Parts Notice
Handling ESD Sensitive Parts Notice

Circuit Description

Output Driver Modules (ODMs) are used by the PCM to turn ON many of the current-driven devices that are needed to control various engine and Transaxle functions. Each ODM is capable of controlling up to 7 separate outputs by applying ground to the device which the PCM is commanding ON.

Unlike the Quad Driver Modules (QDMs) used in prior model years, ODMs have the capability of diagnosing each output circuit individually. DTC P1674 set indicates an improper voltage level has been detected on ODM D Output 4, which controls the Instrument Cluster Tachometer.

Conditions for Setting the DTC

    • An improper voltage level has been detected on the tachometer control circuit.
    • The above conditions are present for at least 30 seconds.

Action Taken When the DTC Sets

    • The PCM will not illuminate the Malfunction Indicator Lamp (MIL).
    • The PCM will store conditions which were present when the DTC set as Fail Records data only. This information will not be stored as Freeze Frame data.

Conditions for Clearing the MIL/DTC

    • A history DTC will clear after 40 consecutive warm-up cycles have occurred without a malfunction.
    • DTC can be cleared by using the scan tool Clear Info function or by disconnecting the PCM battery feed.

Diagnostic Aids

The PCM supplies the ground to energize the Instrument Cluster tachometer. When the ignition switch is first turned on, the PCM grounds the tachometer circuit.The circuit will remain grounded until the PCM receives the first 24X reference pulse. Once the 24X reference pulse is received, the PCM controls the pulse frequency in relationship to engine RPM. The tachomter is controlled at a rate of two pulses per crankshaft revolution.

Check for the following conditions:

    • 24X/Camshaft position sensors feed or ground circuits: A fault in the 24X/camshaft position sensors feed or ground circuits will result in the loss of both PCM input pulses. Without a 24X reference pulse the PCM can not begin tachometer pulse control causing an inoperative tachometer.
    • Poor connection at the PCM or the I/P.
         Inspect harness connectors for backed out terminals, improper mating, broken locks, improperly formed or damaged terminals, and poor terminal to wire connection.
    • Damaged harness.
         Inspect the wiring harness for damage.
    • If the harness appears to be OK, disconnect the PCM, turn the ignition ON and observe a digital multimeter connected between the tachometer control circuit and ground at the PCM harness connector while moving connectors and wiring harnesses related to the tachometer. A change in voltage will indicate the location of the fault.

Reviewing the Fail Records vehicle mileage since the diagnostic test last failed may help determine how often the condition that caused the DTC to be set occurs. This may assist in diagnosing the condition.

Test Description

Number(s) below refer to the step number(s) on the Diagnostic Chart.

  1. Normally, ignition feed voltage should be present on the output driver circuit with the PCM disconnected and the ignition turned ON.

  2. Checks for a shorted component or a short to B+ on the output driver circuit. Either condition would result in a measured current of over 0.5 amps.

  3. Checks for a faulty instrument cluster.

  4. A fault in the 24X/Camshaft position sensors feed or ground circuits will result in the loss of both PCM input pulses. Without a 24X reference pulse the PCM can not begin tachometer pulse control causing an inoperative tachometer.

  5. This vehicle is equipped with a PCM which utilizes an Electrically Erasable Programmable Read Only Memory (EEPROM). When the PCM is being replaced, the new PCM must be programmed. Refer to PCM Replacement and Programming Procedures in Powertrain Control Module (PCM) and Sensors.

DTC P1674 - Tachometer Control Circuit

Step

Action

Value(s)

Yes

No

1

Was Instrument Cluster diagnosis in Electrical Diagnosis section 8A performed?

--

Go to Step 2

Go to Instrument Cluster diagnosis in Electrical Diagnosis section 8A

2

Was the Powertrain On-Board Diagnostic System Check performed?

--

Go to Step 3

Go to the Powertrain OBD System Check

3

  1. Turn OFF the ignition switch, disconnect the PCM.
  2. Turn ON the ignition switch.
  3. Using DVM (J 39200), measure voltage between the tachometer control circuit at the PCM harness connector and ground.

Is voltage near the specified value?

B+

Go to Step 4

Go to Step 7

4

  1. Set up DVM to measure 10 amp range.
  2. Measure current between the tachometer control circuit and ground.
  3. Monitor the current reading on the DVM for at least 2 minutes.

Does the current reading remain less than the specified value?

0.5 Amp

Go to Step 12

Go to Step 5

5

  1. Disconnect the instrument cluster (leave the PCM disconnected).
  2. Using DVM, measure voltage between the tachometer control circuit and ground.

Is voltage at the specified value?

0V

Go to Step 17

Go to Step 6

6

Locate and repair short to voltage in the tachometer control circuit. Refer to Repair Procedures in Electrical Diagnosis.

Is action complete?

--

Go to Step 19

--

7

Check the ignition feed fuse for the instrument cluster.

Is the fuse blown?

--

Go to Step 8

Go to Step 9

8

  1. Locate and repair the following short condition:
  2. • Short to ground in ignition feed circuit.
    • Shorted component. Refer to Fuse Block Details in Electrical Diagnosis.
  3. Replace fuse.

Is action complete?

--

Go to Step 19

--

9

  1. Disconnect the instrument cluster.
  2. Turn ON the ignition switch, measure voltage between the ignition feed circuit for the instrument cluster and ground.

Is voltage near the specified value?

B+

Go to Step 10

Go to Step 16

10

  1. Check the tachometer control circuit for an open or a short to ground.
  2. If a problem is found, repair the tachometer control circuit.

Was a problem found?

--

Go to Step 19

Go to Step 11

11

  1. Check the tachometer control circuit and the ignition feed circuit for a poor connection at the instrument cluster and at the PCM.
  2. If a problem is found, replace faulty terminal(s).

Was a problem found?

--

Go to Step 19

Go to Step 17

12

  1. Turn OFF the ignition switch, reconnect the PCM and disconnect the instrument cluster.
  2. Connect a test light between the tachometer control circuit and the tachometer feed circuit at the instrument cluster harness connector.
  3. With the engine idling, observe the test light.

Does the test light flash ON and OFF?

--

Refer to Diagnostic Aids

Go to Step 13

13

Is the test light on steady?

--

Go to Step 14

Go to Step 15

14

Locate and repair the following circuit condition:

    • Short to ground in the 24X/Camshaft position sensor feed circuit.
    • Open in the 24X/Camshaft position sensor ground circuit.
    • Faulty splice connection in the 24X/Camshaft position sensor feed or ground circuit.

Is action complete?

--

Go to Step 19

--

15

  1. Check the tachometer control circuit for a poor connection at the PCM.
  2. If a problem is found, replace faulty terminal.

Was a problem found?

--

Go to Step 19

Go to Step 18

16

Locate and repair open in ignition feed circuit to the instrument cluster. Refer to Repair Procedures in Electrical Diagnosis.

Is action complete?

--

Go to Step 19

--

17

Replace the instrument cluster.

Is action complete?

--

Go to Step 19

--

18

Replace the PCM.

Important: Replacement PCM must be programmed. Refer to Powertrain Control Module Replacement/Programming.

Is action complete?

--

Go to Step 19

--

19

Operate the vehicle while observing the I/P tachometer.

Does the I/P tachometer operate properly?

--

System OK

Go to Instrument Cluster diagnosis in Electrical Diagnosis section 8A