GM Service Manual Online
For 1990-2009 cars only
Figure 1:

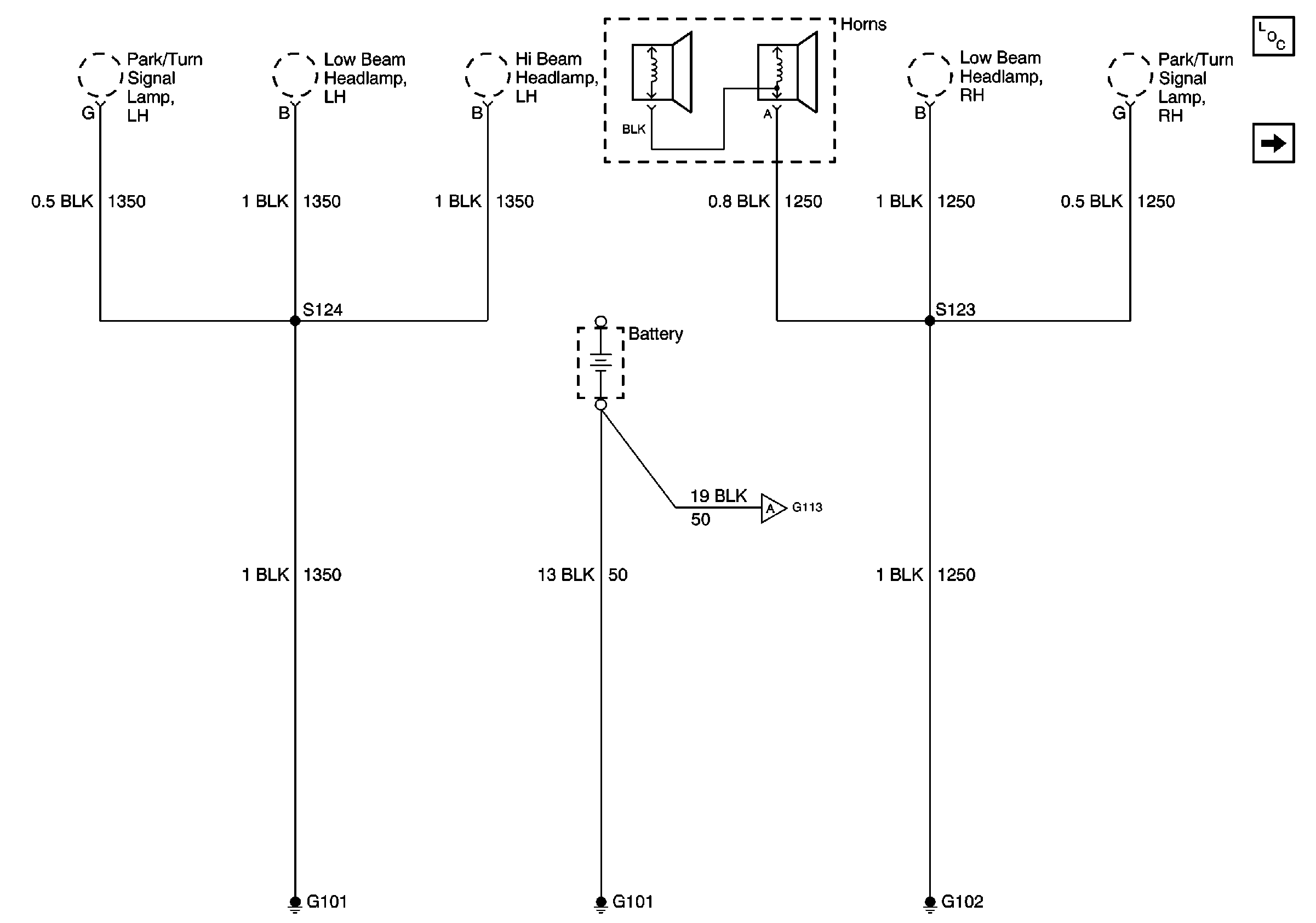
G101 and G102


Object Number: 588264  Size: FS
Figure 2:

G113


Object Number: 588278  Size: FS
Figure 3:

G117


Object Number: 588281  Size: FS
Figure 4:

G201


Object Number: 588286  Size: FS
Figure 5:

G205 (1 of 2)


Object Number: 588289  Size: FS
Figure 6:

G205 (2 of 2), G251, and G301


Object Number: 588291  Size: FS
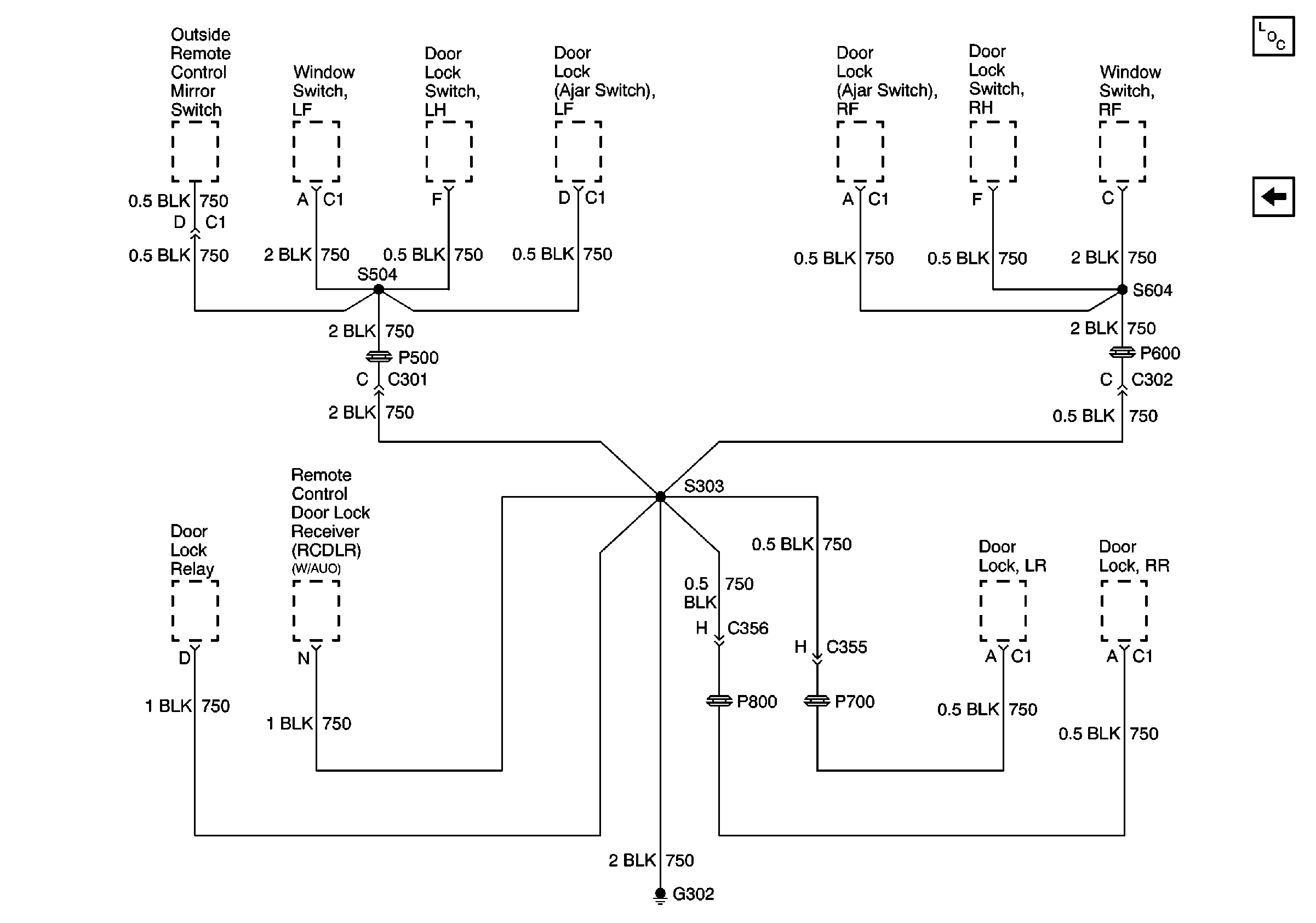
Figure 7:

G302 (1 of 2)


Object Number: 588302  Size: FS
Figure 8:

G302 (2 of 2)


Object Number: 588310  Size: FS