GM Service Manual Online
For 1990-2009 cars only
Makes
🢒
Chevrolet
🢒
2000
🢒
Lumina
🢒
Engine
🢒
Engine Cooling
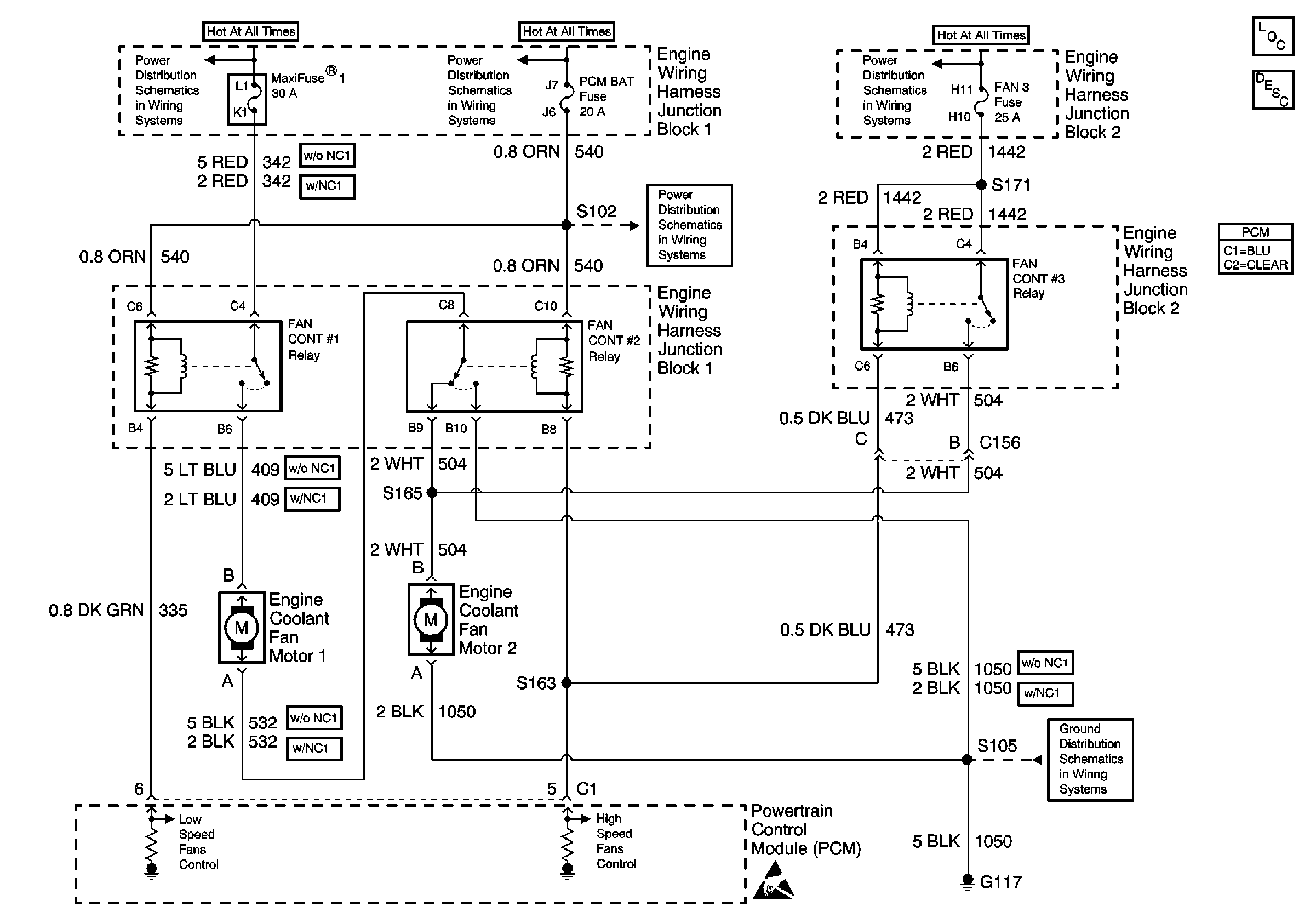
🢒 Cooling Fan Schematics
Maxifuses 1, 2, 3 and 4, Fuses 1, 5, 10, 14, 19, 23, 28, 32, 37 and41, PCM BAT and R/CMPT Fuses, Circuit Breaker D, and FAN CONT #1 Relay
PCM BAT and R/CMPT REL Fuses
PCM BAT and R/CMPT REL Fuses
ABS, FAN 3, PARK LPS and HORN Fuses
Handling ESD Sensitive Parts Notice
G117
Cooling System Components
Engine Cooling Fan Description - Electric