GM Service Manual Online
For 1990-2009 cars only
Makes
🢒
Chevrolet
🢒
2000
🢒
Lumina
🢒
Body and Accessories
🢒
Lighting Systems
🢒 Interior Lights Dimming Schematics
Figure
1:
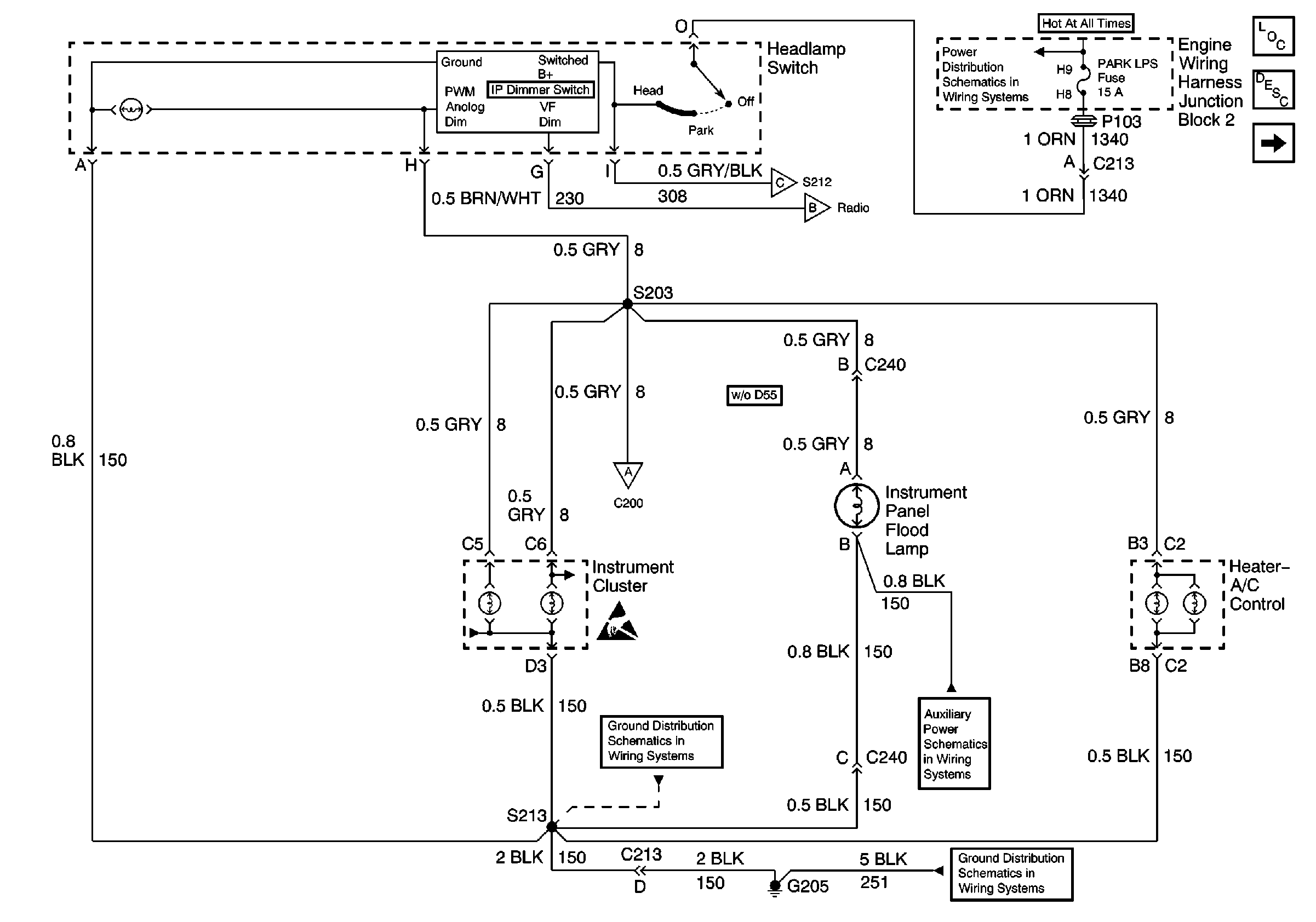
Fuse Distribution, Headlamp Switch, Instrument Cluster, Instrument Panel Flood Lamp and HVAC Control
Fan #3, PARK LPS, HORN, ABS, IGN SW 1 Fuses, HD LPS Circuit Breaker, and Electronic Brake Control Relay (ABS)
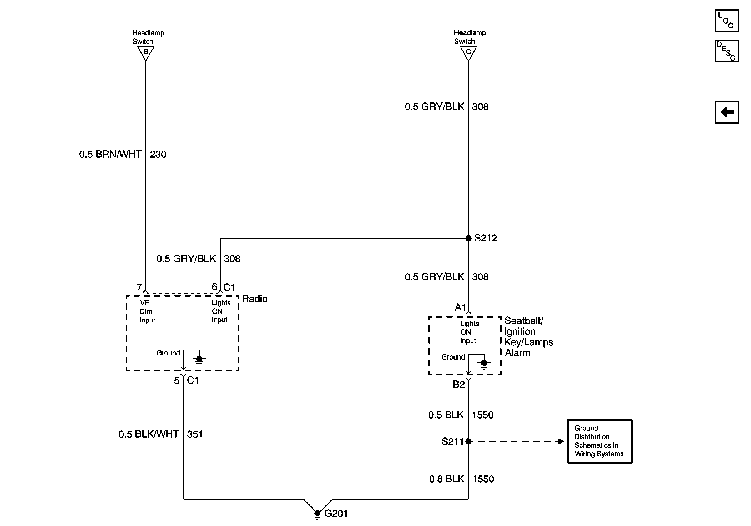
Radio and Seatbelt/Ignition Key/ Lamps Alarm
Radio and Seatbelt/Ignition Key/ Lamps Alarm
Lighting Systems Components
Interior Lights Dimming Circuit Description
Door Lock and Window Switches
Door Lock and Window Switches
Handling ESD Sensitive Parts Notice
G205 (1 of 2)
Cigar Lighter/Power Outlet Schematics
G205 (1 of 2)
Figure
2:
Door Lock and Window Switches
Fuse Distribution, Headlamp Switch, Instrument Cluster, Instrument Panel Flood Lamp and HVAC Control
Lighting Systems Components
Interior Lights Dimming Circuit Description
Radio and Seatbelt/Ignition Key/ Lamps Alarm
Fuse Distribution, Headlamp Switch, Instrument Cluster, Instrument Panel Flood Lamp and HVAC Control
G302 (2 of 2)
G302 (2 of 2)
Figure
3:
Radio and Seatbelt/Ignition Key/ Lamps Alarm
Fuse Distribution, Headlamp Switch, Instrument Cluster, Instrument Panel Flood Lamp and HVAC Control
Fuse Distribution, Headlamp Switch, Instrument Cluster, Instrument Panel Flood Lamp and HVAC Control
Lighting Systems Components
Interior Lights Dimming Circuit Description
Door Lock and Window Switches
G201