GM Service Manual Online
For 1990-2009 cars only
Makes
🢒
Chevrolet
🢒
2000
🢒
Lumina
🢒
Body and Accessories
🢒
Wipers/Washer Systems
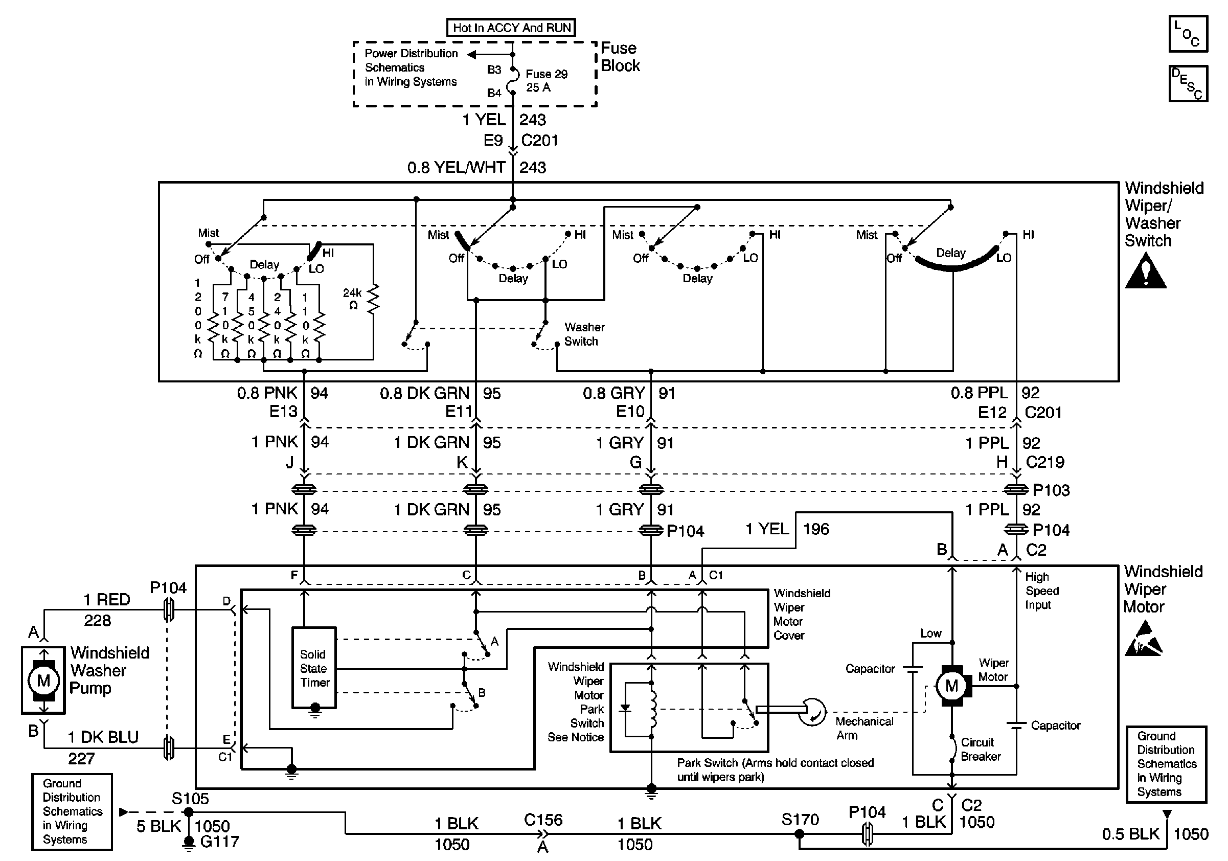
🢒 Wiper/Washer System (Pulse) Schematics
Fuses 11, 20, 29, and 38
G117
Handling ESD Sensitive Parts Notice
G117
Wiper/Washer System Components
Wiper/Washer System Description