GM Service Manual Online
For 1990-2009 cars only
Makes
🢒
Chevrolet
🢒
2000
🢒
Lumina
🢒
Body and Accessories
🢒
Theft Deterrent
🢒 Theft Deterrent System Schematics
Figure
1:
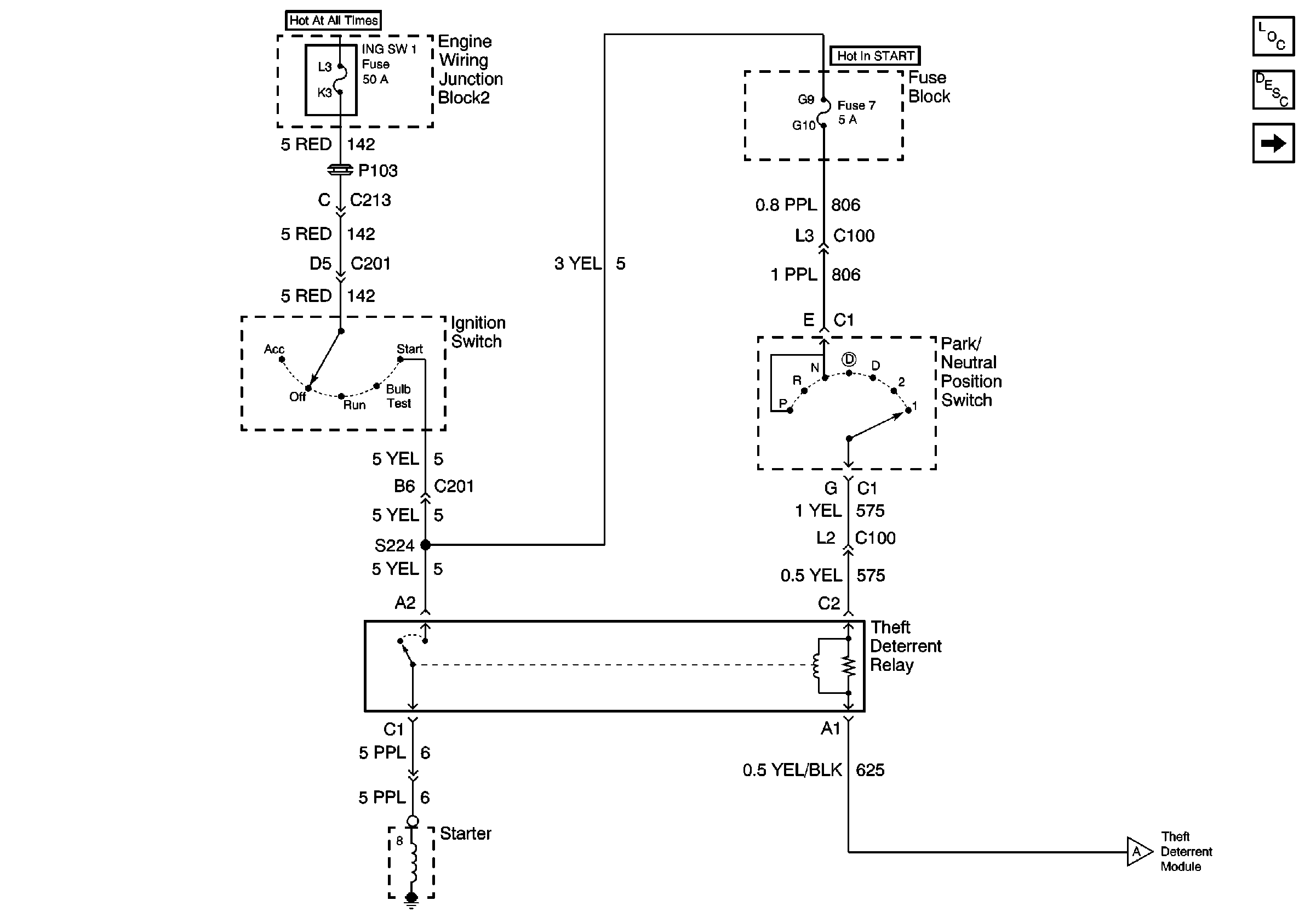
Power/Ground Distribution, and Theft Relay
Theft Deterrent System Components
Vehicle Theft Deterrent (VTD)Circuit Description
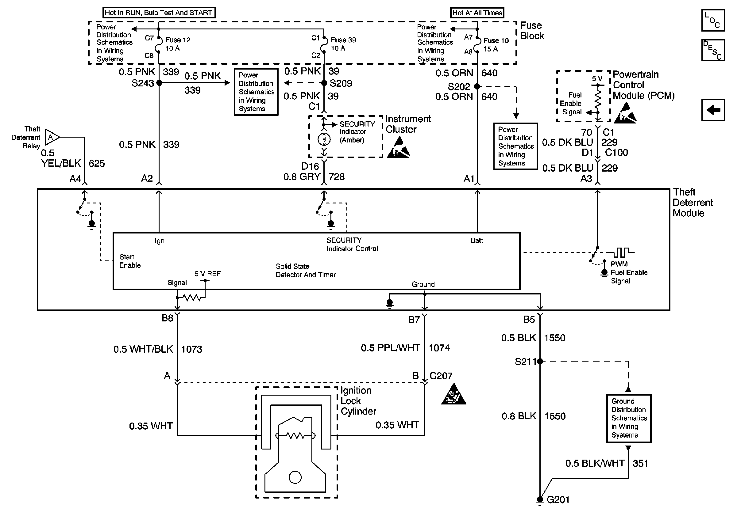
Power/Ground Distribution, and Theft Module
Power/Ground Distribution, and Theft Module
Figure
2:
Power/Ground Distribution, and Theft Module
Fuses 12, 21, 30, 33, 39, 42, ELEK IGN, PCM IGN, F/INJN, TRANS, A/C CONT, AIR PUMP Fuses, IGN SYST Relay
Power/Ground Distribution, and Theft Relay
Fuses 12, 21, 30, 33, 39, 42, ELEK IGN, PCM IGN, F/INJN, TRANS, A/C CONT, AIR PUMP Fuses, IGN SYST Relay
Maxifuses 1, 2, 3 and 4, Fuses 1, 5, 10, 14, 19, 23, 28, 32, 37 and41, PCM BAT and R/CMPT Fuses, Circuit Breaker D, and FAN CONT #1 Relay
Handling ESD Sensitive Parts Notice
Fuses 10 and 19
Handling ESD Sensitive Parts Notice
Theft Deterrent System Components
Vehicle Theft Deterrent (VTD)Circuit Description
Power/Ground Distribution, and Theft Relay
SIR Caution
G201