GM Service Manual Online
For 1990-2009 cars only
Makes
🢒
Chevrolet
🢒
2000
🢒
Lumina
🢒 Cell 138: 2 of 2
Cell 138: 2 of 2
Cell 138: 2 of 2
Tilt Wheel/Column Components
Cell 138: 1 of 2
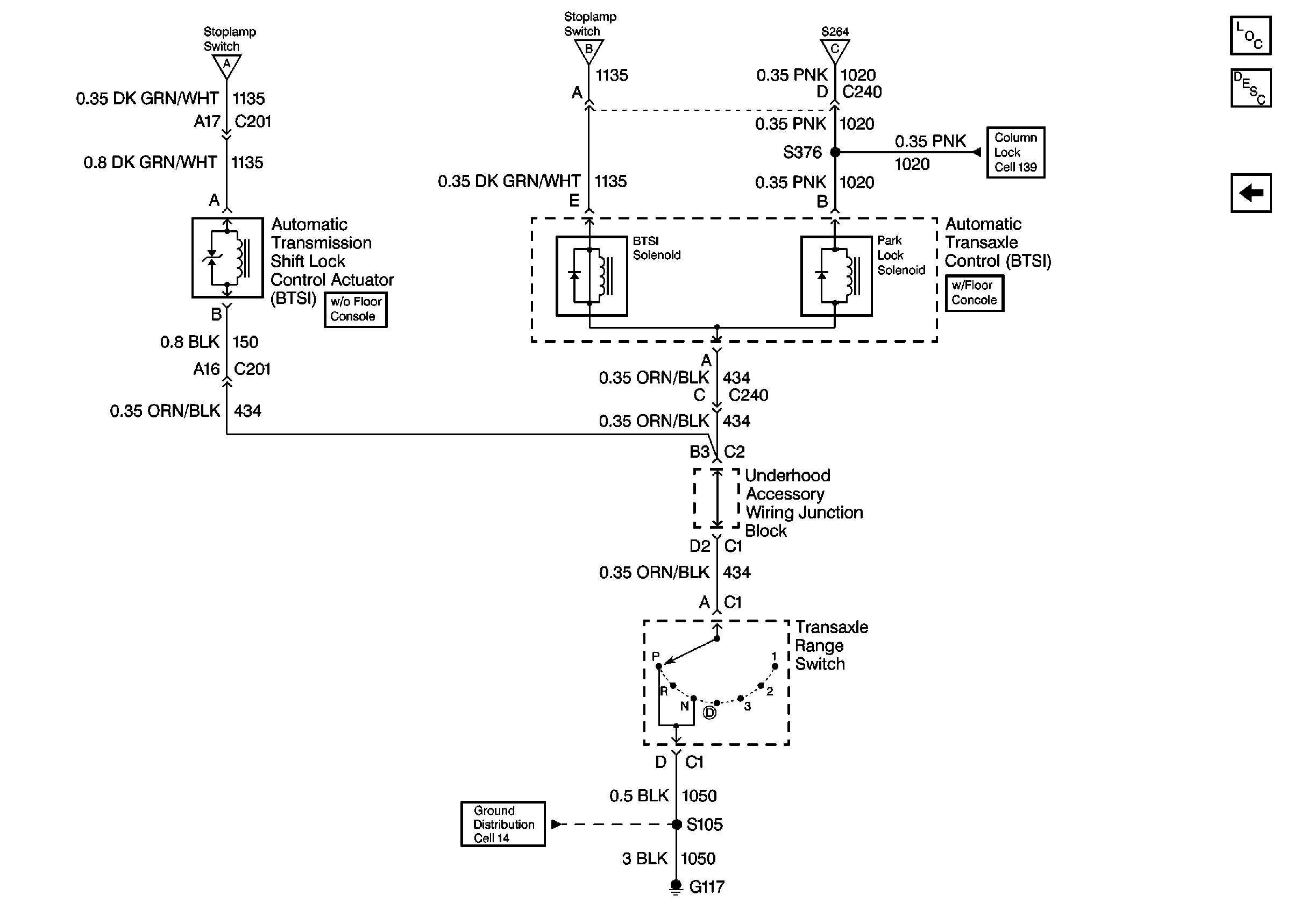
Automatic Transmission Shift Lock Control Circuit Description
Column/Ignition Lock Schematics
Cell 14: Engine Ground G117
Cell 138: 1 of 2
Cell 138: 1 of 2
Cell 138: 1 of 2