GM Service Manual Online
For 1990-2009 cars only
Makes
🢒
Chevrolet
🢒
2000
🢒
Lumina
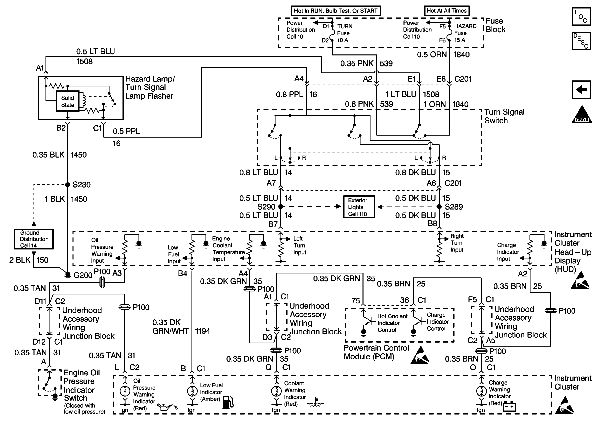
🢒 Cell 83: Head-Up Display (HUD), Continued
Cell 83: Head-Up Display (HUD), Continued
Cell 83: Head-Up Display (HUD), Continued
Instrument Cluster and HUD Components
Head Up Display Circuit Description
Cell 83: Head-Up Display (HUD)
Ground Distribution Schematics
Exterior Lights Schematics
OBD II Symbol Description Notice
Handling ESD Sensitive Parts Notice
Handling ESD Sensitive Parts Notice
Handling ESD Sensitive Parts Notice