GM Service Manual Online
For 1990-2009 cars only
Makes
🢒
Chevrolet
🢒
2000
🢒
Lumina
🢒 Cell 114 Interior Lights: IP Courtesy, Door Courtesy, Underhood
Cell 114 Interior Lights: IP Courtesy, Door Courtesy, Underhood
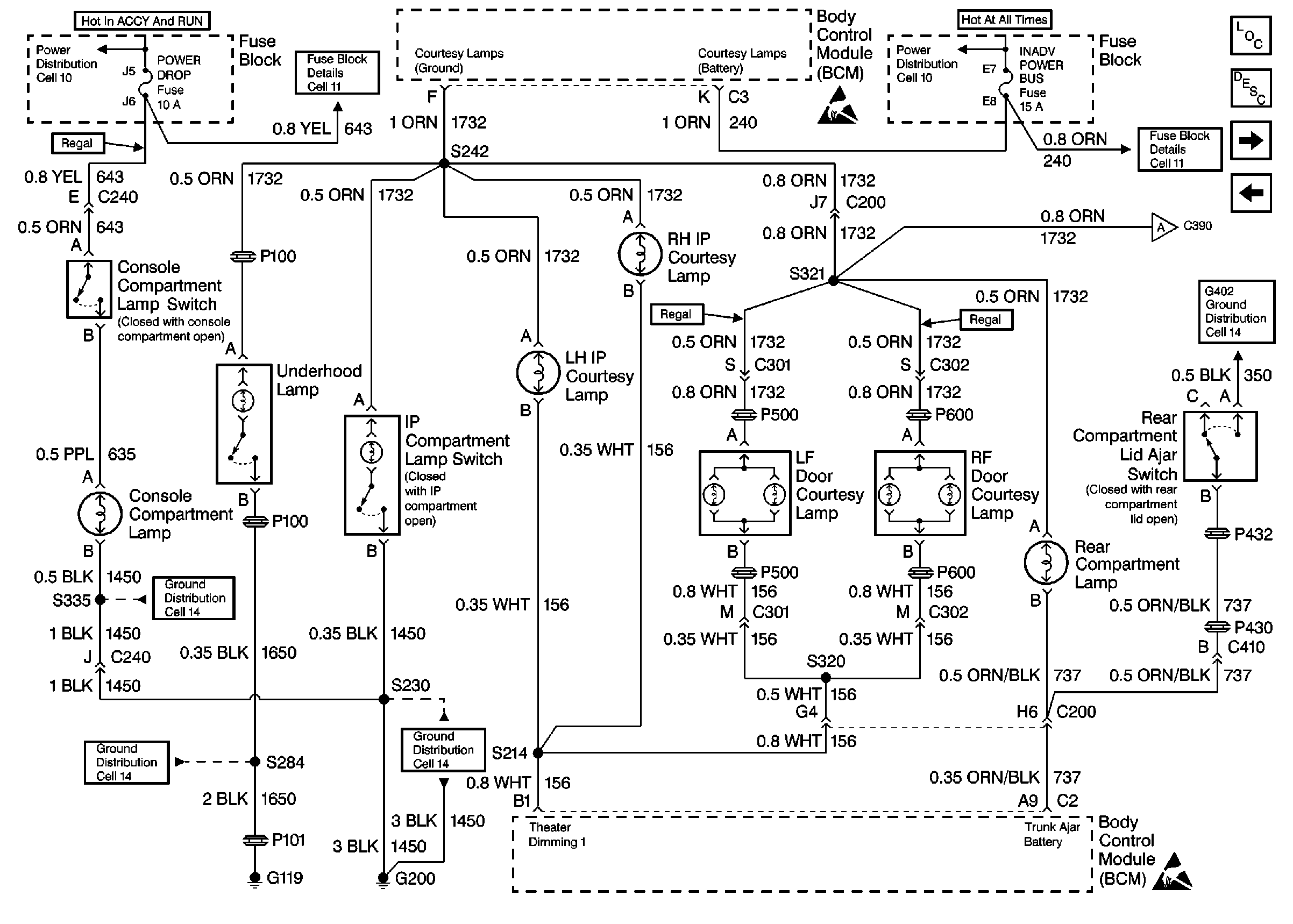
Cell 114 Interior Lights: IP Courtesy, Door Courtesy, Underhood, IP Compartment, Console Compartment and Rear Compartment Lamps
Cell 114 Interior Lights Sunshade, Roof Rail, Reading
Cell 114 Interior Lamps: Headlamp and Door Ajar Switches
Fuse Block Schematics
Ground Distribution Schematics
Power Distribution Schematics
Fuse Block Schematics
Power Distribution Schematics
Ground Distribution Schematics
Ground Distribution Schematics
Ground Distribution Schematics
Handling ESD Sensitive Parts Notice
Handling ESD Sensitive Parts Notice