GM Service Manual Online
For 1990-2009 cars only
Makes
🢒
Chevrolet
🢒
2000
🢒
Lumina
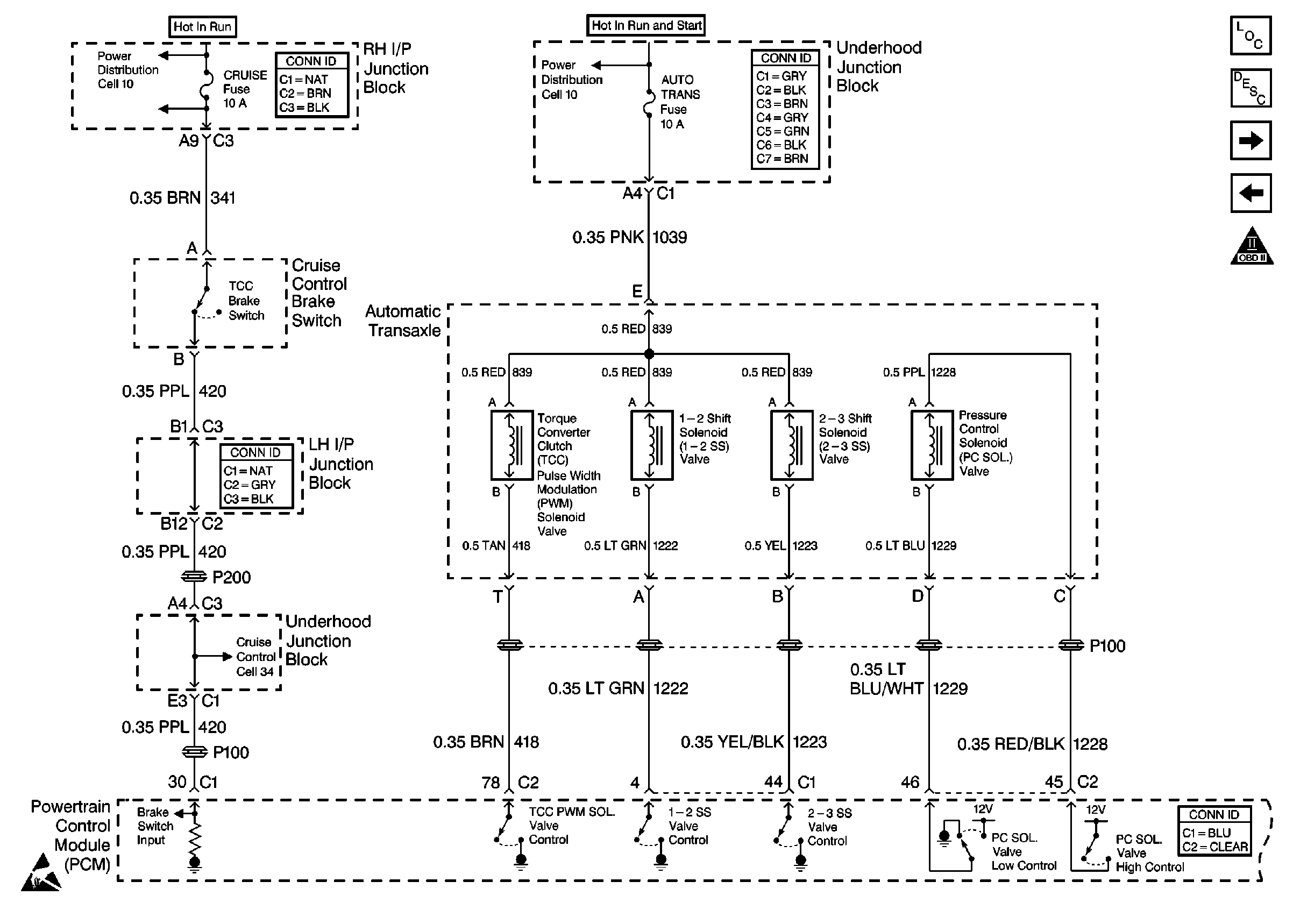
🢒 Transaxle Controls (Solenoids)
Transaxle Controls (Solenoids)
Transaxle Controls (Solenoids)
Engine Controls Component Views
Information Sensors/Switches Description
Cell 21: Transaxle Controls (Switches)
Cell 21: VSS and Cruise Control
OBD II Symbol Description Notice
Handling ESD Sensitive Parts Notice
Power Distribution Schematics
Power Distribution Schematics