GM Service Manual Online
For 1990-2009 cars only
Makes
🢒
Chevrolet
🢒
2000
🢒
Lumina
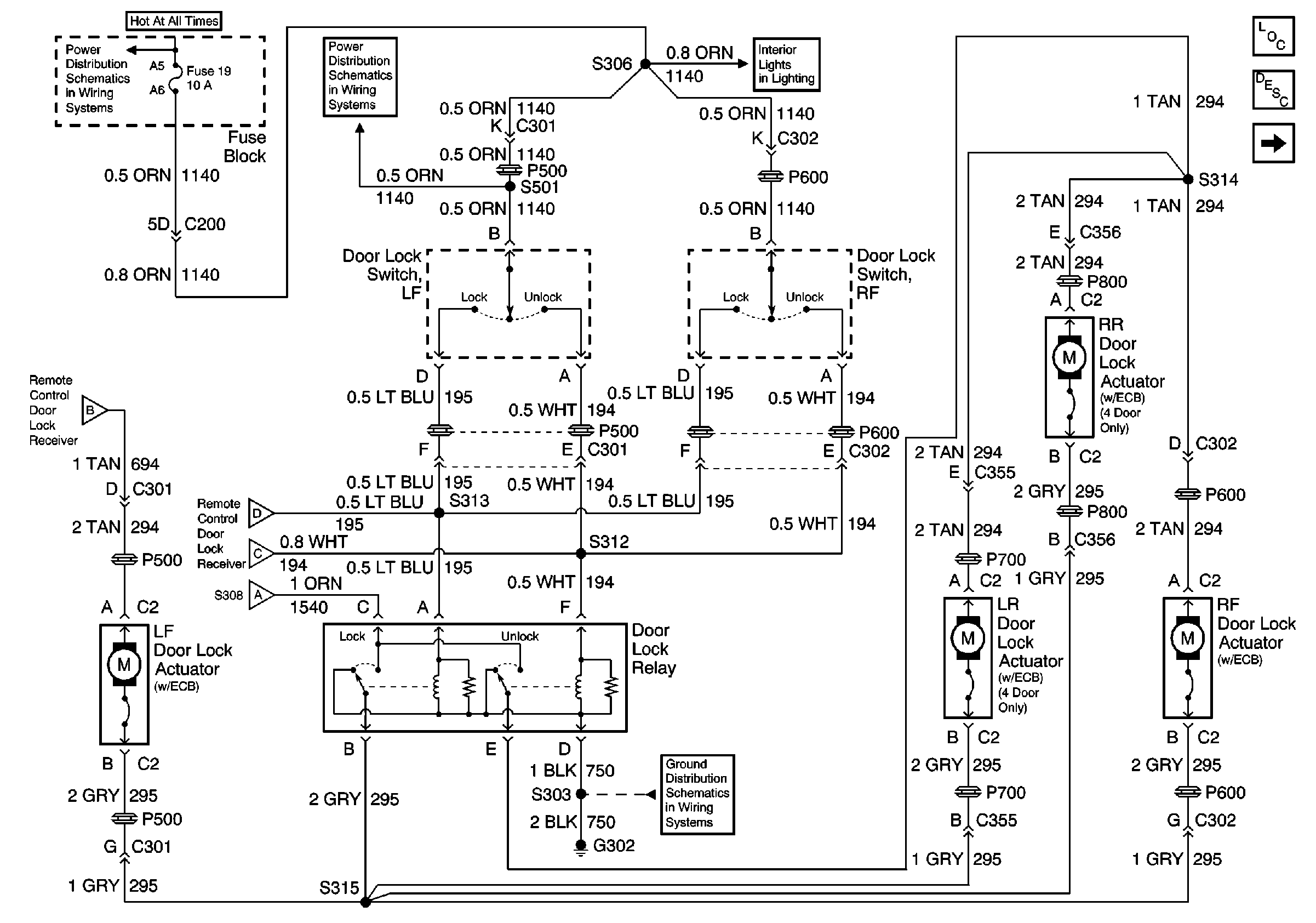
🢒 Door Lock Switches, Door Lock Relay and Door Lock Actuators
Door Lock Switches, Door Lock Relay and Door Lock Actuators
Door Lock Switches, Door Lock Relay and Door Lock Actuators
Maxifuses 1, 2, 3 and 4, Fuses 1, 5, 10, 14, 19, 23, 28, 32, 37 and41, PCM BAT and R/CMPT Fuses, Circuit Breaker D, and FAN CONT #1 Relay
Fuses 10 and 19
Power, Ground Rear Compartment Lid Lock Release Solenoid and Headlampswitch input
Power, Ground Rear Compartment Lid Lock Release Solenoid and Headlampswitch input
Power, Ground Rear Compartment Lid Lock Release Solenoid and Headlampswitch input
Power, Ground Rear Compartment Lid Lock Release Solenoid and Headlampswitch input
Fuse Distribution, Dome Lamp, Rear Compartment Lamp, IP Comparment Lamp and Inside Rearview Mirror
Keyless Entry Components
Keyless Entry System Circuit Description
Power, Ground Rear Compartment Lid Lock Release Solenoid and Headlampswitch input