GM Service Manual Online
For 1990-2009 cars only
Makes
🢒
Chevrolet
🢒
2000
🢒
Lumina
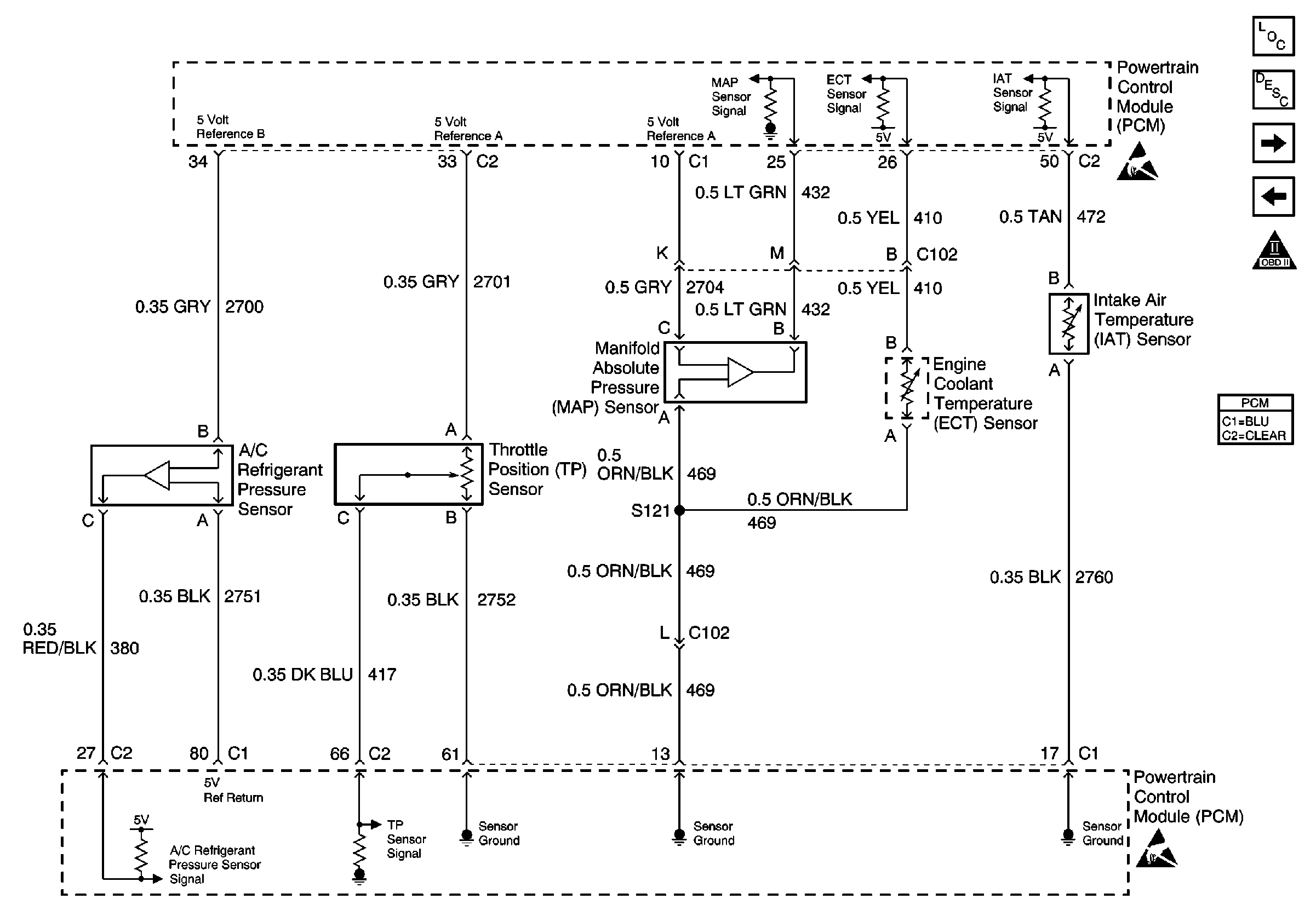
🢒 A/C Refrigerant Pressure, TP, MAP, ECT, and IAT
A/C Refrigerant Pressure, TP, MAP, ECT, and IAT
A/C Refrigerant Pressure, TP, MAP, ECT, and IAT
Handling ESD Sensitive Parts Notice
Handling ESD Sensitive Parts Notice
Engine Controls Components
Powertrain Control Module Description
Heated Oxygen Sensors
Fuel Injectors
OBD II Symbol Description Notice