GM Service Manual Online
For 1990-2009 cars only
Makes
🢒
Chevrolet
🢒
2000
🢒
Lumina
🢒 Heater A/C Controls
Heater A/C Controls
Heater A/C Controls
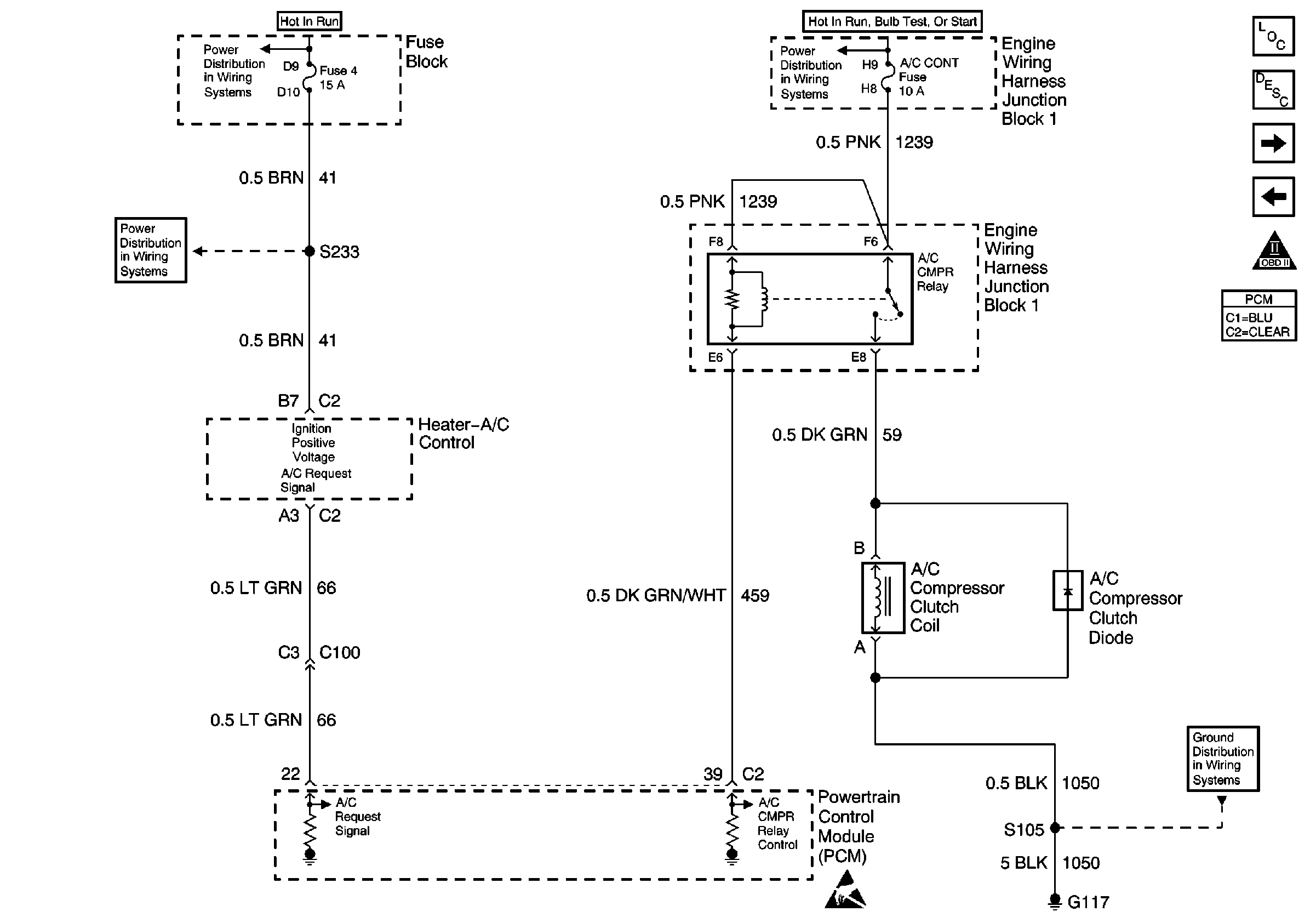
Fuses 4, 13, and 22
Fuses 4, 13, and 22
TRANS, A/C CONT, AIR PUMP Fuses
Handling ESD Sensitive Parts Notice
G117
Engine Controls Components
Powertrain Control Module Description
Cooling Fan Controls
Automatic Transaxle Inputs
OBD II Symbol Description Notice