GM Service Manual Online
For 1990-2009 cars only

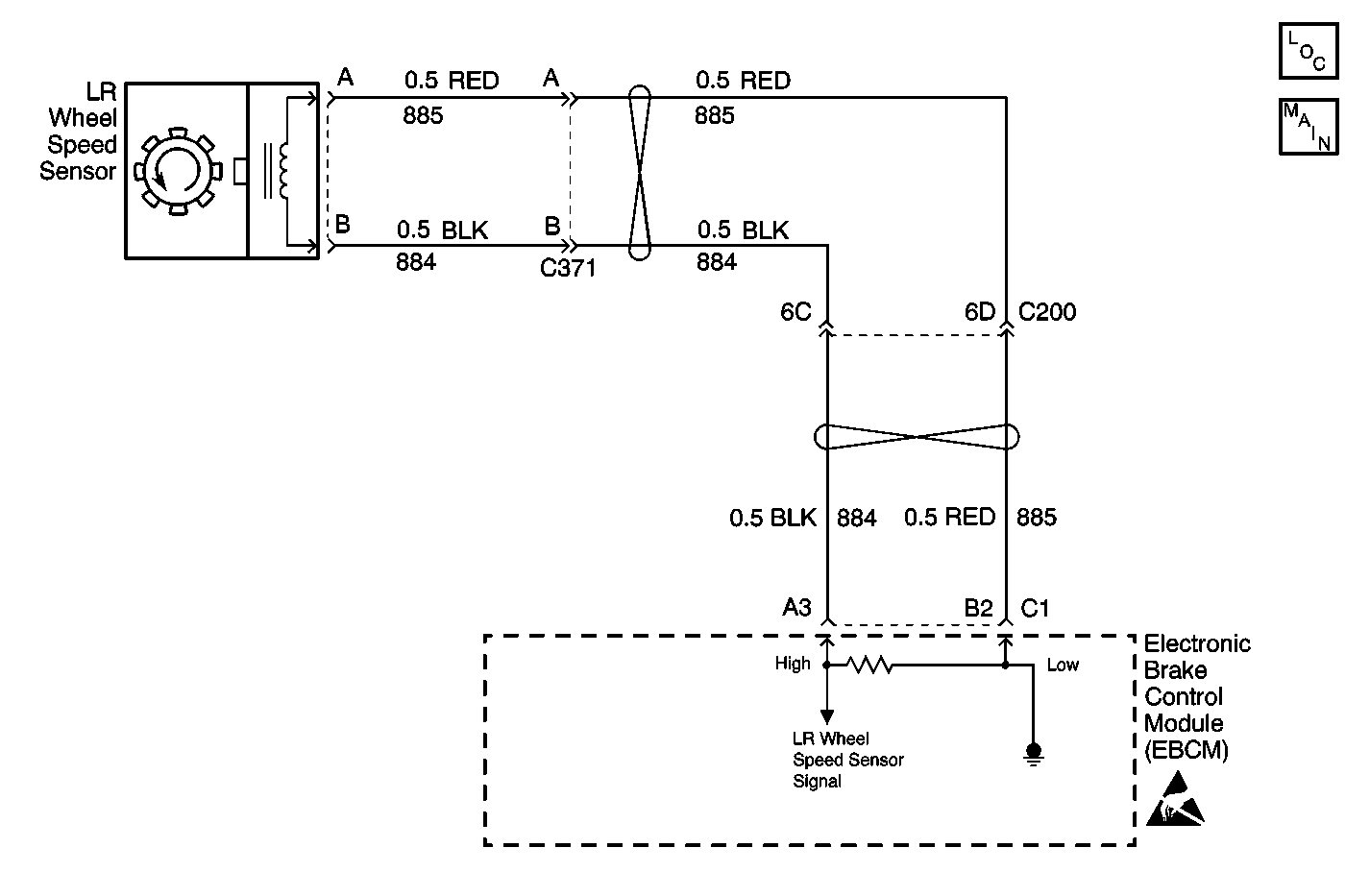
Object Number: 598702  Size: MF
ABS Components
Antilock Brake System Schematics
Handling Electrostatic Discharge Sensitive Parts Notice

Circuit Description

As a toothed ring passes by the wheel speed sensor, changes in the electromagnetic field cause the wheel speed sensor to produce a AC voltage signal. The frequency of the sinusoidal (AC) voltage signal is proportional to the wheel speed. The amplitude of the AC voltage signal is directly related to wheel speed and the proximity of the wheel speed sensor to the toothed ring. The proximity of the wheel speed sensor to the toothed ring is also referred to as the air gap.

Conditions for Setting the DTC

DTC C1223 can set when the vehicle is not in an ABS stop.

A malfunction exists if both of the following conditions occur:

    • The left rear wheel speed sensor input signal equals zero.
    • The vehicle's reference speed is greater than 8 km/h (5 mph)

Action Taken When the DTC Sets

    • A malfunction DTC stores.
    • The ABS disables.
    • The amber ABS warning indicators turn on.

Conditions for Clearing the DTC

    • The condition responsible for setting the DTC no longer exists and the Scan Tool Clear DTCs function is used.
    • 100 drive cycles pass with no DTCs detected.

Diagnostic Aids

The following conditions may cause an intermittent malfunction:

    • A poor connection
    • Rubbed-through wire insulation
    • A broken wire inside the insulation

Use the enhanced diagnostic function of the Scan Tool in order to measure the frequency of the malfunction. Refer to the Scan Tool manual for the procedure.

If the customer's comments reflect that the amber ABS warning indicator is on only during moist environmental changes (rain, snow, vehicle wash), inspect all the wheel speed sensor circuitry for signs of water intrusion. If the DTC is not current, clear all DTCs and simulate the effects of water intrusion by using the following procedure:

  1. Spray the suspected area with a five percent saltwater solution.
  2. Add two teaspoons of salt to twelve ounces of water to make a five percent saltwater solution.

  3. Test drive the vehicle over various road surfaces (bumps, turns, etc.) above 24 km/h (15 mph) for at least 30 seconds.
  4. If the DTC returns, replace the suspected harness.

Thoroughly inspect any circuitry that may be causing the intermittent complaint for the following conditions:

    • Backed out terminals
    • Improper mating
    • Broken locks
    • Improperly formed or damaged terminals
    • Poor terminal-to-wiring connections
    • Physical damage to the wiring harness

Resistance of the wheel speed sensor will increase with an increase in sensor temperature.

Use the following procedure in order to replace a wheel speed sensor:

  1. Inspect the wheel speed sensor terminals and harness connector for corrosion and/or water intrusion.
  2. Replace the wheel speed sensor if evidence of corrosion or water intrusion exists.
  3. Refer to Wheel Speed Sensor Replacement .

Use the following procedure in order to replace the wheel speed sensor jumper harness:

  1. Inspect the wheel speed sensor jumper harness terminals for corrosion and/or water intrusion.
  2. Replace the wheel speed sensor jumper harness if evidence of corrosion or water intrusion exists.
  3. Refer to Wheel Speed Sensor Jumper Harness Replacement .

Rear Wheel Speed Sensor Resistance

The following table contains resistance values for the rear wheel speed sensors at varying temperatures for use in diagnosis. The values are approximate and should be used as a guideline for diagnosis.

Temperature (°C)

Temperature (°F)

Resistance (Ohms)

-34 to 4

-30 to 40

800 to 1100

5 to 43

41 to 110

950 to 1300

44 to 93

111 to 200

111 to 1600

Important: Zero the J 39200 test leads before making any resistance measurements.

Important: Difficulty may occur when trying to locate intermittent malfunctions in the wheel speed sensor.

Do not disturb any of the electrical connections. Change the electrical connections only when instructed to do so by a step in the diagnostic table.

Changing the electrical connections at the correct time will ensure that an intermittent electrical connection will not be corrected until the source of the malfunction is found.

Step

Action

Value(s)

Yes

No

1

Was the Diagnostic System Check performed?

--

Go to Step 2

Go to Diagnostic System Check - ABS

2

  1. Turn the ignition switch to the OFF position.
  2. Inspect the left rear wheel speed sensor and the left rear wheel speed sensor harness connector for physical damage.

Is there any physical damage?

--

Go to Step 16

Go to Step 3

3

Inspect the following components for physical damage:

    • The left rear wheel speed sensor jumper harness
    • The left rear wheel speed sensor jumper harness connectors

Is there any physical damage?

--

Go to Step 15

Go to Step 4

4

  1. Disconnect the left rear wheel speed sensor directly at the left rear wheel speed sensor connector.
  2. Use the J 39200 in order to measure the resistance between the left rear wheel speed sensor connector terminal A and the left rear wheel speed sensor connector terminal B.

Is the resistance within the specified range?

1030-1180 ohms at 20°C (68°F)

Go to Step 5

Go to Step 16

5

  1. Select the A/C VOLTAGE scale on the J 39200 .
  2. Spin the left rear wheel by hand while observing the voltage reading on the J 39200 .

Is the voltage equal to or greater than the specified voltage?

100 mV

Go to Step 6

Go to Step 16

6

  1. Disconnect the 24-way EBCM connector C1.
  2. Use the J 39200 to measure the resistance between the 24-way EBCM connector C1 terminal A3 and terminal B2.

Is the resistance within the specified range?

OL (Infinite)

Go to Step 7

Go to Step 8

7

Inspect the 24-way EBCM connector C1 for the following conditions:

    • Damage
    • Poor terminal contact
    • Terminal corrosion
        (Damage, poor terminal contact, and terminal corrosion may cause a short between the 24-way EBCM conntector C1 terminal A3 and terminal  B2).

Are there signs of poor terminal contact, corrosion, or damaged terminals?

--

Go to Step 12

Go to Step 8

8

Inspect the wiring of CKT 885 and CKT 884 for signs of damage that may cause a short between CKT 885 and CKT 884.

Are there any signs of damaged wiring?

--

Go to Step 13

Go to Step 9

9

Inspect the harness connectors of CKT 885 and CKT 884 for signs of damage that may cause a short between CKT 885 and CKT 884.

Are there any signs of damaged connectors?

--

Go to Step 14

Go to Step 10

10

  1. Reconnect the 24-way EBCM harness connector C1.
  2. Reconnect the left rear wheel speed sensor harness connector.
  3. Install a scan tool.
  4. Test drive the vehicle at a speed above 24 km/h (15 mph) for at least 30 seconds.
  5. Use the scan tool in order to read the DTCs.

Does DTC C1223 set as a current DTC?

--

Go to Step 11

Go to Diagnostic Aids

11

  1. Select Data List on the scan tool.
  2. Monitor the wheel speed sensor speeds.
  3. Drive the vehicle in the following manner:
  4. 3.1. Slowly accelerate to 65 km/h (40 mph).
    3.2. Slowly decelerate to 0 km/h (0 mph).

Is the speed of the left rear wheel speed sensor constantly higher than the speed of the three remaining wheel speed sensors?

--

Go to Step 16

Go to Step 17

12

Replace all of the terminals that exhibit signs of poor terminal contact, corrosion, or damaged terminals.

Is the repair complete?

--

Go to Diagnostic System Check - ABS

--

13

Replace the damaged wiring harness that causes the short between CKT 885 and CKT 884.

Is the repair complete?

--

Go to Diagnostic System Check - ABS

--

14

Replace the damaged wiring harness connectors that cause the short between CKT 885 and CKT 884.

Is the repair complete?

--

Go to Diagnostic System Check - ABS

--

15

Replace the left rear wheel speed sensor jumper harness. Refer to Wheel Speed Sensor Jumper Harness Replacement .

Is the repair complete?

--

Go to Diagnostic System Check - ABS

--

16

Replace the left rear wheel speed sensor. Refer to Wheel Speed Sensor Replacement .

Is the repair complete?

--

Go to Diagnostic System Check - ABS

--

17

Replace the EBCM. Refer to Electronic Brake Control Module Replacement .

Is the repair complete?

--

Go to Diagnostic System Check - ABS

--