GM Service Manual Online
For 1990-2009 cars only

Refer to

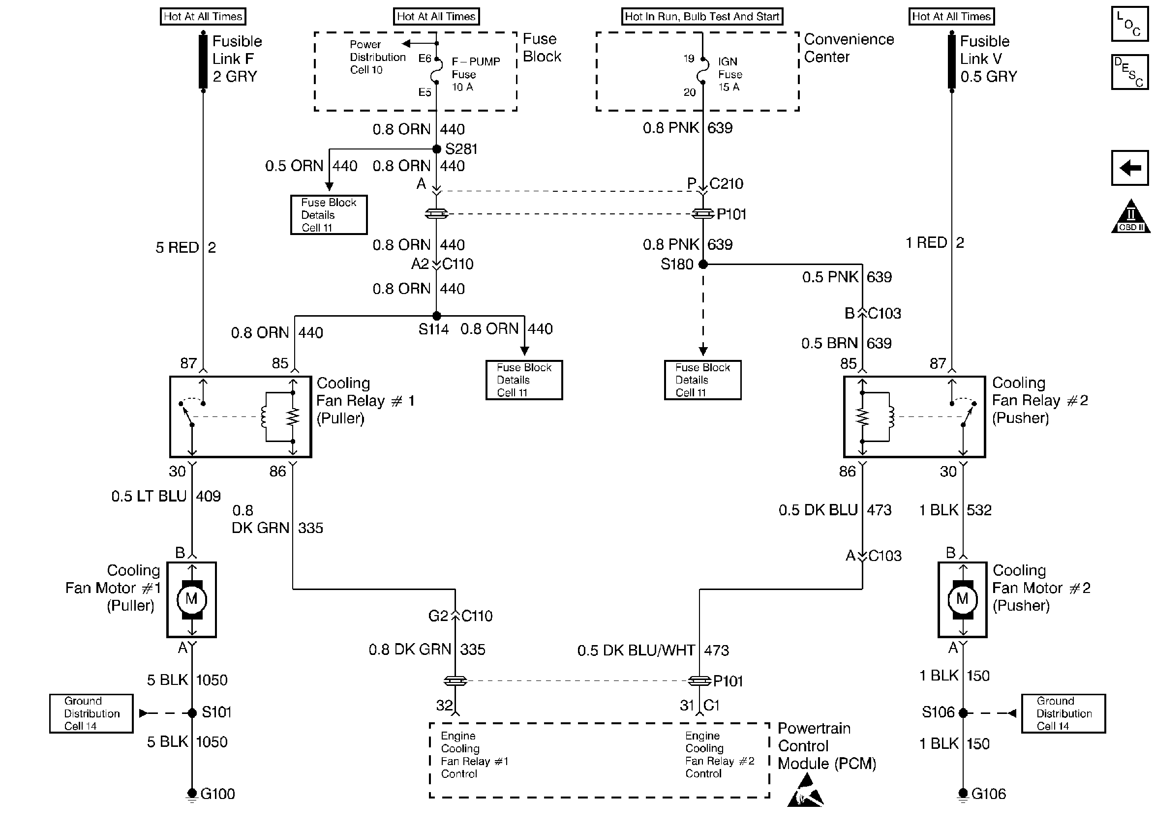
Engine Cooling Fans


Object Number: 31420  Size: FS
Engine Controls Components
A/C Controls
OBD II Symbol Description Notice
Handling ESD Sensitive Parts Notice
.

Circuit Description

Output Driver Modules (ODMs) are used by the PCM to turn on many of the current-driven devices that are needed to control various engine and Transaxle functions. Each ODM is capable of controlling up to 7 separate outputs by applying ground to the device which the PCM is commanding ON. Unlike the Quad Driver Modules (QDMs) used in prior model years, ODMs have the capability of diagnosing each output circuit individually. DTC P1652 set indicates an improper voltage level has been detected on ODM B output 2, which controls the high speed and series/parallel cooling fan relays.

Conditions for Setting the DTC

    • Ignition is ON.
    • An improper voltage level has been detected on ODM B output 2 (the Fan 2 relay(s) driver circuit).
    • Above conditions for at least 30 seconds.

Action Taken When the DTC Sets

    • The PCM will illuminate the malfunction indicator lamp (MIL) during the second consecutive trip in which the diagnostic test has been run and failed.
    • The PCM will store conditions which were present when the DTC set as Freeze Frame and Failure Records data.

Conditions for Clearing the MIL/DTC

    • The PCM will turn OFF the MIL during the third consecutive trip in which the diagnostic has been run and passed.
    • The History DTC will clear after 40 consecutive warm-up cycles have occurred without a malfunction.
    • The DTC can be cleared by using the scan tool.

Diagnostic Aids

Check for the following conditions:

    • Poor connection at PCM. Inspect harness connectors for backed out terminals, improper mating, broken locks, improperly formed or damaged terminals, and poor terminal to wire connection.
    • Damaged harness. Inspect the wiring harness for damage. If the harness appears to be OK, disconnect the PCM, turn the ignition ON and observe a voltmeter connected to the Fan 2 relay driver circuit at the PCM harness connector while moving connectors and wiring harnesses related to the Fan 2 relay. A change in voltage will indicate the location of the fault.

Reviewing the Fail Records vehicle mileage since the diagnostic test last failed may help determine how often the condition that caused the DTC to be set occurs. This may assist in diagnosing the condition.

Test Description

Number(s) below refer to the step number(s) on the Diagnostic Chart.

  1. Normally, ignition feed voltage should be present on the output driver circuit with the PCM disconnected and the ignition turned ON.

  2. Checks for a shorted component or a short to B+ on the output driver circuit. Either condition would result in a measured current of over 1.5 amps. Also checks for a component that is going open while being operated, resulting in a measured current of 0 amps.

  3. Checks for a faulty Fan 2 relay.

  4. This vehicle is equipped with a PCM which utilizes an Electrically Erasable Programmable Read Only Memory (EEPROM). When the PCM is being replaced, the new PCM must be programmed.

DTC P1652 - Fan 2 Relay Control Circuit

Step

Action

Value(s)

Yes

No

1

Was the Powertrain On-Diagnostic System Check performed?

--

Go to Step 2

Go to the Powertrain On Board Diagnostic (OBD) System Check

2

  1. Turn OFF the ignition switch, disconnect the PCM.
  2. Turn ON the ignition switch.
  3. Using J 39200 Digital Voltmeter (DVM), measure voltage between the fan 2 relay driver circuit at the PCM harness connector and ground.

Is voltage near the specified value?

B+

Go to Step 3

Go to Step 6

3

  1. Set up DVM to measure 10 amp range.
  2. Measure current between the fan 2 relay driver circuit and ground.
  3. Monitor the current reading on the DVM for at least 2 minutes.

Does the current reading remain between the specified values?

0.1-1.5 Amps

Go to Step 11

Go to Step 4

4

  1. Disconnect the fan 2 relay (leave the PCM disconnected).
  2. Using DVM, measure voltage between the fan 2 relay driver circuit and ground.

Is voltage at the specified value?

0V

Go to Step 14

Go to Step 5

5

Locate and repair short to voltage in the fan 2 relay driver circuit. Refer to Repair Procedures in Electrical Diagnosis.

Is action complete?

--

Go to Step 16

--

6

Check the ignition feed fuse for the fan 2 relay.

Is the fuse blown?

--

Go to Step 7

Go to Step 8

7

  1. Locate and repair short to ground in ignition feed circuit for the fan 2 relay. Refer to Fuse Block Details in Electrical Diagnosis.
  2. Replace fuse.

Is action complete?

--

Go to Step 16

--

8

  1. Disconnect the fan 2 relay.
  2. Turn ON the ignition switch, measure voltage between the ignition feed circuit for the fan 2 relay and ground.

Is voltage near the specified value?

B+

Go to Step 9

Go to Step 13

9

  1. Check the fan 2 relay driver circuit for an open or a short to ground.
  2. If a problem is found, repair the fan 2 relay driver circuit. Refer to Repair Procedures in Electrical Diagnosis.

Was a problem found?

--

Go to Step 16

Go to Step 10

10

  1. Check the output driver circuit and the ignition feed circuit for a poor connection at the fan 2 relay and at the PCM.
  2. If a problem is found, replace faulty terminal(s). Refer to Repair Procedures in Electrical Diagnosis.

Was a problem found?

--

Go to Step 16

Go to Step 14

11

  1. Turn OFF the ignition switch, reconnect the PCM and disconnect the fan 2 relay.
  2. Turn ON the ignition switch, connect J 35616-200 test light between the fan 2 relay driver circuit and the ignition feed circuit at the fan 2 relay harness connector.
  3. Using the scan tool outputs test function, cycle the fan 2 relay ON and OFF.

Does the test light flash ON and OFF?

--

Refer to Diagnostic Aids

Go to Step 12

12

  1. Check the fan 2 relay driver circuit for a poor connection at the PCM.
  2. If a problem is found, replace faulty terminal. Refer to Repair Procedures in Electrical Diagnosis.

Was a problem found?

--

Go to Step 16

Go to Step 15

13

Locate and repair open in ignition feed circuit to the fan 2 relay. Refer to Repair Procedures in Electrical Diagnosis.

Is action complete?

--

Go to Step 16

--

14

Replace the fan 2 relay.

Is action complete?

--

Go to Step 16

--

15

Replace the PCM.

Important: Replacement PCM must be programmed. Refer to Powertrain Control Module Replacement/Programming .

Is action complete?

--

Go to Step 16

--

16

  1. Review and record scan tool Fail Records data.
  2. Clear DTCs.
  3. Operate vehicle within Fail Records conditions as noted.
  4. Using a scan tool, monitor Specific DTC info for DTC P1652 until the DTC P1652 test runs.

Note test result; does scan tool indicate DTC P1652 failed this ign?

--

Go to Step 2

System OK