| Figure 1:  | 
 G101 and G102
  
 
 | 
| Figure 2:  | 
 G103, G106, G107, G108 and G109 (3.6L)
  
 
 | 
| Figure 3:  | 
 G103, G110, G111 and G112 (6.0L)
  
 
 | 
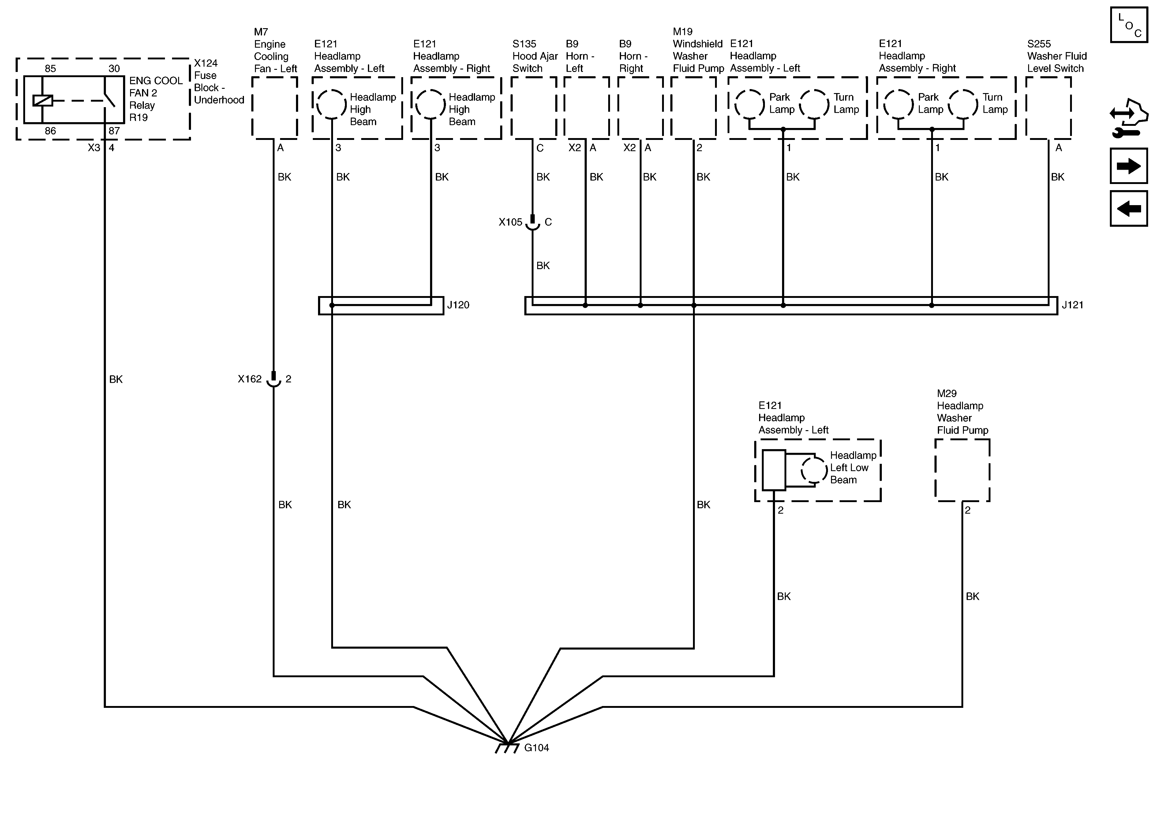
| Figure 4:  | 
 G104
  
 
 | 
| Figure 5:  | 
 G201 -- 1 of 2
  
 
 | 
| Figure 6:  | 
 G201 -- 2 of 2
  
 
 | 
| Figure 7:  | 
 G202
  
 
 | 
| Figure 8:  | 
 G303 and G304 -- 1 of 2
  
 
 | 
| Figure 9:  | 
 G304 -- 2 of 2 and G305 -- 1 of 2
  
 
 | 
| Figure 10:  | 
 G305 -- 2 of 2, G308 and G407
  
 
 | 
| Figure 11:  | 
 G401 and G409
  
 
 | 
| Figure 12:  | 
 AUX 1 and AUX 2 Ground Connectors (9C1)
  
 
 | 
| Figure 13:  | 
 G401 and G409
  
 
 |