GM Service Manual Online
For 1990-2009 cars only
Makes
🢒
Chevrolet
🢒
2007
🢒
Lumina VE
🢒
Diagnostic Navigation
🢒
Vehicle Diagnostic Information
🢒 Automatic Transmission Controls Schematics
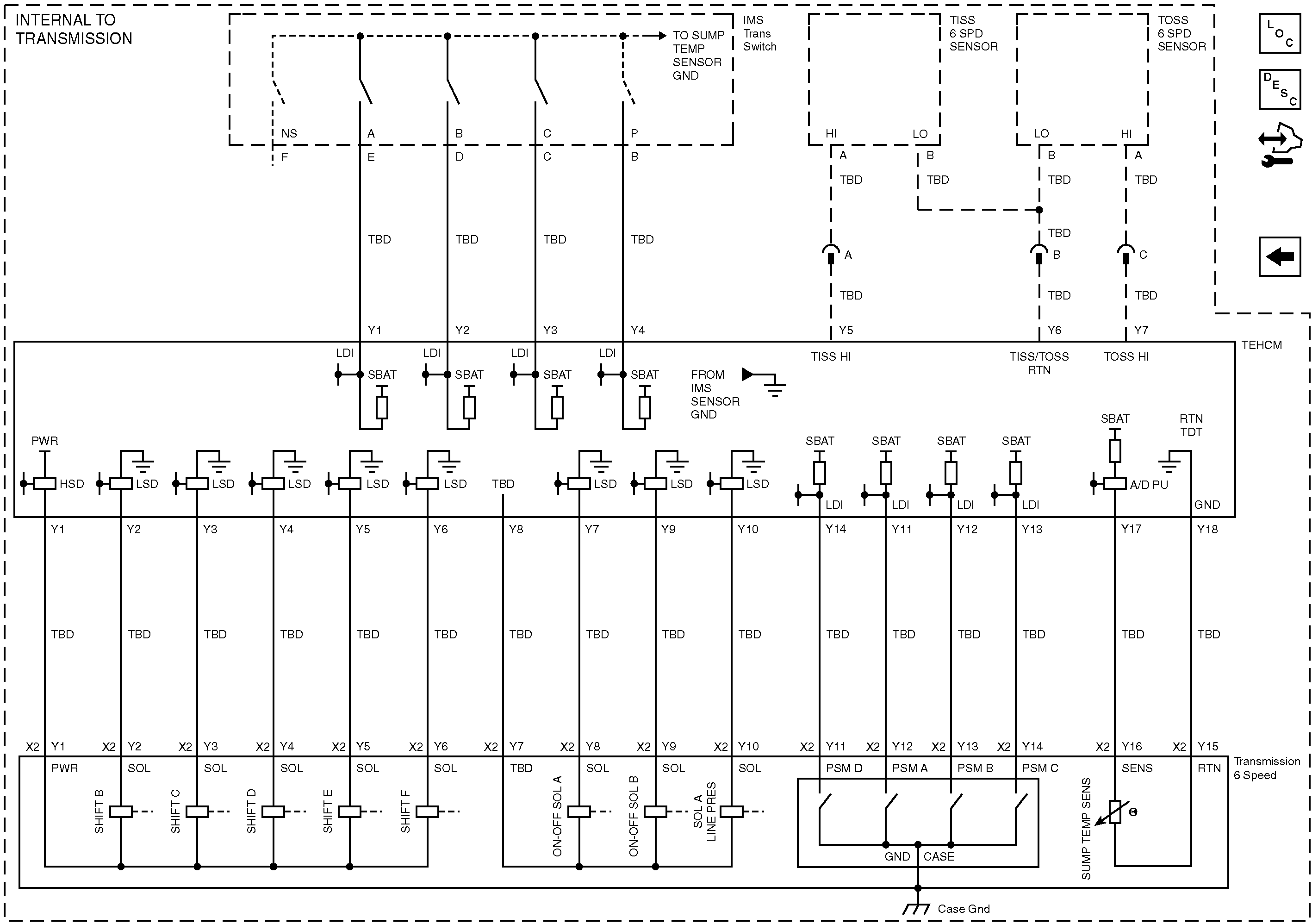
Figure
1:
TCM and Transmission, Power, Ground, Serial Data, Inputs and Outputs
Master Electrical Component List
Definitions and Abbreviations
Control Module References
Transmission Internals
G103, G110, G111 and G112 (6.0L)
ECM Power, Ground and Serial Data
B+ Bus - 1 of 2
B+ Bus - 1 of 2
B+ Bus - 1 of 2
Figure
2:
Transmission Internals
Master Electrical Component List
Definitions and Abbreviations
Control Module References
Shifter Assembly, Power/Economy Switch and Cruise Control Switch
TCM and Transmission, Power, Ground, Serial Data, Inputs and Outputs
Figure
3:
Shifter Assembly, Power/Economy Switch and Cruise Control Switch
Master Electrical Component List
Definitions and Abbreviations
Control Module References
Transmission Internals
G201 - 1 of 2
B+ Bus - 1 of 2
Cigar Lighters, Multifunction Center Console Switch, Headlamp and Dimmer Switch, Auto Transmission Shift Lever Switch, Steering Wheel Switches, Window/Door Lock and Mirror Switch Illumination