GM Service Manual Online
For 1990-2009 cars only

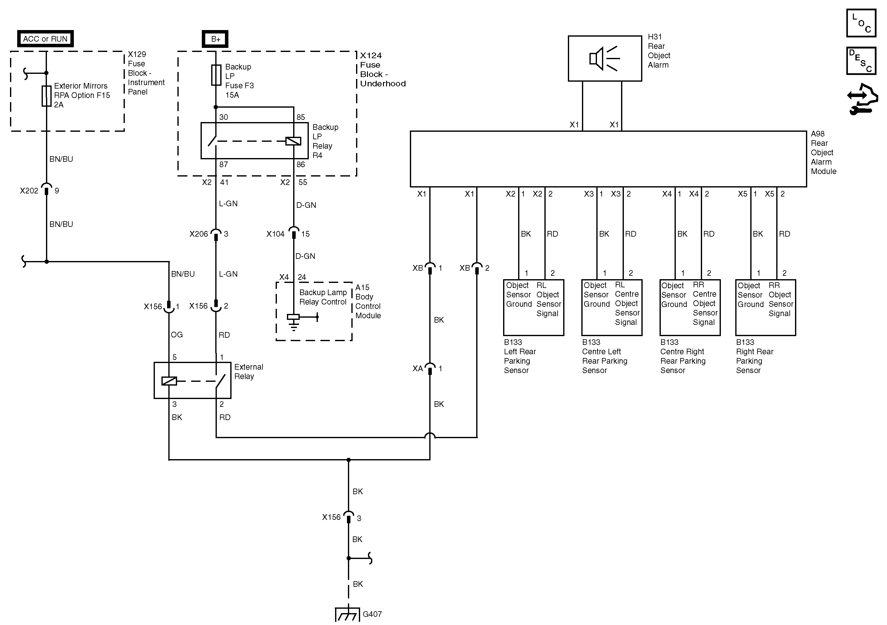
Object Detection Schematics SWBLHD

Rear Object Alarm, Module and Sensors, Inputs and Outputs


Object Number: 1958006  Size: FS
Master Electrical Component List
Object Detection Description and Operation SWBLHD
Control Module References
G305 - 2 of 2, G308 and G407

Object Detection Schematics LWB SWBRHD

Figure 1:

Front and Rear Object Alarm, Module and Rear Sensors, Inputs and Outputs


Object Number: 1958005  Size: FS
Master Electrical Component List
Object Detection Description and Operation LWB SWBRHD
Control Module References
Front and Rear Object Alarm, Front Sensors
G305 - 2 of 2, G308 and G407
B+ Bus - 1 of 2
Figure 2:

Front and Rear Object Alarm, Front Sensors


Object Number: 1958003  Size: FS
Master Electrical Component List
Object Detection Description and Operation LWB SWBRHD
Control Module References
Front and Rear Object Alarm, Module and Rear Sensors, Inputs and Outputs
Figure 3:

Genuine Accessory Rear Park Assist System


Object Number: 2028701  Size: FS