GM Service Manual Online
For 1990-2009 cars only

Exterior Lights Schematics SWB

Figure 1:

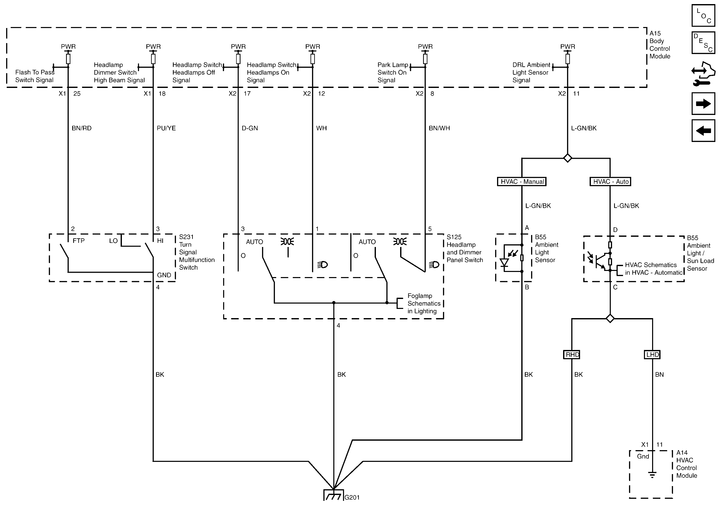
Headlamp and Turn Signal Multifunction Switches and Ambient Light Sensors


Object Number: 1958073  Size: FS
Master Electrical Component List
Exterior Lighting Systems Description and Operation CSV SWBHSV
Control Module References
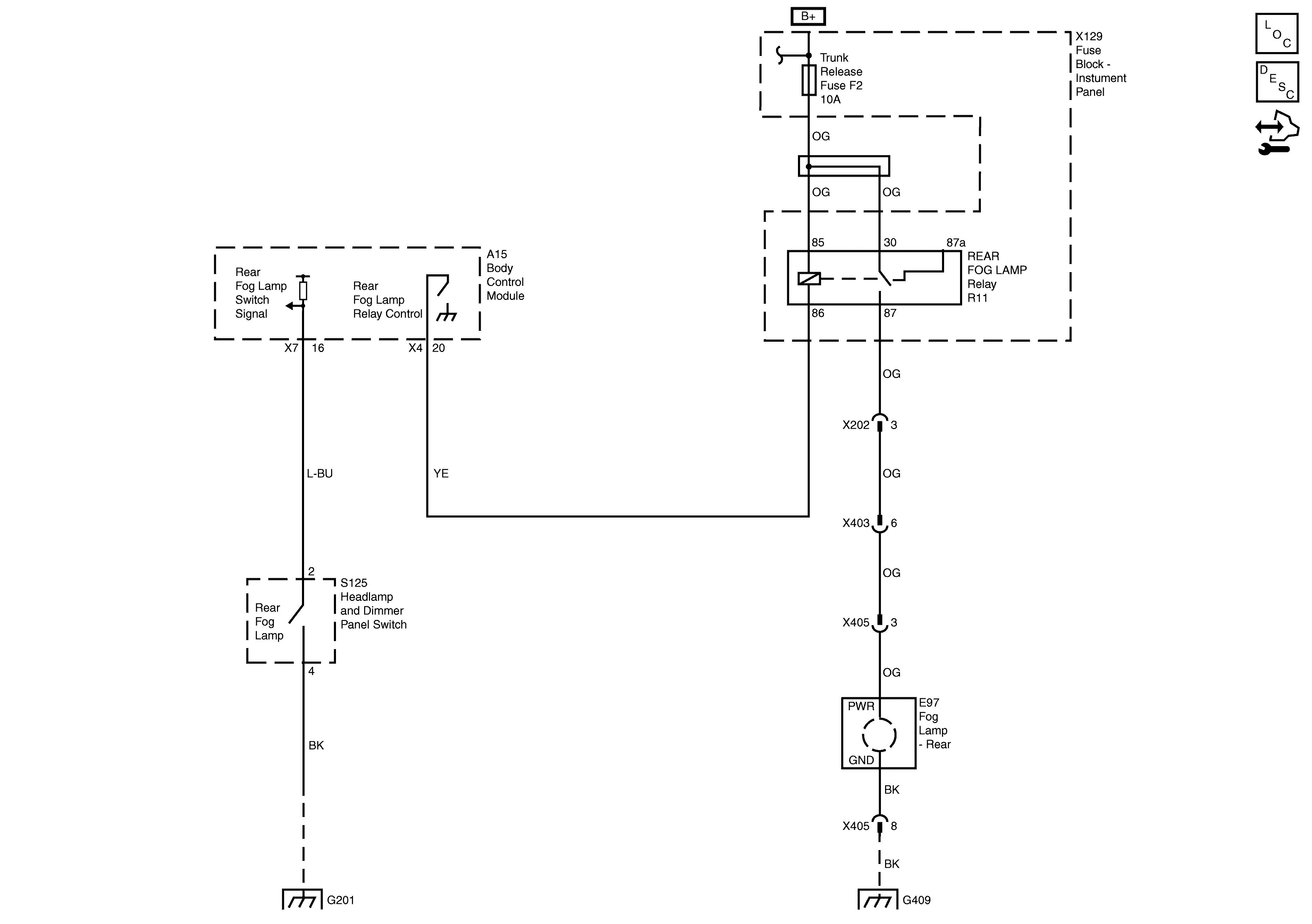
Fog Lights and Fog Lights Switch Power and Ground
Headlamps Power and Ground
G201 - 1 of 2
HVAC Module, Power, Ground, Serial Data, Inputs and Outputs
Fog Lights and Fog Lights Switch Power and Ground
Figure 2:

Headlamps Power and Ground


Object Number: 1958075  Size: FS
Master Electrical Component List
Exterior Lighting Systems Description and Operation CSV SWBHSV
Control Module References
Headlamps Power and Ground
G101 and G102
G104
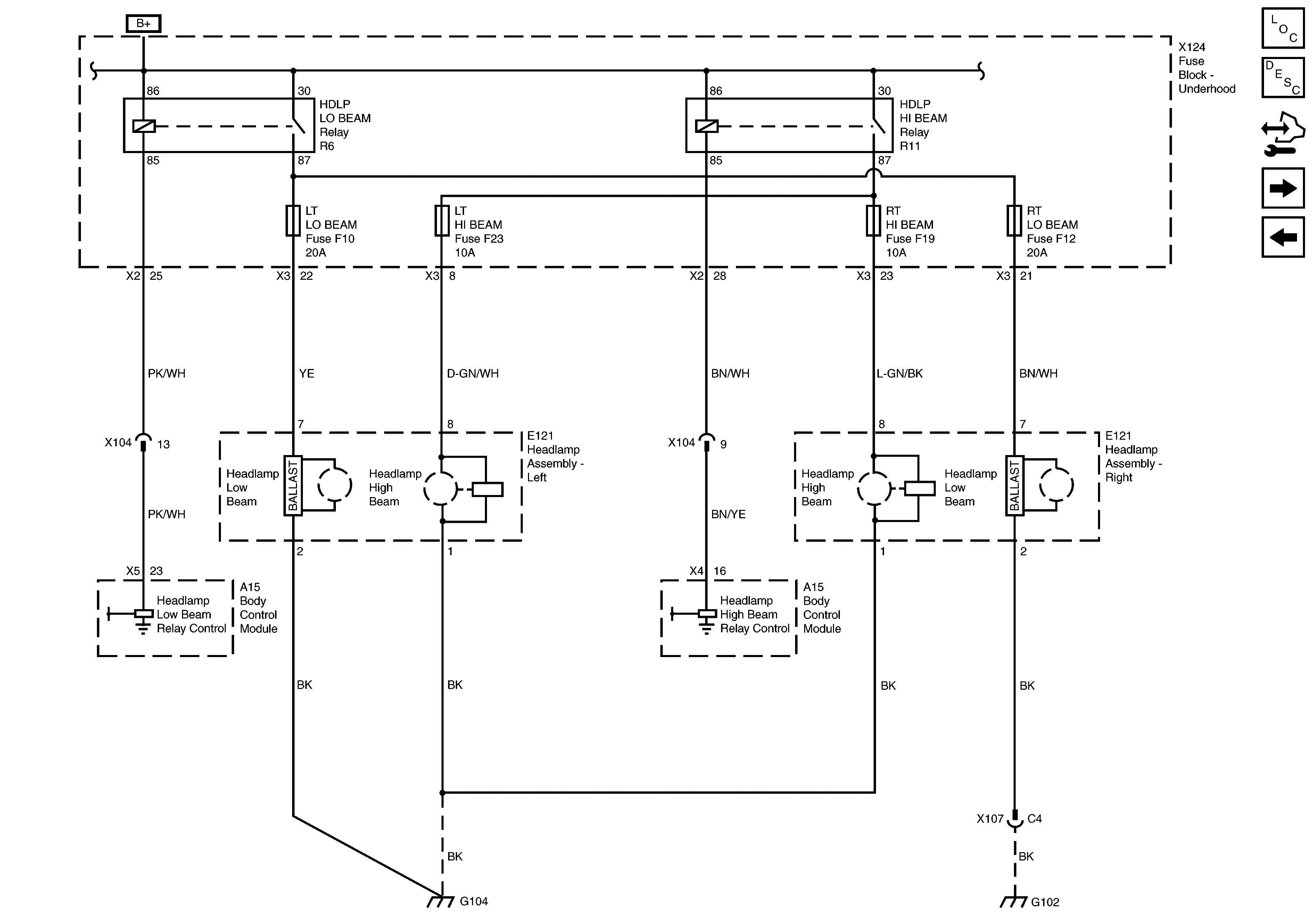
Figure 3:

Headlamps Power and Ground


Object Number: 1958786  Size: FS
Master Electrical Component List
Exterior Lighting Systems Description and Operation SWB
Control Module References
Headlamps Power and Ground
Parklamps and License Plate Lamps Power and Grounds
G101 and G102
G104
Figure 4:

Parklamps and License Plate Lamps Power and Grounds


Object Number: 1958790  Size: FS
Master Electrical Component List
Exterior Lighting Systems Description and Operation SWB
Control Module References
Headlamps Power and Ground
Exterior Illumination Lamps Power and Ground
G104
G303 and G304 - 1 of 2
G401 and G409
G104
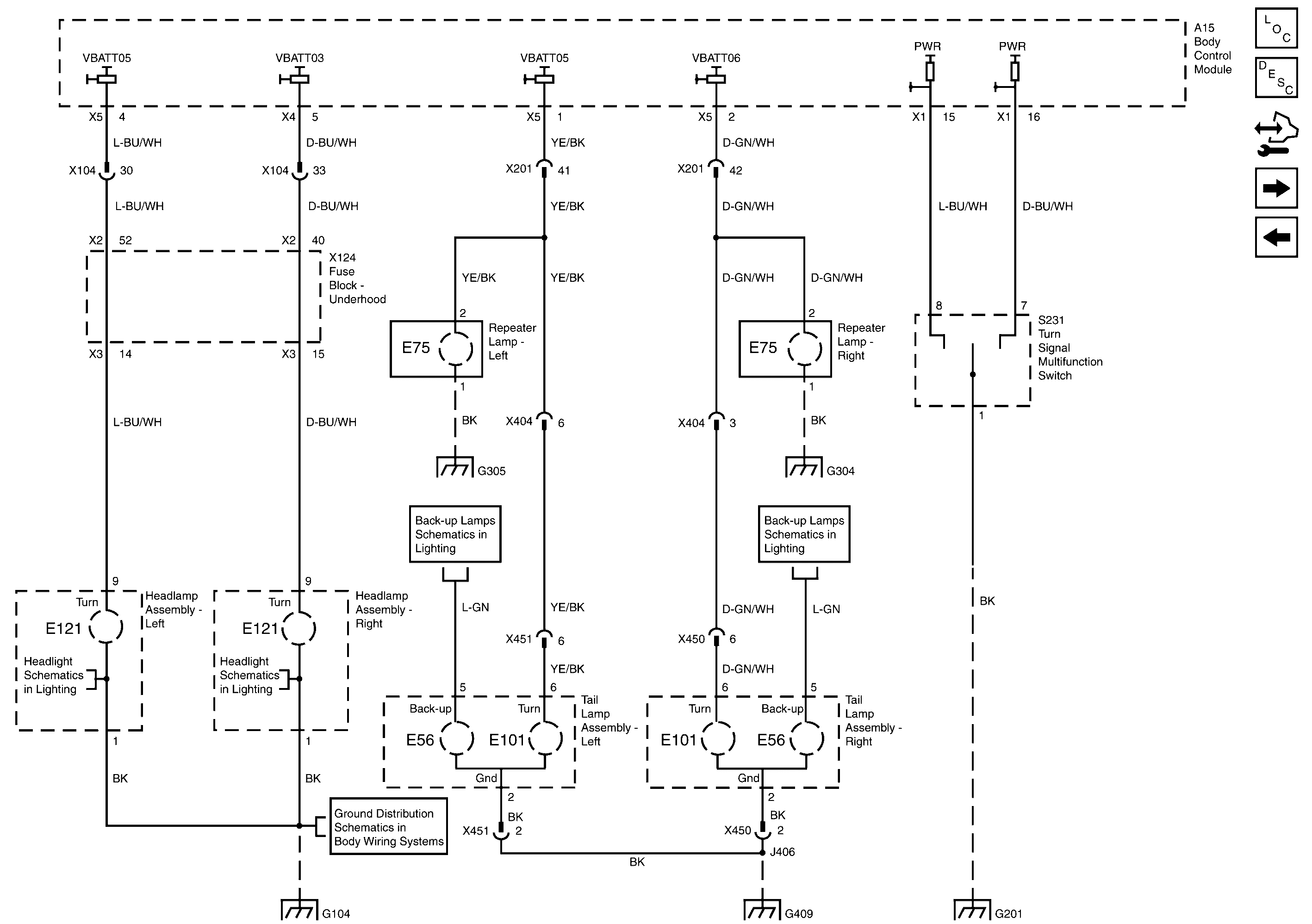
Turn Signal Multifunction Switch, Front, Side and Rear Repeater Lamps Power and Ground
Turn Signal Multifunction Switch, Front, Side and Rear Repeater Lamps Power and Ground
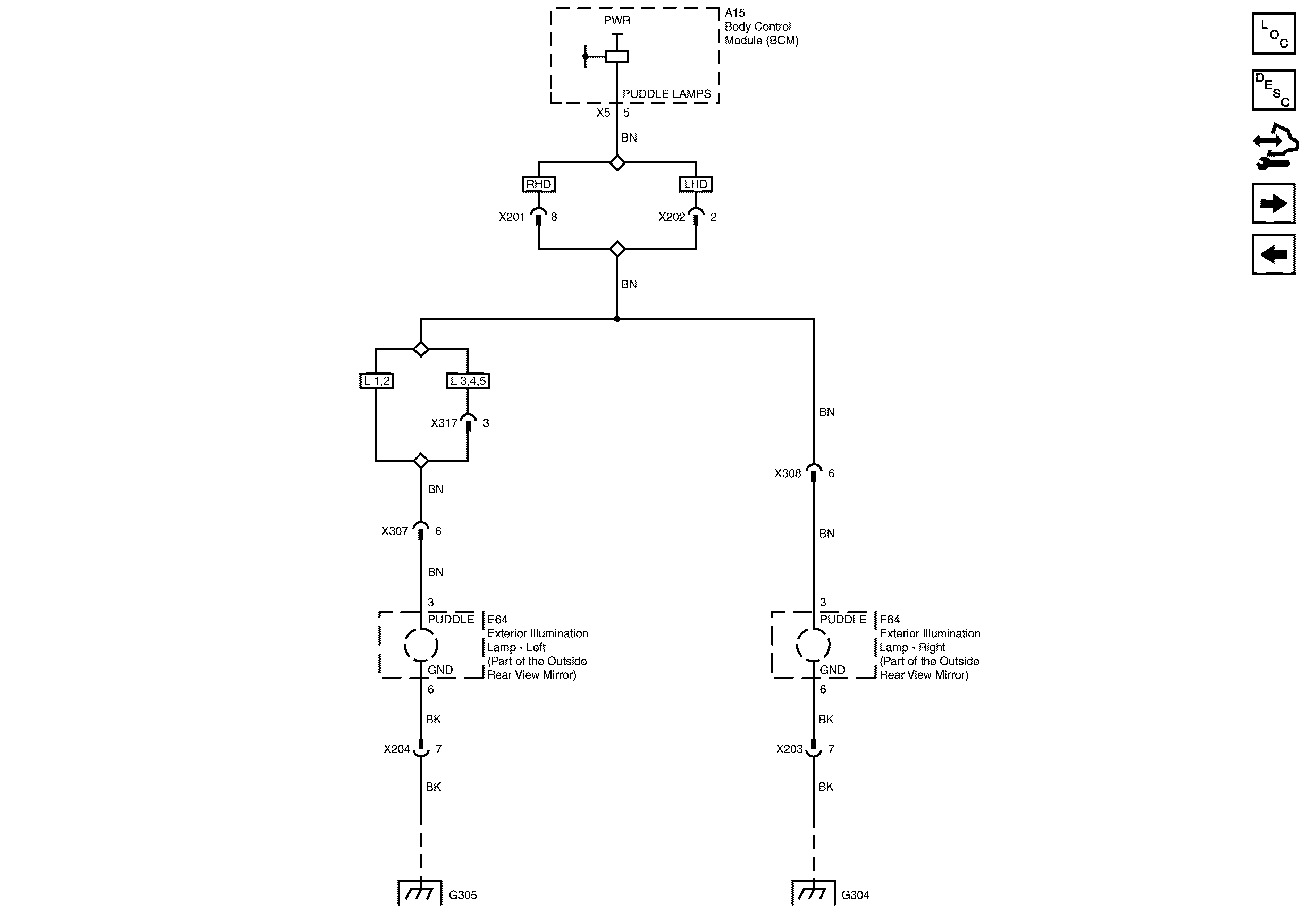
Figure 5:

Exterior Illumination Lamps Power and Ground


Object Number: 1972922  Size: FS
Master Electrical Component List
Exterior Lighting Systems Description and Operation SWB
Control Module References
Backup Lamps Power and Ground
Front Fascia
G303 and G304 - 2 of 2 and G305 - 1 of 2
G303 and G304 - 1 of 2
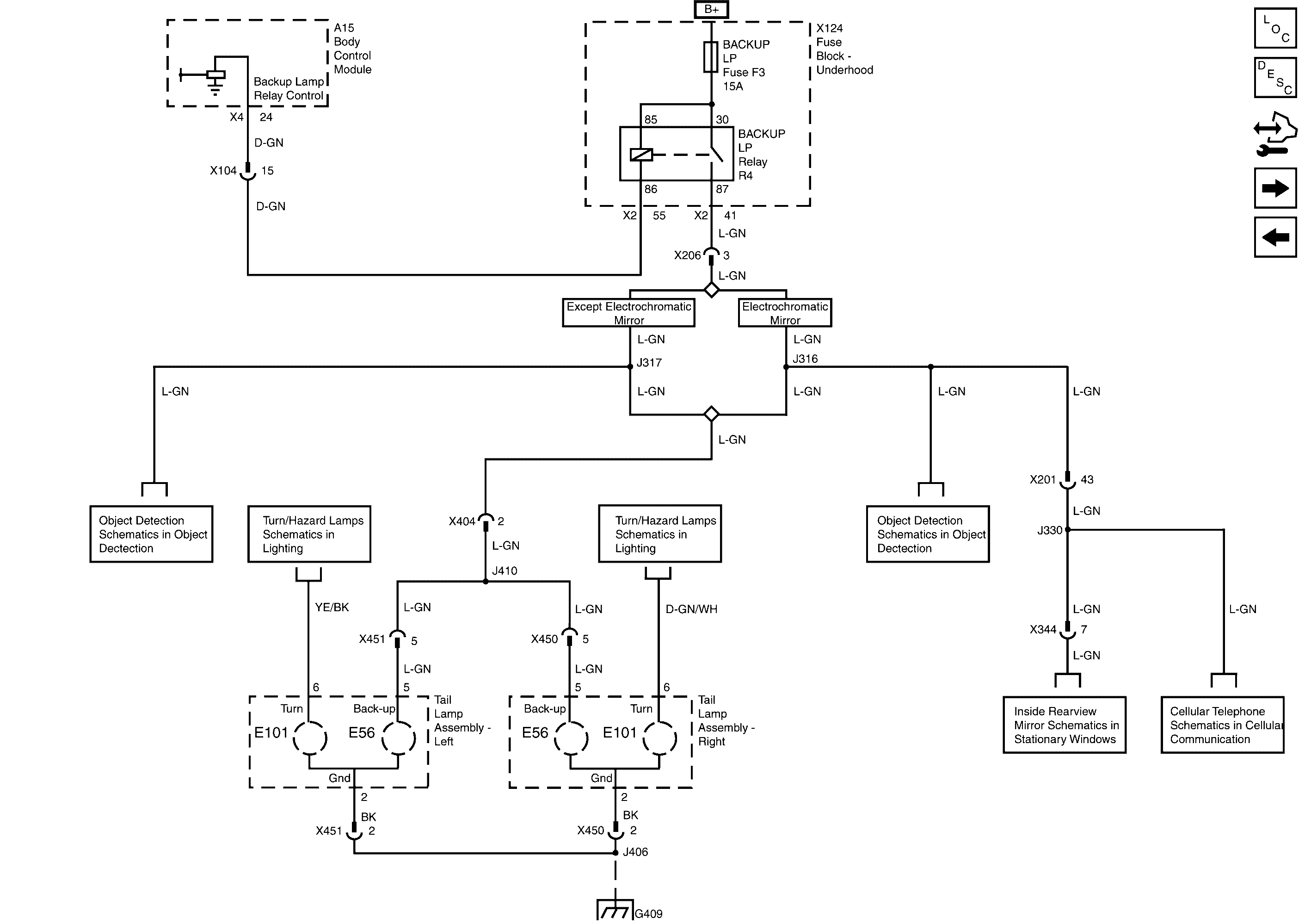
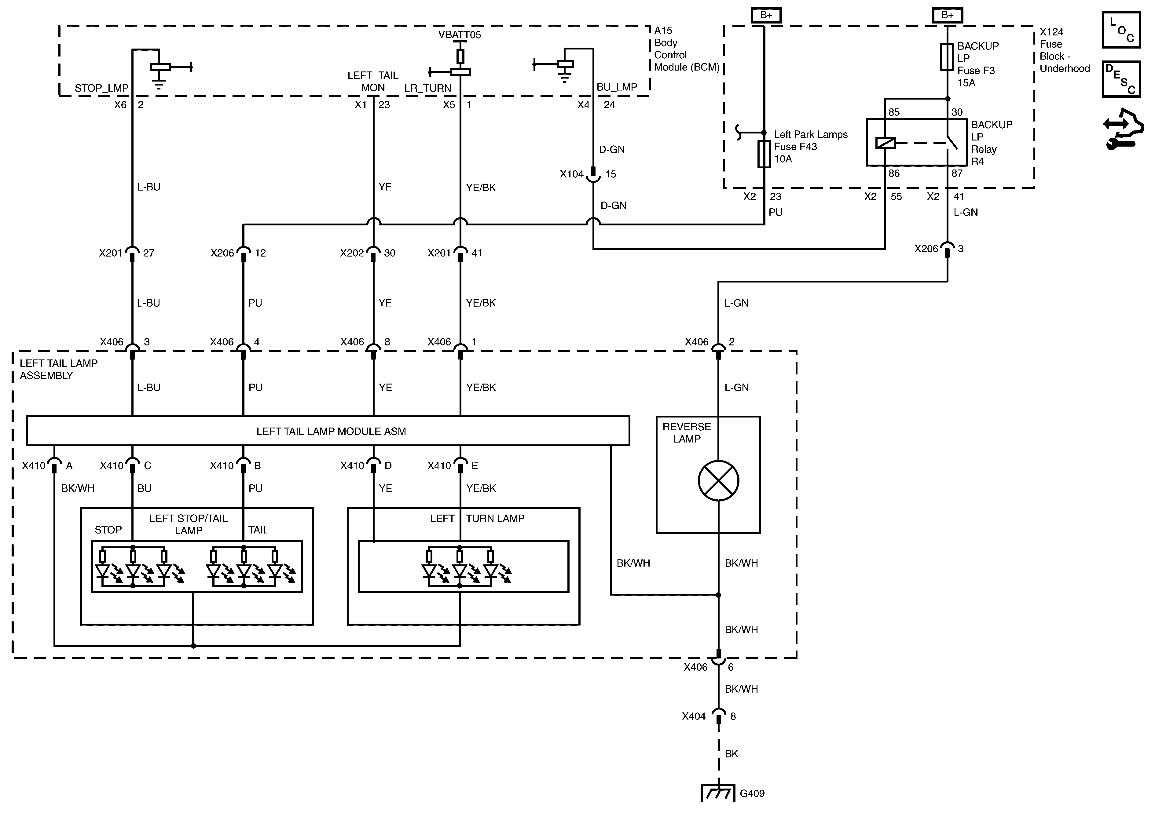
Figure 6:

Backup Lamps Power and Ground


Object Number: 1986580  Size: FS
Master Electrical Component List
Exterior Lighting Systems Description and Operation CSV SWBHSV
Control Module References
Stop Lamps Power and Ground
Exterior Illumination Lamps Power and Ground
G401 and G409
Rear Object Alarm, Module and Sensors, Inputs and Outputs
Module Power, Ground and Serial Data
Headlamp and Turn Signal Multifunction Switches and Ambient Light Sensors
Headlamp and Turn Signal Multifunction Switches and Ambient Light Sensors
Figure 7:

Stop Lamps Power and Ground


Object Number: 1984456  Size: FS
Master Electrical Component List
Exterior Lighting Systems Description and Operation CSV SWBHSV
Control Module References
Turn Signal Multifunction Switch, Front, Side and Rear Repeater Lamps Power and Ground
Backup Lamps Power and Ground
G401 and G409
G201 - 1 of 2
Headlamp and Turn Signal Multifunction Switches and Ambient Light Sensors
Headlamp and Turn Signal Multifunction Switches and Ambient Light Sensors
Figure 8:

Turn Signal Multifunction Switch, Front, Side and Rear Repeater Lamps Power and Ground


Object Number: 1958122  Size: FS
Master Electrical Component List
Exterior Lighting Systems Description and Operation CSV SWBHSV
Control Module References
Stop Lamps Power and Ground
Ignition Key Cylinder Lamp, Courtesy Lamps, Compartment Lamps and Sunshade Lamps, Power and Ground
G303 and G304 - 1 of 2
G303 and G304 - 2 of 2 and G305 - 1 of 2
G104
G401 and G409
Backup Lamps Power and Ground
Backup Lamps Power and Ground
G101 and G102
G201 - 2 of 2
Figure 9:

Power/Ground Supply, Trailer Box Converter Module, Trailer Connector Socket


Object Number: 2028703  Size: FS

Exterior Lights Schematics LWB

Figure 1:

Headlamp and Turn Signal Multifunction Switches and Ambient Light Sensors


Object Number: 1958073  Size: FS
Master Electrical Component List
Exterior Lighting Systems Description and Operation LWB
Control Module References
Headlamps Power and Ground
Fog Lights and Fog Lights Switch Power and Ground
G201 - 1 of 2
HVAC Module, Power, Ground, Serial Data, Inputs and Outputs
Fog Lights and Fog Lights Switch Power and Ground
Figure 2:

Exterior Illumination Lamps Power and Ground


Object Number: 1972922  Size: FS
Master Electrical Component List
Control Module References
Figure 3:

Headlamps Power and Ground


Object Number: 1958075  Size: FS
Master Electrical Component List
Exterior Lighting Systems Description and Operation LWB
Control Module References
Headlamp and Turn Signal Multifunction Switches and Ambient Light Sensors
Headlamps Power and Ground
G101 and G102
G104
Figure 4:

Headlamps Power and Ground


Object Number: 1958786  Size: FS
Master Electrical Component List
Exterior Lighting Systems Description and Operation LWB
Control Module References
Headlamps Power and Ground
Parklamps and License Plate Lamps Power and Grounds
G101 and G102
G104
Figure 5:

Parklamps and License Plate Lamps Power and Grounds


Object Number: 1958790  Size: FS
Master Electrical Component List
Exterior Lighting Systems Description and Operation LWB
Control Module References
Headlamps Power and Ground
Exterior Illumination Lamps Power and Ground
G104
G303 and G304 - 1 of 2
G401 and G409
Figure 6:

Exterior Illumination Lamps Power and Ground


Object Number: 1972922  Size: FS
Master Electrical Component List
Control Module References
Figure 7:

Backup Lamps Power and Ground


Object Number: 1986580  Size: FS
Master Electrical Component List
Exterior Lighting Systems Description and Operation LWB
Control Module References
Stop Lamps Power and Ground
Exterior Illumination Lamps Power and Ground
G401 and G409
Front and Rear Object Alarm, Module and Rear Sensors, Inputs and Outputs
Front and Rear Object Alarm, Module and Rear Sensors, Inputs and Outputs
Headlamp and Turn Signal Multifunction Switches and Ambient Light Sensors
Headlamp and Turn Signal Multifunction Switches and Ambient Light Sensors
Inside Rear View Mirror Power and Ground
Bluetooth System
Figure 8:

Stop Lamps Power and Ground


Object Number: 1984456  Size: FS
Master Electrical Component List
Exterior Lighting Systems Description and Operation LWB
Control Module References
Turn Signal Multifunction Switch, Front, Side and Rear Repeater Lamps Power and Ground
Backup Lamps Power and Ground
G401 and G409
G201 - 1 of 2
Headlamp and Turn Signal Multifunction Switches and Ambient Light Sensors
Figure 9:

Turn Signal Multifunction Switch, Front, Side and Rear Repeater Lamps Power and Ground


Object Number: 1958122  Size: FS
Master Electrical Component List
Exterior Lighting Systems Description and Operation LWB
Control Module References
Stop Lamps Power and Ground
G303 and G304 - 1 of 2
G303 and G304 - 2 of 2 and G305 - 1 of 2
G104
G401 and G409
Backup Lamps Power and Ground
Backup Lamps Power and Ground
G101 and G102

Exterior Lights Schematics HSV

Figure 1:

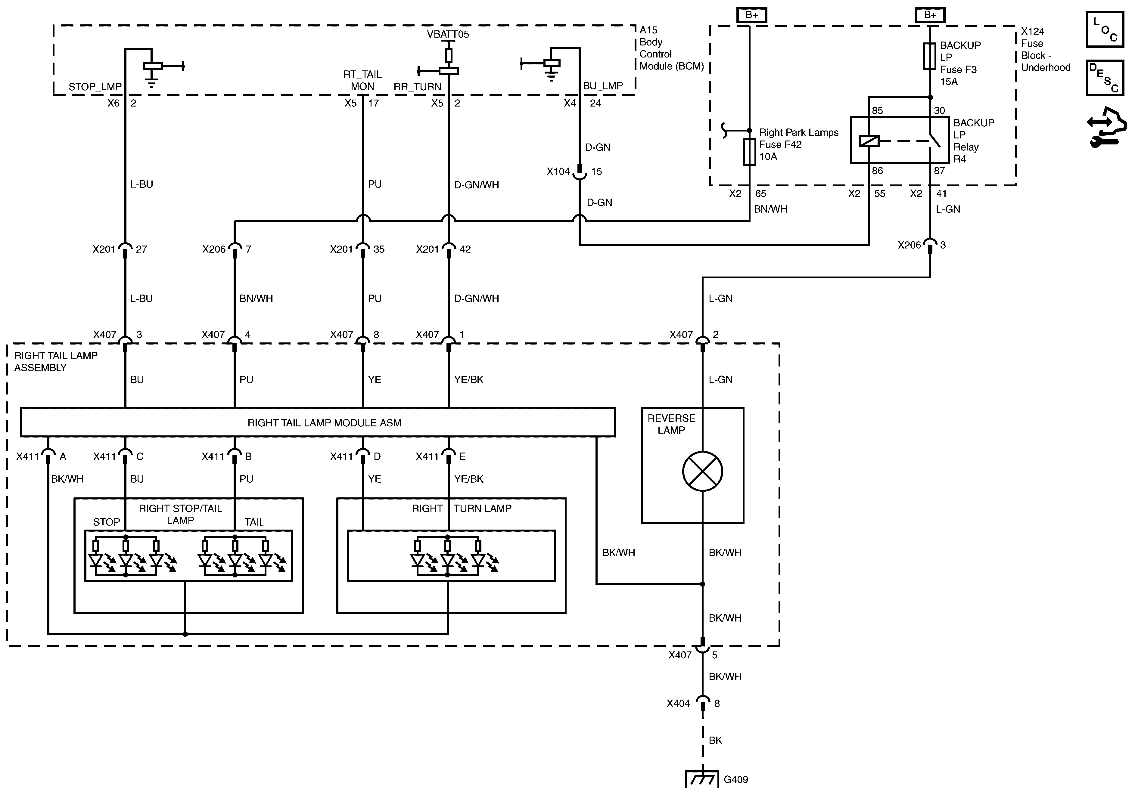
Right Tail Lamp Assembly Power and Ground


Object Number: 1958068  Size: FS
Master Electrical Component List
Exterior Lighting Systems Description and Operation CSV SWBHSV
Control Module References
G401 and G409
Figure 2:

Left Tail Lamp Assembly Power and Ground


Object Number: 1958065  Size: FS
Master Electrical Component List
Exterior Lighting Systems Description and Operation CSV SWBHSV
Control Module References
G401 and G409

Exterior Lights Schematics VXR8

Figure 1:

Headlamp and Turn Signal Multifunction Switches and Ambient Light Sensors


Object Number: 1958073  Size: FS
Master Electrical Component List
Exterior Lighting Systems Description and Operation VXR8
Control Module References
Fog Lights and Fog Lights Switch Power and Ground
Headlamps Power and Ground
G201 - 1 of 2
HVAC Module, Power, Ground, Serial Data, Inputs and Outputs
Fog Lights and Fog Lights Switch Power and Ground
Figure 2:

Headlamps Power and Ground


Object Number: 1958075  Size: FS
Master Electrical Component List
Exterior Lighting Systems Description and Operation VXR8
Control Module References
headlamps and Turn Signal Multifunction Switches and Ambient Lights Sensors
Headlamps Power and Ground
G101 and G102
G104
Figure 3:

Headlamps Power and Ground


Object Number: 1958786  Size: FS
Master Electrical Component List
Exterior Lighting Systems Description and Operation VXR8
Control Module References
Parklamps and License Plate Lamps Power and Grounds
Headlamps Power and Ground
G104
G101 and G102
Figure 4:

Parklamps and License Plate Lamps Power and Grounds


Object Number: 1958790  Size: FS
Master Electrical Component List
Exterior Lighting Systems Description and Operation VXR8
Control Module References
Headlamps Power and Ground
Exterior Illumination Lamps Power and Ground
G104
G303 and G304 - 1 of 2
G401 and G409
Turn Signal Multifunction Switch, Front, Side and Rear Repeater Lamps Power and Ground
Turn Signal Multifunction Switch, Front, Side and Rear Repeater Lamps Power and Ground
G104
Figure 5:

Right Tail Lamp Assembly Power and Ground


Object Number: 1958068  Size: FS
Master Electrical Component List
Exterior Lighting Systems Description and Operation VXR8
Control Module References
G401 and G409
Figure 6:

Left Tail Lamp Assembly Power and Ground


Object Number: 1958065  Size: FS
Master Electrical Component List
Exterior Lighting Systems Description and Operation VXR8
Control Module References
G401 and G409
Figure 7:

Turn Signal Multifunction Switch, Front, Side and Rear Repeater Lamps Power and Ground


Object Number: 1958122  Size: FS
Master Electrical Component List
Exterior Lighting Systems Description and Operation VXR8
Control Module References
Stop Lamps Power and Ground
Ignition Key Cylinder Lamp, Courtesy Lamps, Compartment Lamps and Sunshade Lamps, Power and Ground
G303 and G304 - 1 of 2
G303 and G304 - 2 of 2 and G305 - 1 of 2
G104
G401 and G409
Backup Lamps Power and Ground
Backup Lamps Power and Ground
G101 and G102
G201 - 1 of 2
Figure 8:

Rear Fog Lamp and Switch Power and Grounds


Object Number: 1958797  Size: FS
Master Electrical Component List
Exterior Lighting Systems Description and Operation VXR8
Control Module References
G401 and G409
G201 - 1 of 2